GM Service Manual Online
For 1990-2009 cars only
Makes
🢒
Chevrolet
🢒
1999
🢒
Chevy Suburban 4WD - RHD
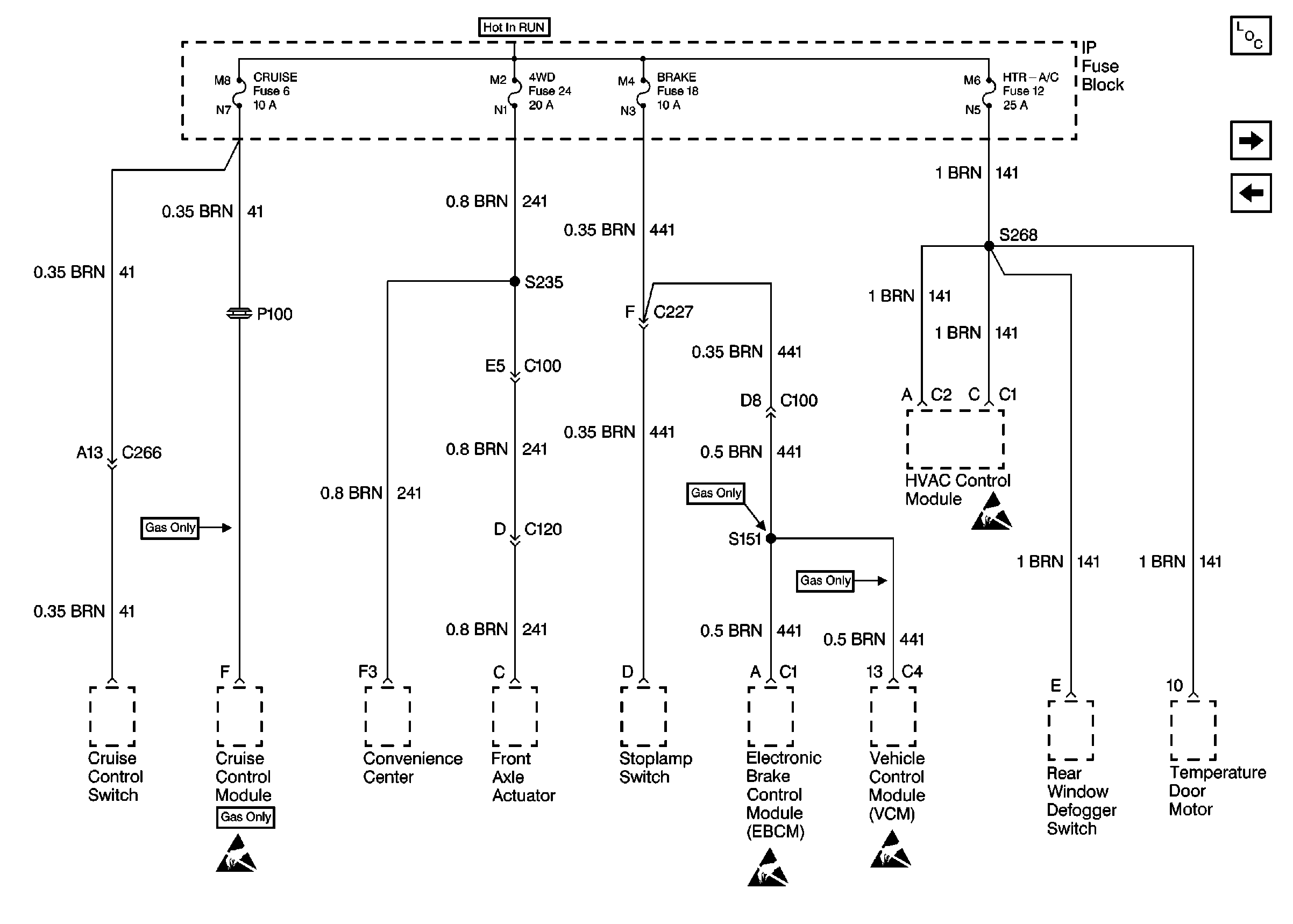
🢒 Cell 10: CRUISE, 4WD, BRAKE & HTR-A/C Fuses
Cell 10: CRUISE, 4WD, BRAKE & HTR-A/C Fuses
Cell 10: CRUISE, 4WD, BRAKE & HTR-A/C Fuses
Handling ESD Sensitive Parts Notice
Handling ESD Sensitive Parts Notice
Handling ESD Sensitive Parts Notice
Handling ESD Sensitive Parts Notice
Power and Grounding Components
Cell 10: ILLUM Fuse
Cell 10: RR HVAC Fuse