GM Service Manual Online
For 1990-2009 cars only
Makes
🢒
Chevrolet
🢒
1999
🢒
Chevy Suburban 4WD - RHD
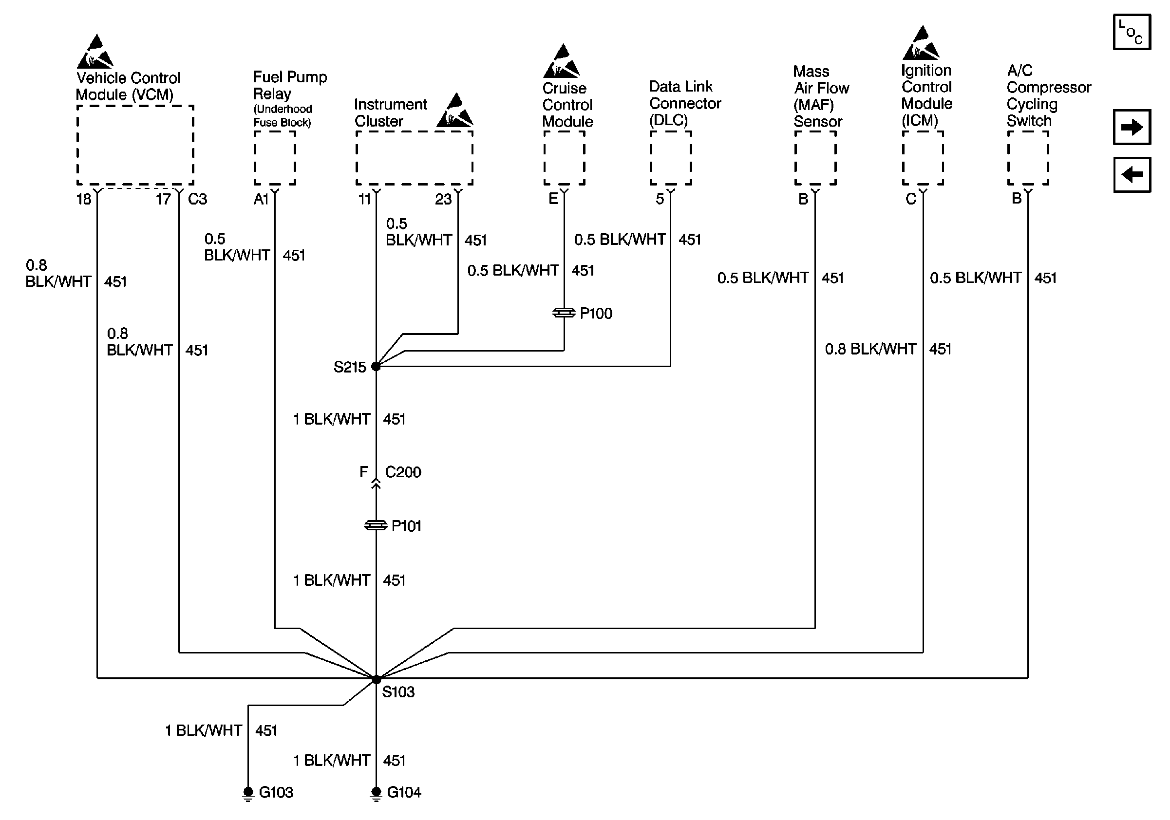
🢒 Cell 14: G103 & G104, Gas
Cell 14: G103 & G104, Gas
Cell 14: G103 & G104, Gas
Power and Grounding Components
Cell 14: G104, Diesel
Cell 14: G112
Handling ESD Sensitive Parts Notice
Handling ESD Sensitive Parts Notice
Handling ESD Sensitive Parts Notice
Handling ESD Sensitive Parts Notice