GM Service Manual Online
For 1990-2009 cars only
Makes
🢒
Chevrolet
🢒
1999
🢒
Chevy Suburban 4WD - RHD
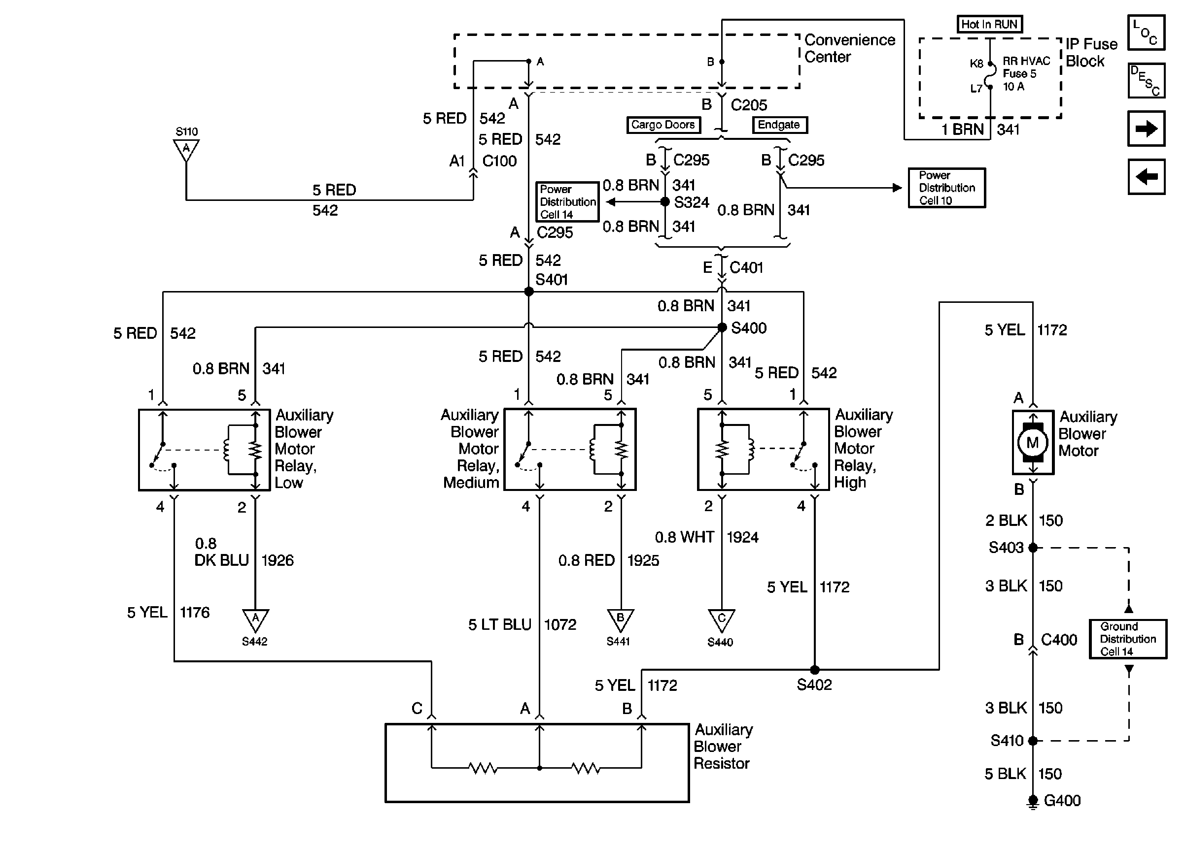
🢒 Cell 63: 2 of 3, Auxiliary Relays
Cell 63: 2 of 3, Auxiliary Relays
Cell 63: 2 of 3, Auxiliary Relays
HVAC Components
Cell 63: 3 of 3, Auxiliary Blower Switches
Cell 63: 1 of 3, Front
Cell 10: RR HVAC Fuse
Cell 63: 1 of 3, Front
Cell 10: RR HVAC Fuse
Cell 63: 3 of 3, Auxiliary Blower Switches
Cell 63: 3 of 3, Auxiliary Blower Switches
Cell 63: 3 of 3, Auxiliary Blower Switches
Cell 14: G400