GM Service Manual Online
For 1990-2009 cars only
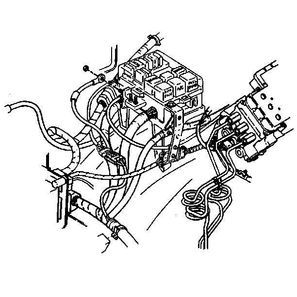
Figure 1:

Engine Wiring to Vehicle Control Module (Gas)


Object Number: 78384  Size: MF
(1)C60
(2)A/C Harness
(3)I/P Lower Reinforcement
(4)I/P Harness
(5)PCM Module (12F)
(6)Engine Harness
Figure 2:

Engine Wiring to Powertrain Control Module (Diesel)


Object Number: 78388  Size: SH
Figure 3:

Engine Wiring at the Cowl


Object Number: 78390  Size: SH
Figure 4:

Engine Wiring from the Junction Block (Diesel)


Object Number: 78392  Size: SH
Figure 5:

Engine Wiring to the Fuse Relay Center


Object Number: 78394  Size: SH
Figure 6:

Engine Wiring (4.3L)


Object Number: 78395  Size: SH
Figure 7:

Engine Wiring to the A/C Compressor (4.3L)


Object Number: 78397  Size: SH
Figure 8:

Top View (5.0L, 5.7L)


Object Number: 78399  Size: SH
Figure 9:

Glow Plug Connections (6.5L Turbo)


Object Number: 78416  Size: SH
Figure 10:

Engine Wiring to Dash (Gas)


Object Number: 78420  Size: SH
Figure 11:

Engine Wiring to Dash (Diesel)


Object Number: 78421  Size: SH
Figure 12:

Top View (5.0L, 5.7L)


Object Number: 78399  Size: SH