GM Service Manual Online
For 1990-2009 cars only
Figure 1:

DIESEL PCM, DLC, I/P


Object Number: 52748  Size: FS
Engine Controls Components
DIESEL PCM, GLOW PLUGS, FUSE-RELAY
OBD II Symbol Description Notice
Engine Controls Schematic References
Engine Controls Schematic References
Engine Controls Schematic References
Engine Controls Schematic References
Engine Controls Schematic References
Engine Controls Schematic References
Handling Electrostatic Discharge Sensitive Parts Notice
Handling Electrostatic Discharge Sensitive Parts Notice
Handling Electrostatic Discharge Sensitive Parts Notice
Engine Controls Schematic References
Engine Controls Schematic References
Engine Controls Schematic References
Engine Controls Schematic References
Figure 2:

DIESEL PCM, GLOW PLUGS, FUSE-RELAY


Object Number: 52752  Size: FS
Engine Controls Components
DIESEL FUEL PUMP, LIFT PUMP
DIESEL PCM, DLC, I/P
OBD II Symbol Description Notice
Engine Controls Schematic References
Engine Controls Schematic References
Engine Controls Schematic References
Handling Electrostatic Discharge Sensitive Parts Notice
Handling Electrostatic Discharge Sensitive Parts Notice
Engine Controls Schematic References
Engine Controls Schematic References
Figure 3:

DIESEL FUEL PUMP, LIFT PUMP


Object Number: 52754  Size: FS
Engine Controls Components
DIESEL PCM, FUEL SOLENOID, WATER IN FUEL
DIESEL PCM, GLOW PLUGS, FUSE-RELAY
OBD II Symbol Description Notice
Engine Controls Schematic References
Engine Controls Schematic References
Engine Controls Schematic References
Engine Controls Schematic References
Handling Electrostatic Discharge Sensitive Parts Notice
Engine Controls Schematic References
Figure 4:

DIESEL PCM, FUEL SOLENOID, WATER IN FUEL


Object Number: 52756  Size: FS
Engine Controls Components
DIESEL PCM, CKP, FUEL TEMP, ITS
DIESEL FUEL PUMP, LIFT PUMP
OBD II Symbol Description Notice
Engine Controls Schematic References
Engine Controls Schematic References
Engine Controls Schematic References
Handling Electrostatic Discharge Sensitive Parts Notice
Handling Electrostatic Discharge Sensitive Parts Notice
Engine Controls Schematic References
Engine Controls Schematic References
Engine Controls Schematic References
Figure 5:

DIESEL PCM, CKP, FUEL TEMP, ITS


Object Number: 52759  Size: FS
Engine Controls Components
DIESEL PCM, EGR, SENSORS
DIESEL PCM, FUEL SOLENOID, WATER IN FUEL
OBD II Symbol Description Notice
DIESEL PCM, EGR, SENSORS
DIESEL PCM, EGR, SENSORS
DIESEL PCM, EGR, SENSORS
DIESEL PCM, EGR, SENSORS
Handling Electrostatic Discharge Sensitive Parts Notice
Handling Electrostatic Discharge Sensitive Parts Notice
Figure 6:

DIESEL PCM, EGR, SENSORS


Object Number: 52761  Size: FS
Engine Controls Components
DIESEL PCM, MAF, EGR, APP, WASTEGATE
DIESEL PCM, CKP, FUEL TEMP, ITS
OBD II Symbol Description Notice
DIESEL PCM, CKP, FUEL TEMP, ITS
DIESEL 4L80E PCM, TRANSMISSION, SOLENOIDS
Handling Electrostatic Discharge Sensitive Parts Notice
Handling Electrostatic Discharge Sensitive Parts Notice
Figure 7:

DIESEL PCM, MAF, EGR, APP, WASTEGATE


Object Number: 52764  Size: FS
Engine Controls Components
DIESEL PCM, CRUISE CONTROL, TRANSFER CASE
DIESEL PCM, EGR, SENSORS
OBD II Symbol Description Notice
Engine Controls Schematic References
Engine Controls Schematic References
Handling Electrostatic Discharge Sensitive Parts Notice
Handling Electrostatic Discharge Sensitive Parts Notice
Engine Controls Schematic References
Figure 8:

DIESEL PCM, CRUISE CONTROL, TRANSFER CASE


Object Number: 52768  Size: FS
Engine Controls Components
DIESEL PCM, VSS, EBCM
DIESEL PCM, MAF, EGR, APP, WASTEGATE
OBD II Symbol Description Notice
Engine Controls Schematic References
Handling Electrostatic Discharge Sensitive Parts Notice
Engine Controls Schematic References
Figure 9:

DIESEL PCM, VSS, EBCM


Object Number: 52771  Size: FS
Engine Controls Components
DIESEL PCM, AUTOMATIC TRANSMISSION
DIESEL PCM, CRUISE CONTROL, TRANSFER CASE
OBD II Symbol Description Notice
Engine Controls Schematic References
Engine Controls Schematic References
Engine Controls Schematic References
Handling Electrostatic Discharge Sensitive Parts Notice
Handling Electrostatic Discharge Sensitive Parts Notice
Handling Electrostatic Discharge Sensitive Parts Notice
Handling Electrostatic Discharge Sensitive Parts Notice
Handling Electrostatic Discharge Sensitive Parts Notice
Handling Electrostatic Discharge Sensitive Parts Notice
Engine Controls Schematic References
Figure 10:

DIESEL PCM, A/C SYSTEM


Object Number: 52773  Size: FS
Engine Controls Components
DIESEL PCM, AUTOMATIC TRANSMISSION SOLENOIDS
OBD II Symbol Description Notice
Engine Controls Schematic References
Engine Controls Schematic References
Engine Controls Schematic References
Engine Controls Schematic References
Handling Electrostatic Discharge Sensitive Parts Notice
Engine Controls Schematic References
Engine Controls Schematic References
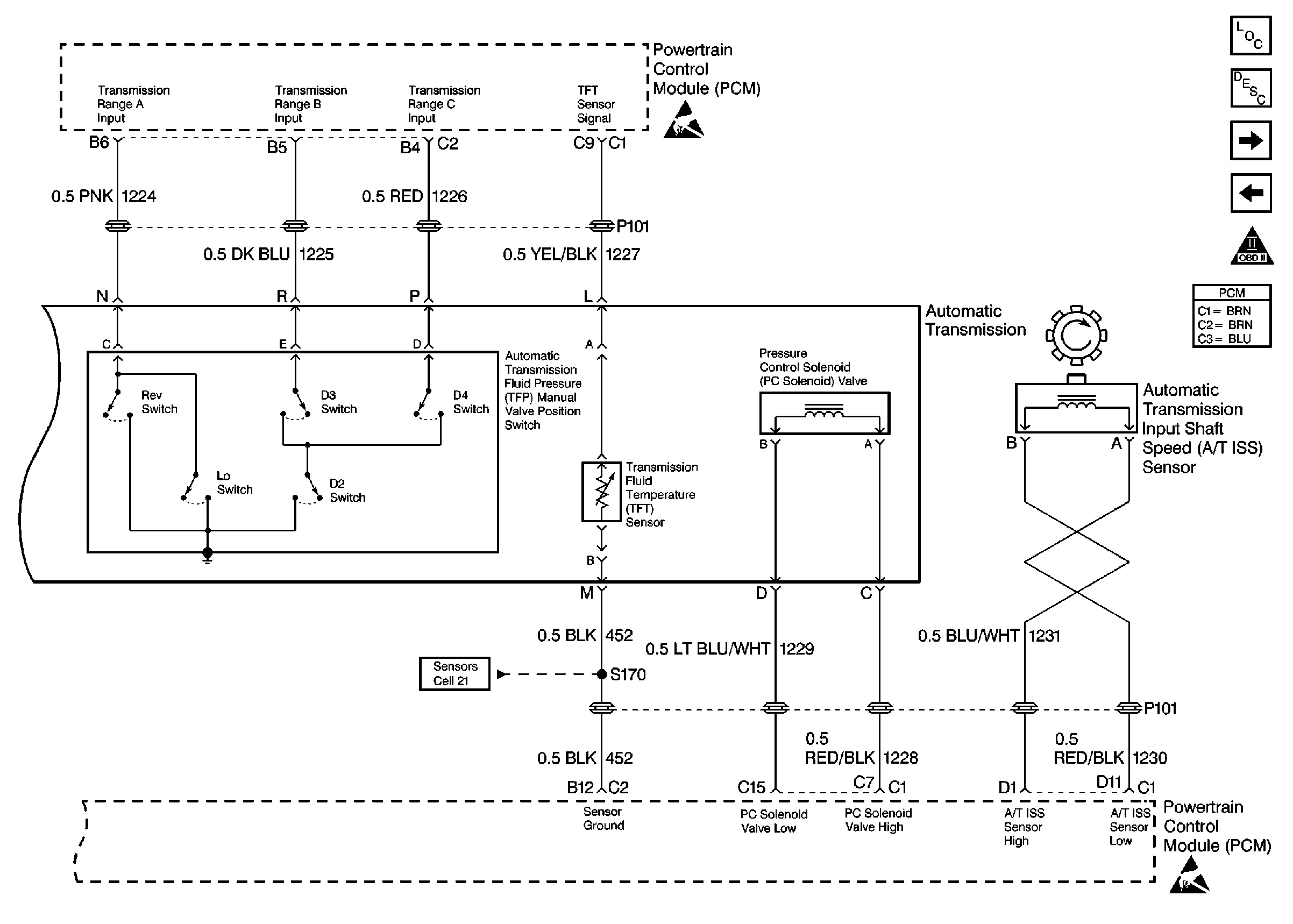
Figure 11:

DIESEL PCM, AUTOMATIC TRANSMISSION


Object Number: 52775  Size: FS
Engine Controls Components
DIESEL PCM, AUTOMATIC TRANSMISSION SOLENOIDS
DIESEL PCM, VSS, EBCM
OBD II Symbol Description Notice
Engine Controls Schematic References
Engine Controls Schematic References
Engine Controls Schematic References
Engine Controls Schematic References
Engine Controls Schematic References
Engine Controls Schematic References
Handling Electrostatic Discharge Sensitive Parts Notice
Engine Controls Schematic References
Engine Controls Schematic References
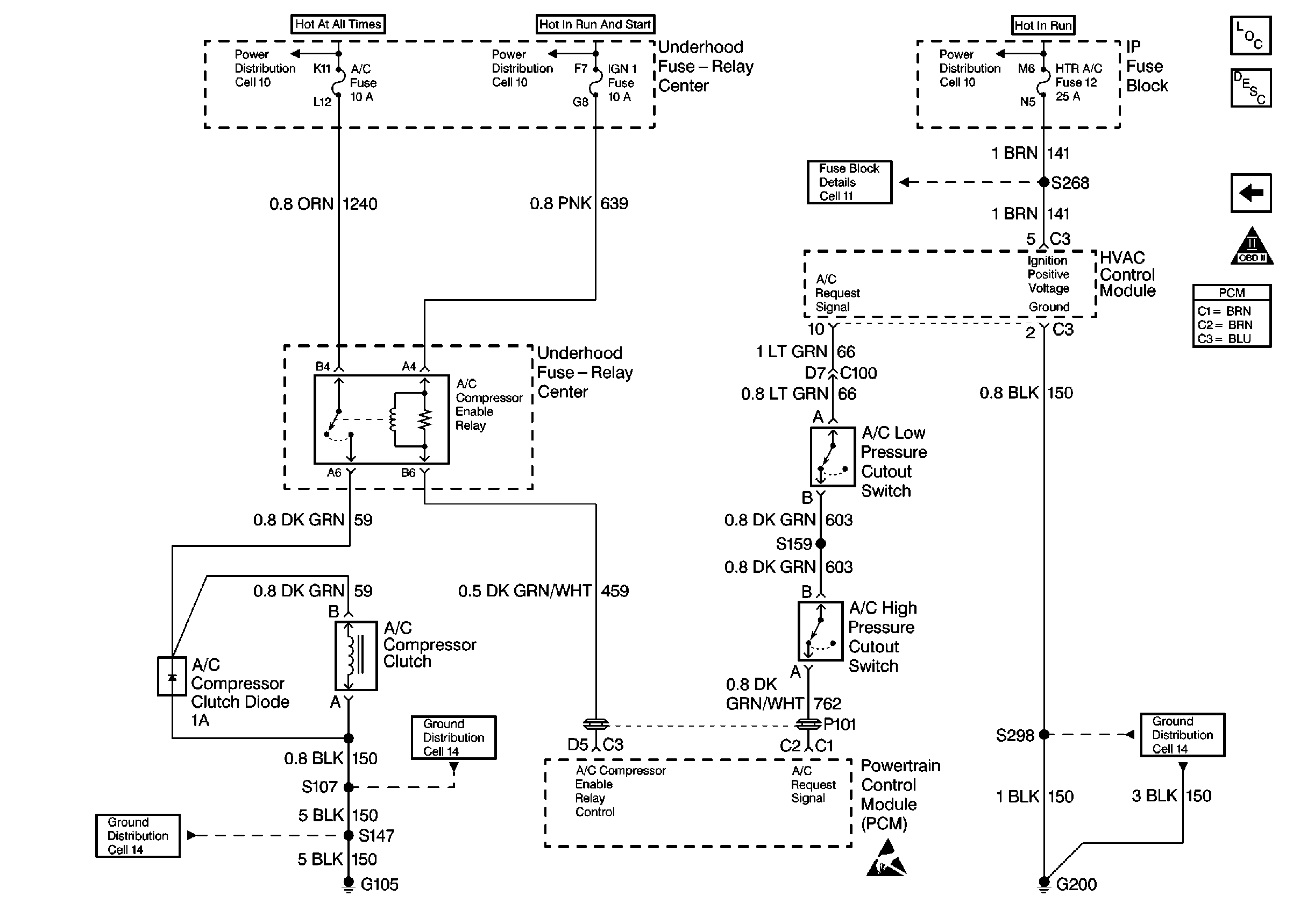
Figure 12:

DIESEL PCM, AUTOMATIC TRANSMISSION SOLENOIDS


Object Number: 52776  Size: FS
Engine Controls Components
DIESEL PCM, A/C SYSTEM
DIESEL PCM, AUTOMATIC TRANSMISSION
OBD II Symbol Description Notice
DIESEL PCM, EGR, SENSORS
Handling Electrostatic Discharge Sensitive Parts Notice
Handling Electrostatic Discharge Sensitive Parts Notice