GM Service Manual Online
For 1990-2009 cars only

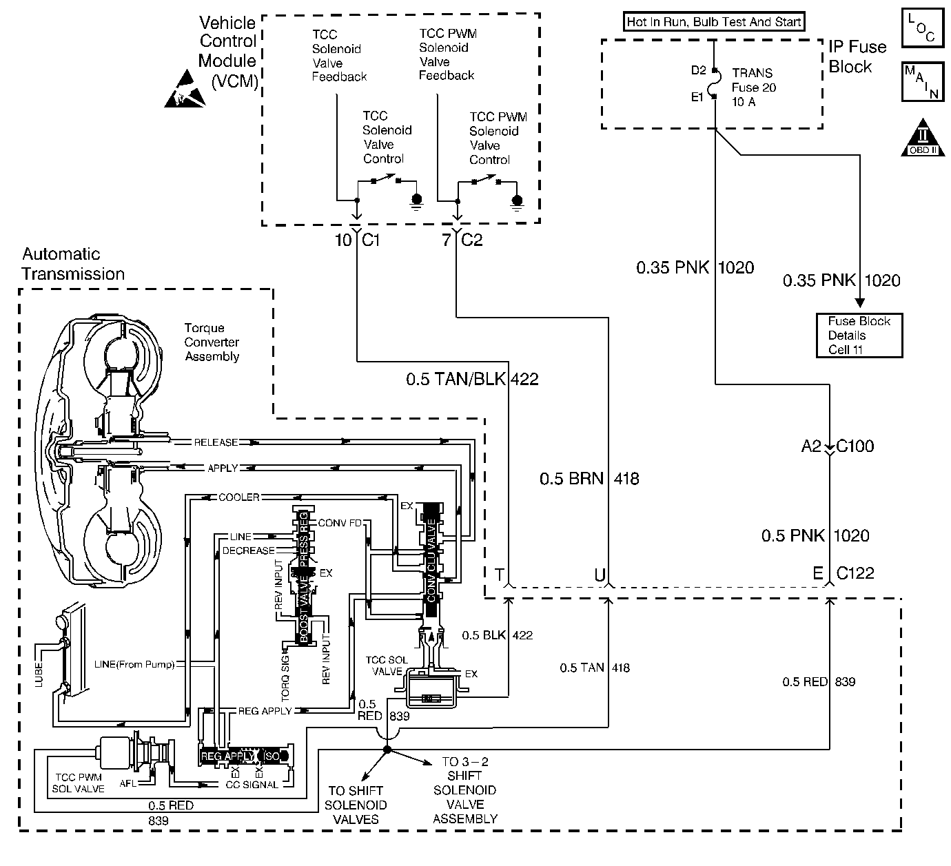
Object Number: 201914  Size: LF
Automatic Transmission Components
Automatic Transmission Controls Schematics 4L60
OBD II Symbol Description Notice
Handling ESD Sensitive Parts Notice

Circuit Description

The Torque Converter Clutch Solenoid Valve (TCC Sol. Valve) is a normally-open exhaust valve that is used with the Torque Converter Clutch Pulse Width Modulation Solenoid Valve (TCC PWM Sol. Valve) in order to control fluid acting on the converter clutch apply valve. The TCC Sol. Valve attaches to the transmission case assembly extending into the pump cover. When grounded (energized) by the Vehicle Control Module (VCM), the TCC Sol. Valve stops converter signal oil from exhausting. This causes converter signal oil pressure to increase and move the converter clutch apply valve against spring force and into the apply position. In this position, release fluid is open to an exhaust port and converter feed fluid fills the apply fluid circuit. The converter feed fluid applies the TCC. When the VCM no longer provides a ground path, the TCC Sol. Valve de-energizes and apply fluid exhausts, releasing the TCC.

When the VCM detects low torque converter slip when the TCC is commanded OFF, then DTC P0742 sets. DTC P0742 is a type B DTC.

Conditions for Setting the DTC

DTC P0742 sets if the following conditions occur twice per ignition cycle, two consecutive times.

    • No MAP Sensor DTCs P0107 or P0108.
    • No TP Sensor DTCs P0122 or P0123.
    • No VSS Assy. DTCs P0502 or P0503.
    • No TCC Sol. Valve DTC P0740.
    • No TFP Val. Position Sw. DTC P1810.
    • No TCC PWM Sol. Valve DTC P1860.
    • The TP angle is 17-45%.
    • The engine speed is greater than 450 RPM for 5 seconds.
    • Not in fuel cutoff.
    • The engine speed is 1000-3000 RPM.
    • The speed ratio is 0.64 to 1.35.
    • The vehicle speed is 24-80 km/h (15-50 mph).
    • No gear range change within 5 seconds.
    • The engine vacuum is 0-105 kPa.
    • The engine torque is 50-400 lb ft.
    • The commanded gear is not 1st.
    • The gear range is D4.
    • The TCC is commanded OFF.
    • The TCC slip speed is -20 to +20 RPM.
    • All conditions met for 5 seconds.

Action Taken When the DTC Sets

    • The VCM illuminates the Malfunction Indicator Lamp (MIL).
    • The VCM freezes shift adapts from being updated.
    • DTC P0742 stores in VCM history.

Conditions for Clearing the MIL/DTC

    • The VCM turns OFF the MIL after three consecutive trips without a failure reported.
    • A scan tool can clear the DTC from the VCM history. The VCM clears the DTC from the VCM history if the vehicle completes 40 warm-up cycles without a failure reported.
    • The VCM cancels the DTC default actions when the fault no longer exists and the ignition is OFF long enough in order to power down the VCM.

Diagnostic Aids

    • The TCC fluid will mechanically apply the TCC, possibly causing an engine stall, under the following conditions:
       - The TCC is mechanically stuck ON
       - The parking brake is applied
       - Any gear range is selected
    • A stuck TP Sensor may set DTC P0742.

Test Description

The numbers below refer to the step numbers on the diagnostic table.

  1. This step tests the mechanical state of the TCC. When the VCM commands the TCC Sol. Valve OFF, the slip speed should increase.

DTC P0742 Torque Converter Clutch (TCC) - Stuck ON

Step

Action

Value(s)

Yes

No

1

Was the Powertrain On-Board Diagnostic (OBD) System Check performed?

--

Go to Step 2

Go to Powertrain On Board Diagnostic (OBD) System Check (4.3L) or Powertrain On Board Diagnostic (OBD) System Check (5.0L, 5.7L) in Engine Controls

2

  1. Install the Scan Tool .
  2. With the engine OFF, turn the ignition switch to the RUN position.
  3. Important: Before clearing the DTCs, use the Scan Tool in order to record the Freeze Frame and Failure Records for reference. Using the Clear Info function will erase the stored the Freeze Frame and Failure Records from the VCM.

  4. Record the DTC Freeze Frame and Failure Records, then clear the DTC(s).
  5. Using the Scan Tool , verify the TP Sensor operation.

Are the TP Sensor values within the normal range shown in the value column?

0.6 - 5.0 V

Go to Step 3

Go to Diagnostic Aids

3

Drive the vehicle in the D4 drive range in fourth gear under steady acceleration, with a TP angle greater than 25%.

While the displayed TCC Enable Status is NO, does the Scan Tool display a TCC Slip Speed within the specified range?

-20 to +20 RPM

Go to Step 4

Go to Diagnostic Aids

4

The TCC is mechanically stuck ON. Check for the following:

    • Clogged exhaust orifice in the TCC Sol. Valve.
    • Converter clutch apply valve stuck in the apply position.
    • Misaligned or damaged valve body gasket.
    • Restricted release passage.

Did you find and correct the condition?

--

Go to Step 5

--

5

In order to verify your repair, perform the following procedure:

  1. Select DTC.
  2. Select Clear Info.
  3. Drive the vehicle in D4 with the TCC OFF and the throttle above 17%. Ensure that the TCC slip speed is 100-2000 RPM for 5 seconds.
  4. Select Specific DTC.
  5. Enter DTC P0742.

Has the test run and passed?

--

System OK

Begin the diagnosis again. Go to Step 1