GM Service Manual Online
For 1990-2009 cars only
Makes
🢒
Chevrolet
🢒
2000
🢒
Chevy Suburban - 2WD
🢒
Brakes
🢒
Hydraulic Brakes
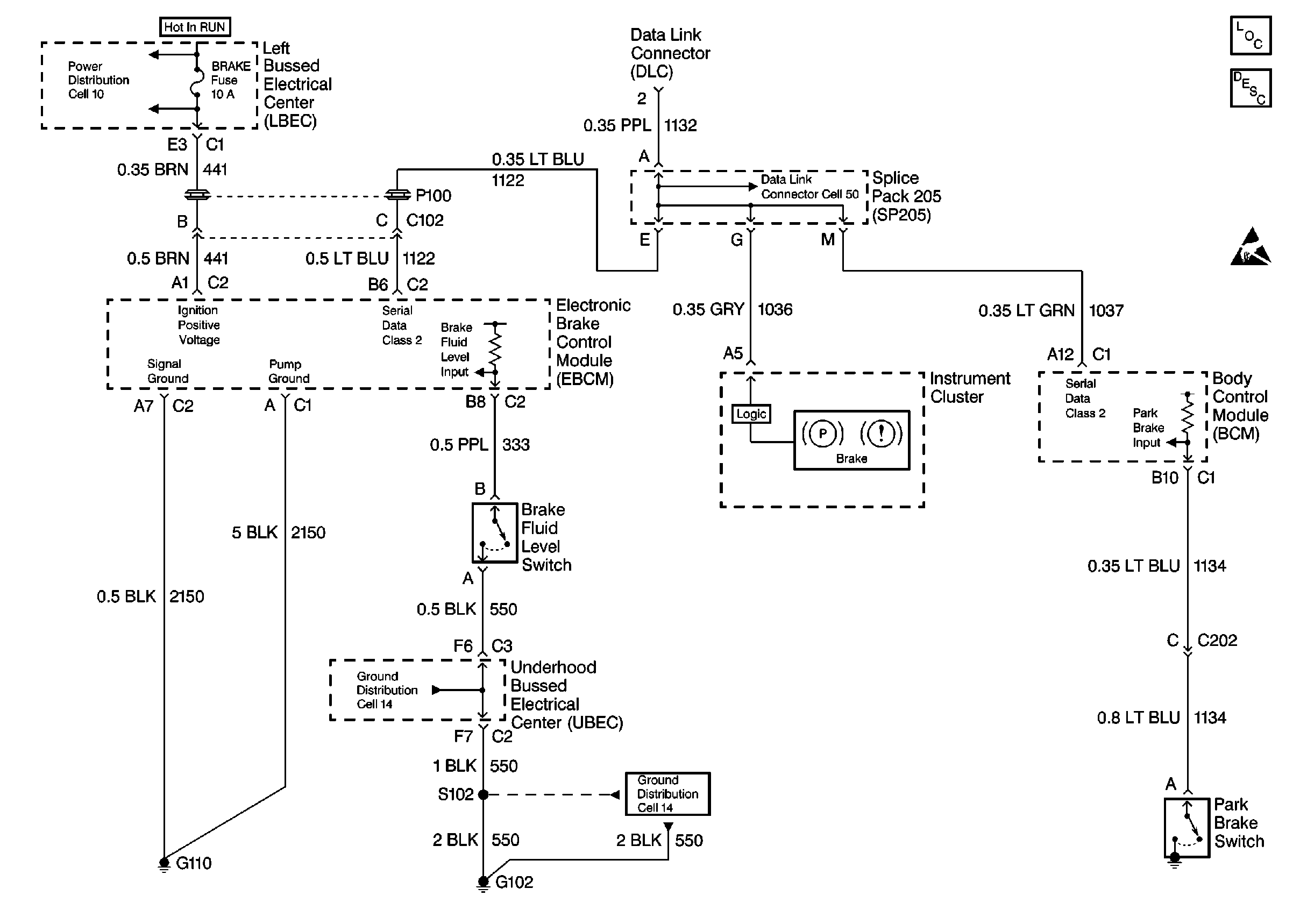
🢒 Brake Warning System Schematics
Hydraulic Brakes Components
Brake Warning System Circuit Description
Handling ESD Sensitive Parts Notice
Data Link Connector Schematics
Power Distribution Schematics
Ground Distribution Schematics
Ground Distribution Schematics