GM Service Manual Online
For 1990-2009 cars only

SIR Schematics Utilities

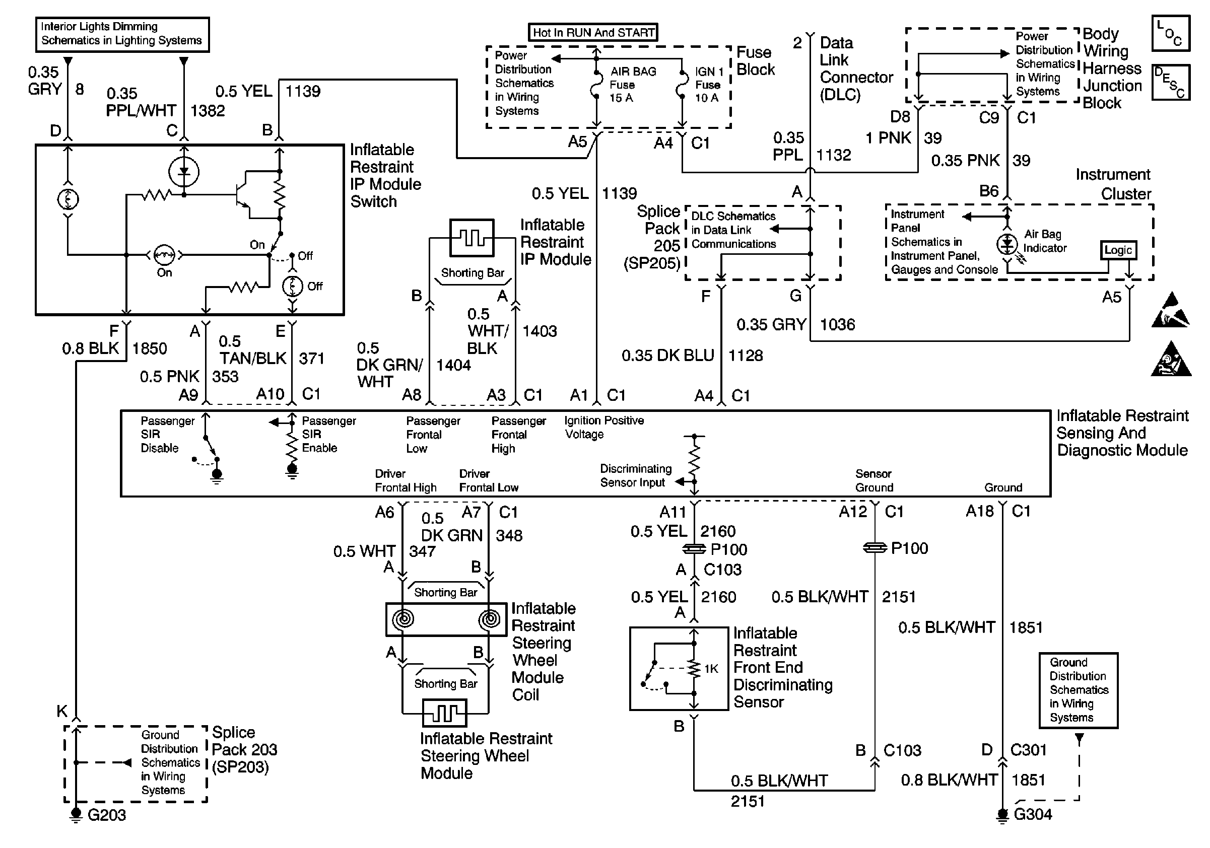
Figure 1:

DLC, Fuse Block, Discrim Sensor Diag. Module


Object Number: 449832  Size: FS
SIR Components
SIR System Operation
Side Impact Sensors, Diag. Module, Side Bags
Handling ESD Sensitive Parts Notice
SIR Handling Caution
Power Distribution Schematics
Power Distribution Schematics
Instrument Cluster: Analog Schematics
Data Link Connector Schematics
Power Distribution Schematics
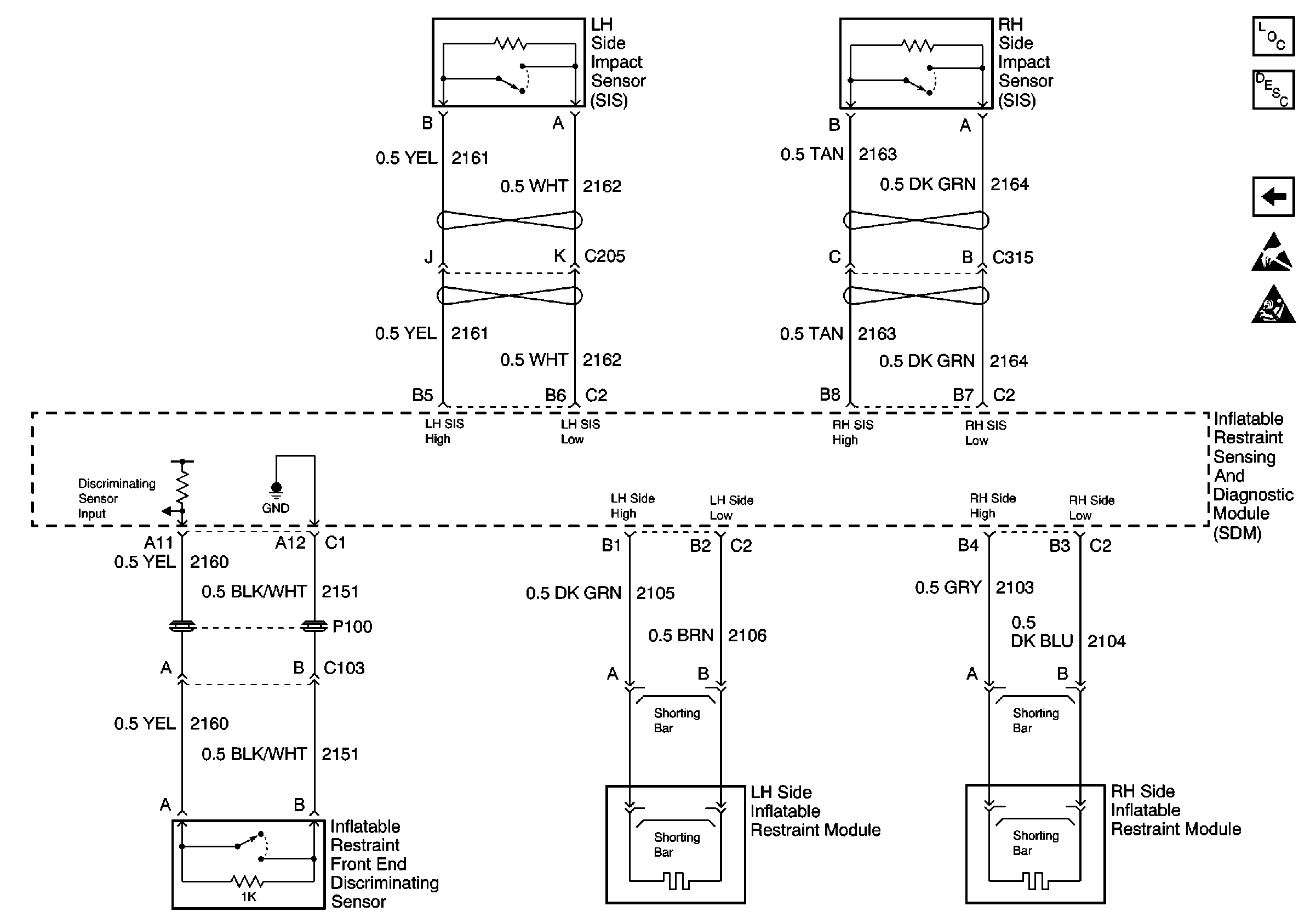
Figure 2:

Side Impact Sensors, Diag. Module, Side Bags


Object Number: 449844  Size: FS
SIR Components
SIR System Operation
DLC, Fuse Block, Discrim Sensor Diag. Module
Handling ESD Sensitive Parts Notice
SIR Handling Caution

SIR Schematics Pickup


Object Number: 475441  Size: FS
SIR Components
SIR System Component Description and Definitions
Handling ESD Sensitive Parts Notice
SIR Handling Caution
Ground Distribution Schematics
Ground Distribution Schematics
Power Distribution Schematics
Data Link Connector Schematics
Instrument Cluster: Analog Schematics
Power Distribution Schematics
Interior Lights Dimming Schematics Pickup