GM Service Manual Online
For 1990-2009 cars only
Makes
🢒
Chevrolet
🢒
2000
🢒
Chevy Suburban - 2WD
🢒
Body and Accessories
🢒
Wipers/Washer Systems
🢒 Wiper/Washer System (Rear) Schematics
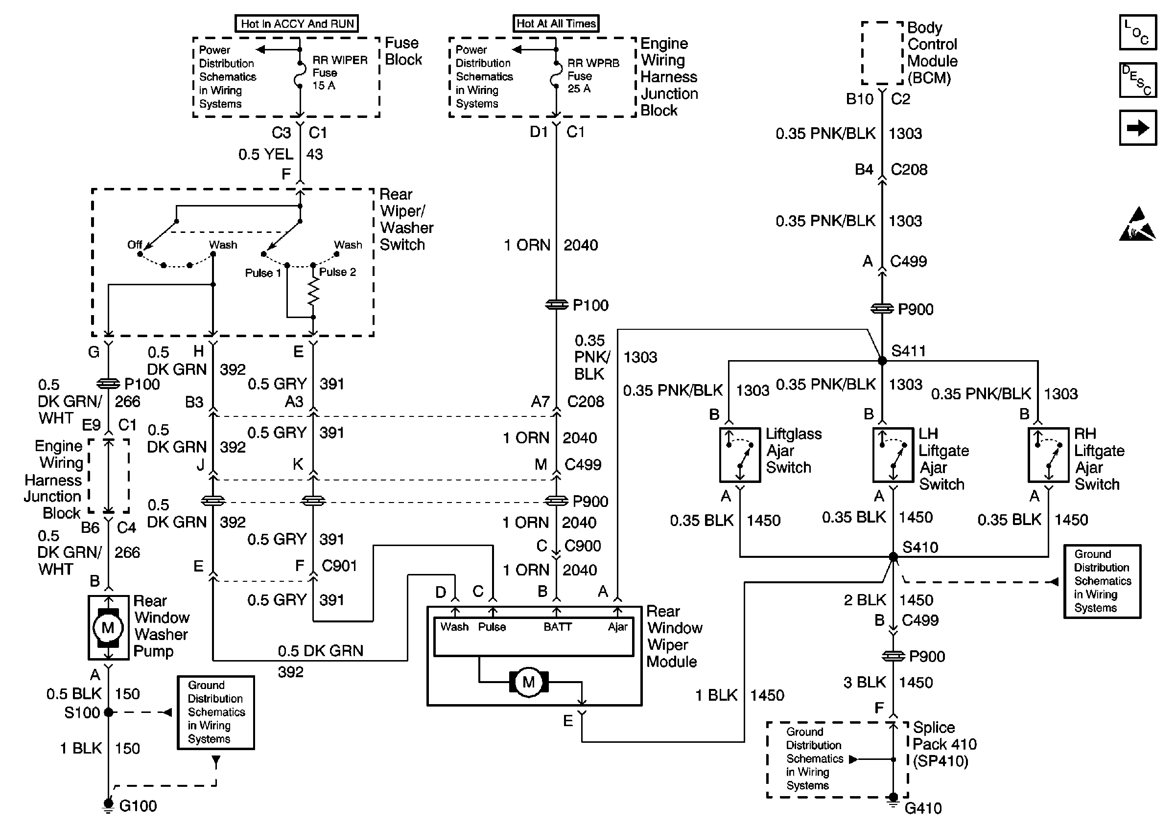
Figure
1:
Rear Wiper/Washer Switch, Fuse Block
Wiper/Washer System Components
Wiper/Washer System Circuit Description
IPC, Low Washer Fluid Switch- Utilities
Handling ESD Sensitive Parts Notice
Ground Distribution Schematics
Ground Distribution Schematics
Ground Distribution Schematics
Power Distribution Schematics
Power Distribution Schematics
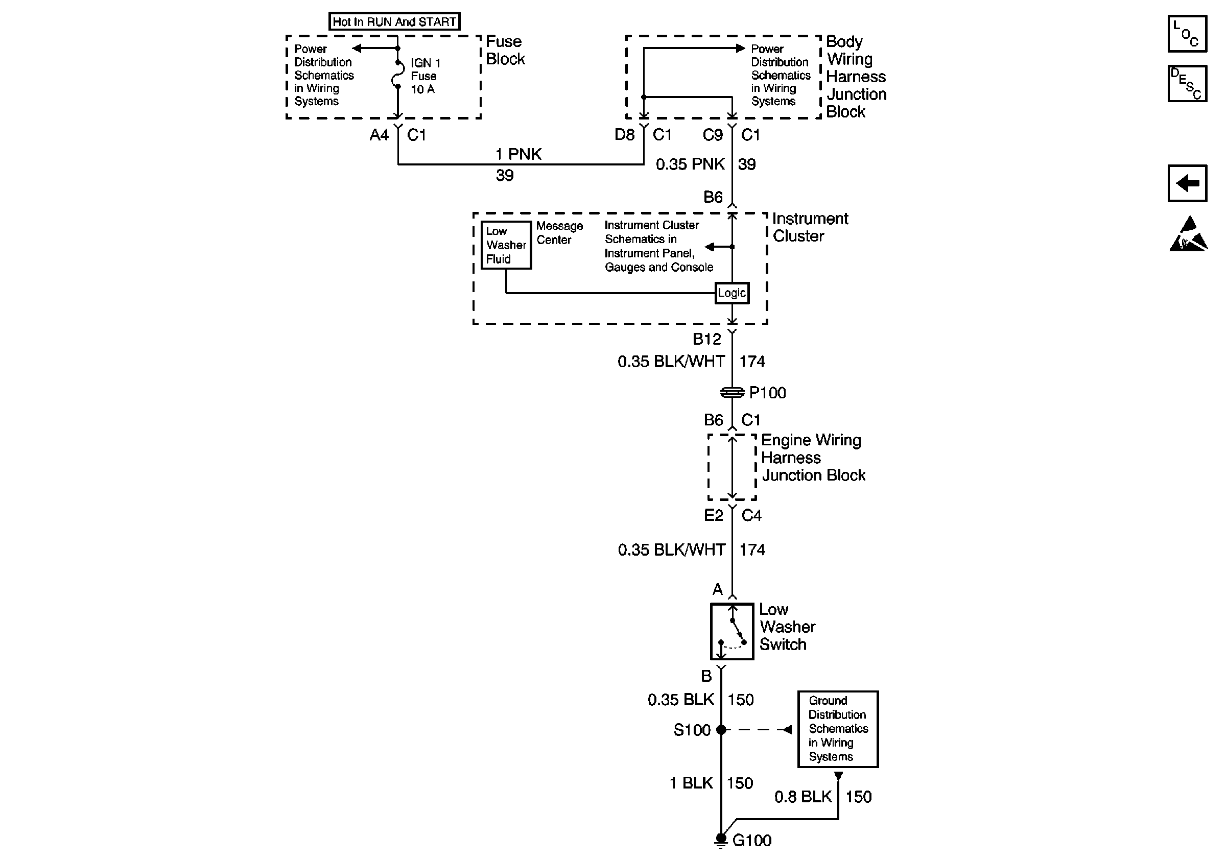
Figure
2:
IPC, Low Washer Fluid Switch-- Utilities
Wiper/Washer System Components
Wiper/Washer System Circuit Description
Rear Wiper/Washer Switch, Fuse Block
Handling ESD Sensitive Parts Notice
Power Distribution Schematics
Power Distribution Schematics
Instrument Cluster: Analog Schematics
Ground Distribution Schematics