GM Service Manual Online
For 1990-2009 cars only
Figure 1:

LF Radiator Support Components (8.1L)


Object Number: 750139  Size: LF
(1)Powertrain Control Module (PCM)
(2)PCM Connector C-1 and C-2
Figure 2:

Top Right Side of the Engine Components (8.1L)


Object Number: 656520  Size: MF
(1)Engine Harness
(2)Manifold Absolute Pressure (MAP) Sensor Connector
(3)Engine
(4)Engine Coil Harness Connector
(5)Engine Coil Connector
(6)Engine Coolant Temperature (ECT) Sensor Connector
Figure 3:

Lower Right Side of the Engine Components (8.1L)


Object Number: 656534  Size: MF
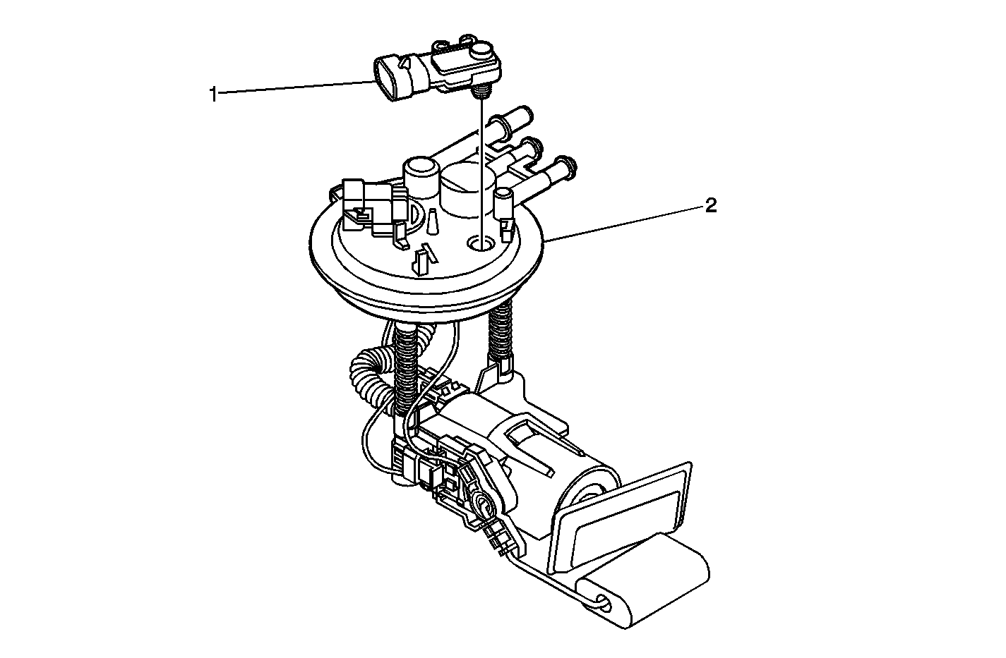
(1)A/C Compressor Clutch
(2)A/C Compressor Clutch Connector
(3)Engine Wiring Harness
(4)Engine Oil Level Sensor Connector
(5)Engine Knock Sensor (KS) - Bank 2 Connector
(6)Knock Sensor (KS) - Bank 2
(7)Starter Relay Output (S-Terminal Feed)
Figure 4:

Lower Left Side of the Engine Components (8.1L)


Object Number: 656528  Size: MF
(1)Engine-8.1L
(2)Engine Knock Sensor (KS) - Bank 1
(3)Engine Knock Sensor (KS) - Bank 1 Connector
(4)Engine Harness
(5)Engine Harness Ground (G103)
Figure 5:

Top Left Side of the Engine Components (8.1L)


Object Number: 656543  Size: MF
(1)Engine (8.1L)
(2)Injector Connector
(3)Coil Connector
(4)Throttle Position (TP) Sensor Connector
(5)Electronic Throttle Control (ETC) Connector
(6)Purge Valve Solenoid Connector
(7)Generator Connector
Figure 6:

RR of the Engine Compartment Components (8.1L)


Object Number: 656571  Size: MF
(1)Secondary Air Injection Reaction (AIR) Pump Connector
(2)AIR Solenoid Connector
(3)A/C Accumulator Connector
(4)Engine Wiring Harness
(5)A/C Accumulator
(6)Surge Tank Switch Connector
(7)Mass Air Flow (MAF) Switch Connector
(8)Air Cleaner
(9)AIR Pump Relay
(10)Radiator Surge Tank
(11)AIR Pump
Figure 7:

Underhood Junction Block (w/PTO)


Object Number: 656494  Size: MF
(1)Junction Block-Underhood
(2)Engine Wiring Harness
(3)Power Take Off (PTO) Relay
Figure 8:

Accelerator Pedal (8.1L)


Object Number: 751380  Size: MF
(1)Accelerator Pedal Position (APP) Sensor Connector
(2)Accelerator Pedal Position (APP) Sensor
Figure 9:

LR of the Engine Compartment Components (w/Electronic Throttle Controls)


Object Number: 656496  Size: MF
(1)Throttle Actuator Control (TAC) Module
(2)Throttle Actuator Control (TAC) Module Connector
(3)Junction Block-Underhood
Figure 10:

Throttle Actuator Control (TAC) Motor


Object Number: 776114  Size: MF
(1)Engine - 8.1L
(2)TAC Motor
Figure 11:

Exhaust Gas Recirculation (EGR) Valve


Object Number: 776119  Size: MF
(1)EGR Valve
(2)Engine - 8.1L
Figure 12:

LR Frame -- Emission Components (8.1L)


Object Number: 750140  Size: LF
(1)EVAP Canister Vent Solenoid Connector
(2)EVAP Canister Vent Solenoid
Figure 13:

Lower LF of the Engine Components (8.1L)


Object Number: 656525  Size: MF
(1)Engine-8.1L
(2)Camshaft Sensor
(3)Camshaft Sensor Connector
Figure 14:

Upper Rear of the Engine Components (8.1L)


Object Number: 750152  Size: LF
(1)EGR Connector
(2)Exhaust Gas Recirculation (EGR) Valve
(3)Crankshaft Position (CKP) Sensor Connector
(4)Crankshaft Position (CKP) Sensor
(5)Engine Oil Pressure (EOP) Sensor
(6)Engine Oil Pressure (EOP) Sensor Connector
Figure 15:

Top of the Engine Components -- Fuel Rail (8.1L)


Object Number: 776097  Size: MF
(1)Fuel Rail Assembly
(2)Fuel Injector
Figure 16:

LR Frame -- Primary Fuel Components (8.1L)


Object Number: 750151  Size: LF
(1)Fuel Pump and Sender Assembly Connector
(2)Fuel Pump and Sender Assembly
Figure 17:

LR Frame -- Secondary Fuel Components (8.1L)


Object Number: 750176  Size: LF
(1)Fuel Pump and Sender Assembly-Secondary
(2)Fuel Pump and Sender Assembly Connector
Figure 18:

Underhood Junction Block (8.1L)


Object Number: 750178  Size: LF
(1)Fuel Pump Relay-Secondary
Figure 19:

Fuel Tank Components -- Primary (8.1L)


Object Number: 776123  Size: MF
(1)Fuel Tank Pressure Sensor
(2)Fuel Sender Assembly
(3)Fuel Level Sensor Assembly
Figure 20:

Fuel Tank Components -- Secondary (8.1L)


Object Number: 776129  Size: MF
(1)Secondary Fuel Pressure Sensor
(2)Secondary Fuel Sender Assembly
Figure 21:

Oxygen Sensor - Bank 1 Sensor 1 (8.1L)


Object Number: 776138  Size: MF
(1)Oxygen Sensor - Bank 1 Sensor 1
(2)Oxygen Sensor Connector
Figure 22:

Oxygen Sensor - Bank 1 Sensor 2 (8.1L)


Object Number: 776149  Size: MF
(1)Oxygen Sensor Connector
(2)Oxygen Sensor - Bank 1 Sensor 2
Figure 23:

Oxygen Sensor - Bank 2 Sensor 1 (8.1L)


Object Number: 776132  Size: MF
(1)Oxygen Sensor - Bank 2 Sensor 1
(2)Oxygen Sensor Connector
Figure 24:

Oxygen Sensor - Bank 2 Sensor 2 (8.1L)


Object Number: 776142  Size: MF
(1)Oxygen Sensor - Bank 2 Sensor 2
(2)Oxygen Sensor Connector