GM Service Manual Online
For 1990-2009 cars only
Makes
🢒
Chevrolet
🢒
2002
🢒
Chevy Suburban - 2WD
🢒
Engine
🢒
Engine Electrical
🢒 Starting and Charging Schematics
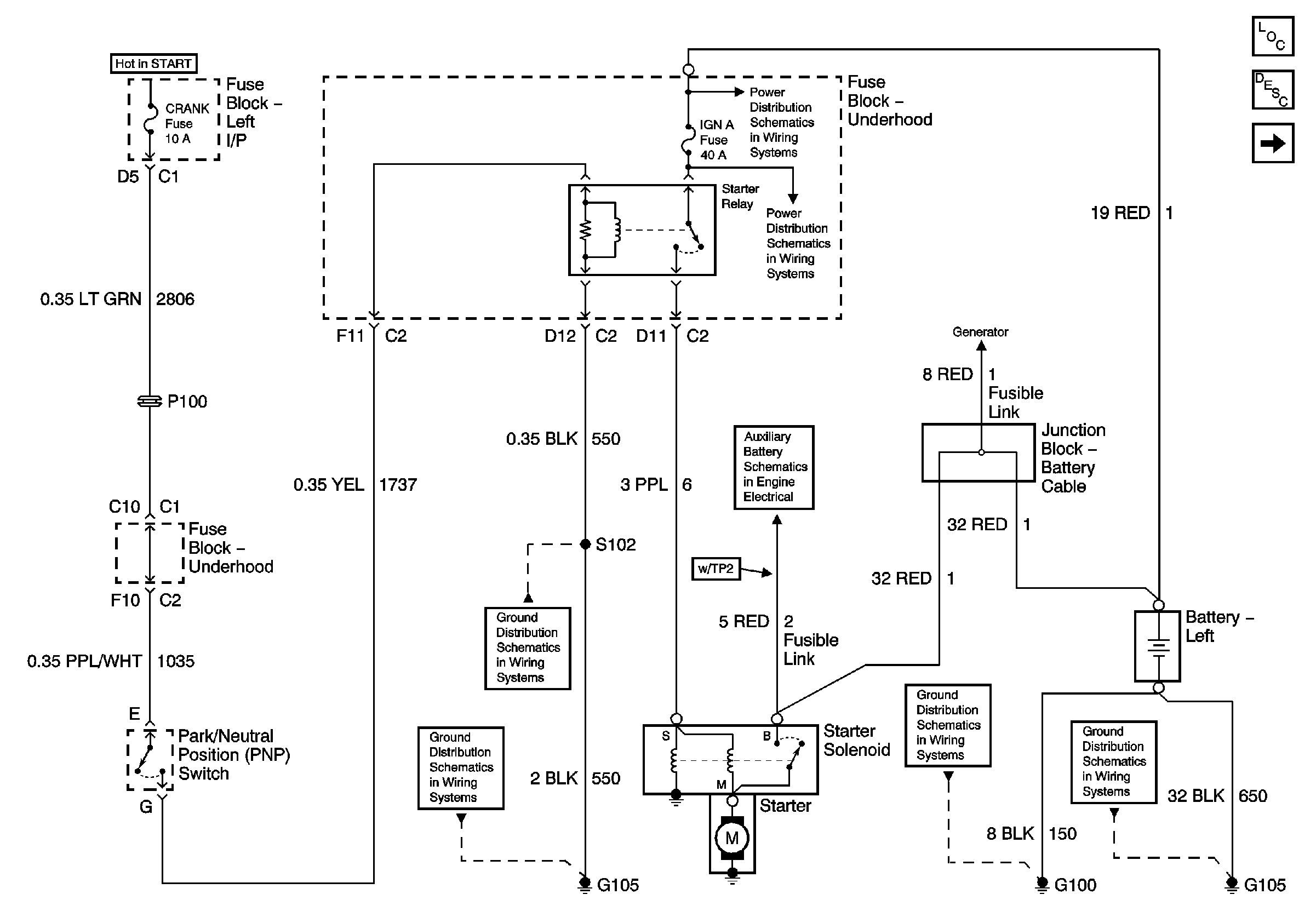
Figure
1:
Starting System
Master Electrical Component List
Starting System Description and Operation
Charging System
IGNITION, RUN, and START Bus Bar
IGNITION, RUN, and START Bus Bar
G103, G105, and G106
G100 and G110
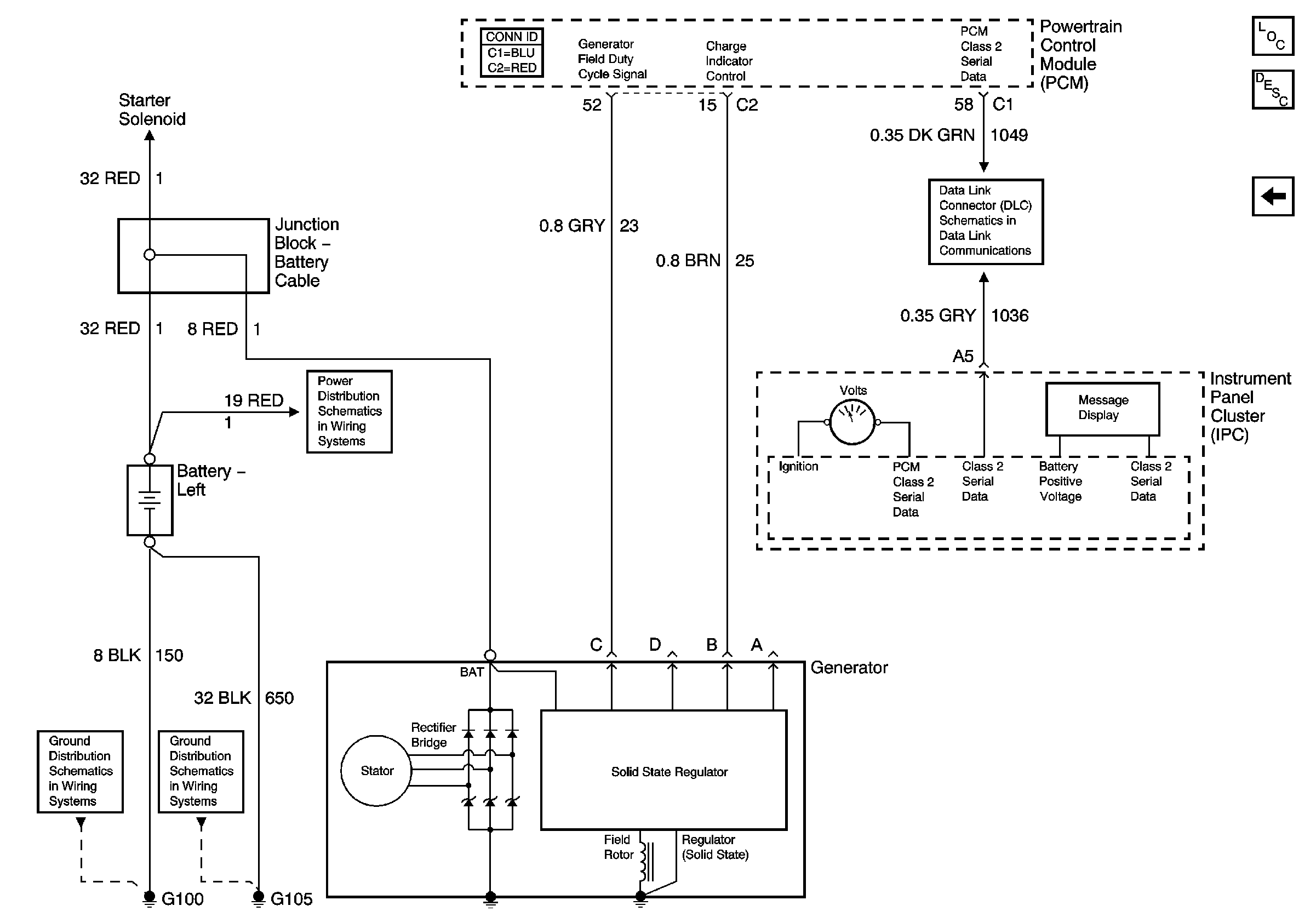
Figure
2:
Charging System
Master Electrical Component List
Charging System Description and Operation W/O Generator/Battery Control Module
Starting System
IGNITION, RUN, and START Bus Bar
Splice Pack SP205
HTD MIR, RR DEFOG Fuses, and RR DEFOG Relay
B+ Bus Bar
Gages, VSS, and Engine Oil Signals
G103, G105, and G106
G103, G105, and G106
G103, G105, and G106
G100 and G110