GM Service Manual Online
For 1990-2009 cars only
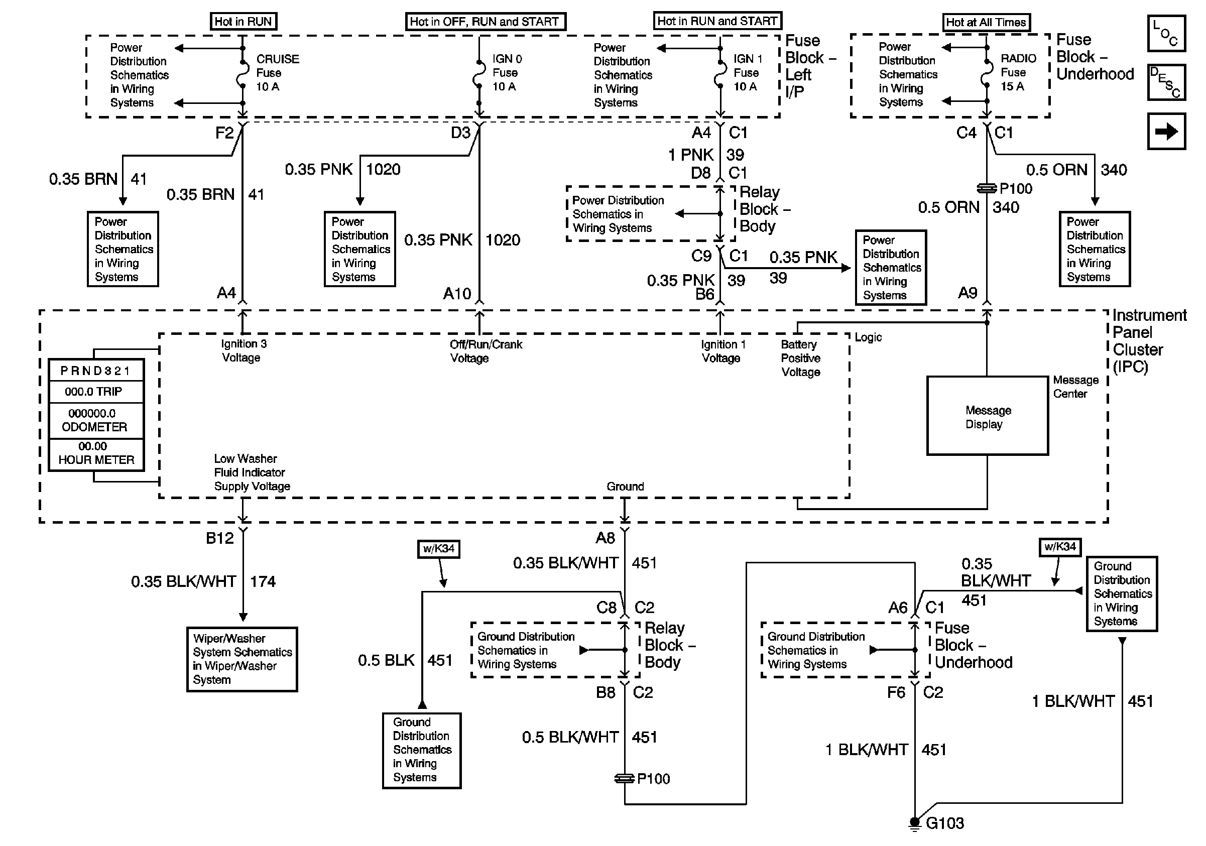
Figure 1:

Power and Ground


Object Number: 744944  Size: FS
Master Electrical Component List
Instrument Cluster Description and Operation
Indicators and Serial Data
BRAKE, CRUISE, HTR A/C, RR WPR, WS WPR, and SEO ACCY Fuses
BRAKE, CRUISE, HTR A/C, RR WPR, WS WPR, and SEO ACCY Fuses
RTD, RDO AMP, CRANK, and IGN 0 Fuses
IGN 1, SEO IGN, and AIR BAG Fuses
IGN 1, SEO IGN, and AIR BAG Fuses
IGN 1, SEO IGN, and AIR BAG Fuses
AIR, RADIO, ECM B, FRT HVAC, and CIGAR Fuses
AIR, RADIO, ECM B, FRT HVAC, and CIGAR Fuses
Wiper/Washer Control - Front
G103, G105, and G106
G103, G105, and G106
G103, G105, and G106
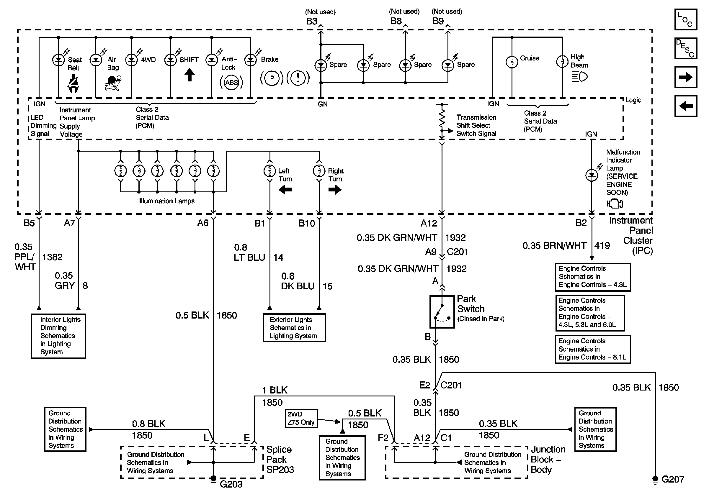
Figure 2:

Indicators and Serial Data


Object Number: 744945  Size: FS
Master Electrical Component List
Instrument Cluster Description and Operation
Gages, VSS, and Engine Oil Signals
Power and Ground
LED Dimming Control, IPC, Cargo/Fog Lamp Switch and DIC
Park/Turn Signal Lamps
G203 - 1 of 4
G203 - 1 of 4
G203 - 3 of 4
G203 - 3 of 4
Module Power, Ground, Serial Data and MIL
Module Power, Ground, Serial Data and MIL
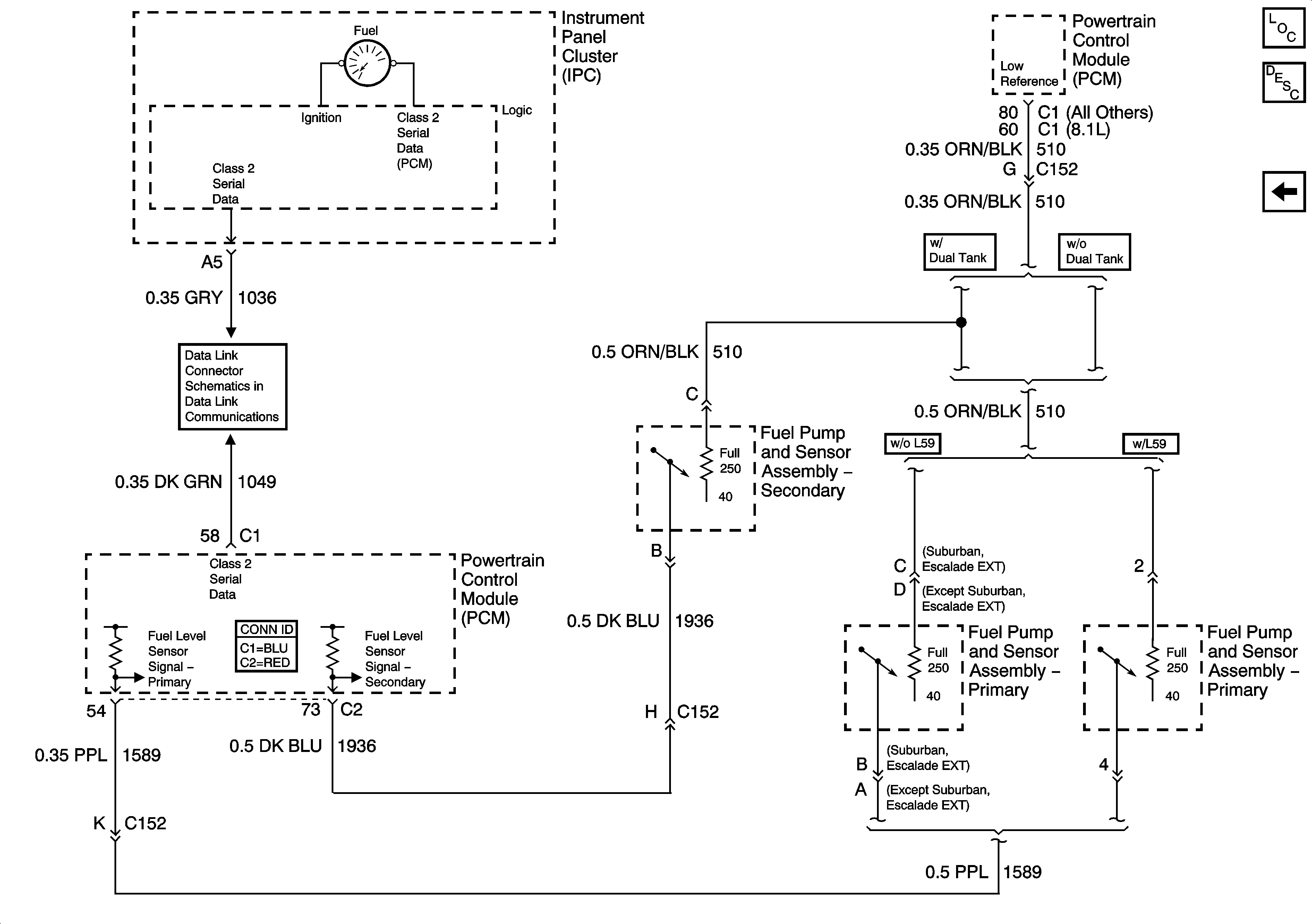
Figure 3:

Gauges, VSS, and Engine Oil Signals


Object Number: 744947  Size: FS
Master Electrical Component List
Instrument Cluster Description and Operation
Fuel Gauge and Fuel Pump and Sender Assembly
Indicators and Serial Data
Splice Pack SP205
G103, G105, and G106
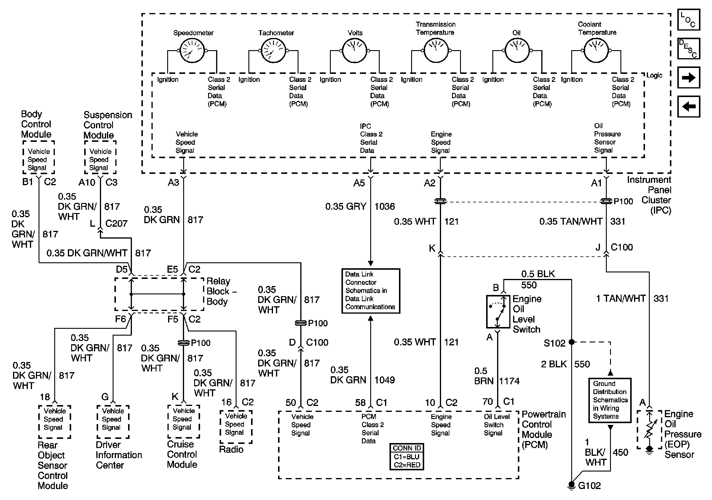
Figure 4:

Fuel Gage and Fuel Pump and Sender Assembly


Object Number: 754204  Size: FS
Master Electrical Component List
Instrument Cluster Description and Operation
Gages, VSS, and Engine Oil Signals
Splice Pack SP205