GM Service Manual Online
For 1990-2009 cars only
Makes
🢒
Chevrolet
🢒
2002
🢒
Chevy Suburban - 2WD
🢒
Body and Accessories
🢒
Theft Deterrent - Immobilizer - Some Export Vehicles
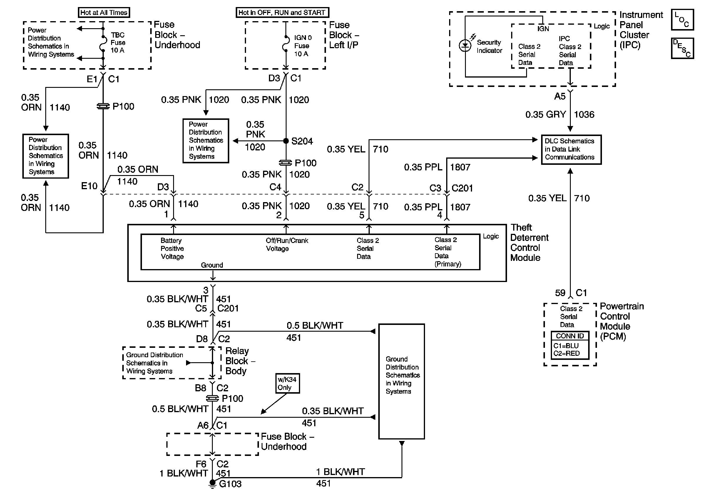
🢒 Theft Deterrent System Schematics
Vehicle Theft Deterrent (VTD) System
Master Electrical Component List
Vehicle Theft Deterrent (VTD) Description and Operation
TBC, FOG LP, LT HDLP, and RT HDLP Fuses
TBC, FOG LP, LT HDLP, and RT HDLP Fuses
RTD, RDO AMP, CRANK, and IGN 0 Fuses
Splice Pack SP205
G103, G105, and G106
G103, G105, and G106