GM Service Manual Online
For 1990-2009 cars only
Makes
🢒
Chevrolet
🢒
2002
🢒
Chevy Suburban - 2WD
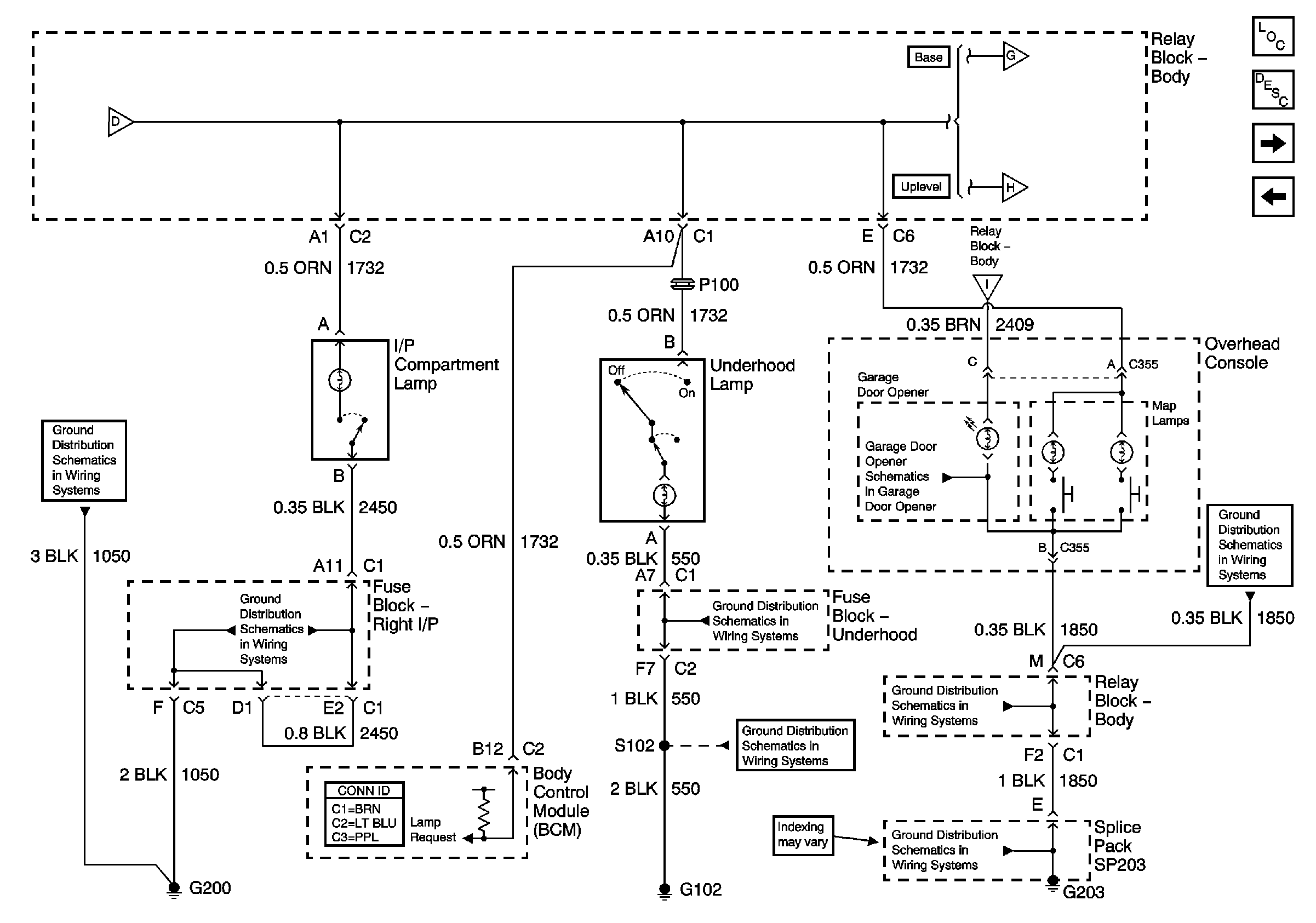
🢒 I/P Compartment, Underhood and Map Lamps
I/P Compartment, Underhood and Map Lamps
Courtesy Lamp Supply - 3 of 5
Master Electrical Component List
Interior Lighting Systems Description and Operation
Vanity Mirror, Map and Courtesy Reading Lamps (Uplevel)
Courtesy Lamp Control
Courtesy Lamp Control
Vanity Mirror, Map and Courtesy Reading Lamps (Uplevel)
Vanity Mirror, Map and Courtesy Reading Lamps (Luxury)
Interior Parklamp Supply - 2 of 3
G200 - 1 of 2
G200 - 1 of 2
G104
G104
Door Dimming
G203 - 4 of 4
G203 - 1 of 4
G203 - 4 of 4