GM Service Manual Online
For 1990-2009 cars only
Makes
🢒
Chevrolet
🢒
2002
🢒
Chevy Suburban - 2WD
🢒 Driver - w/o Z75
Driver - w/o Z75
Driver - w/o Z75
Master Electrical Component List
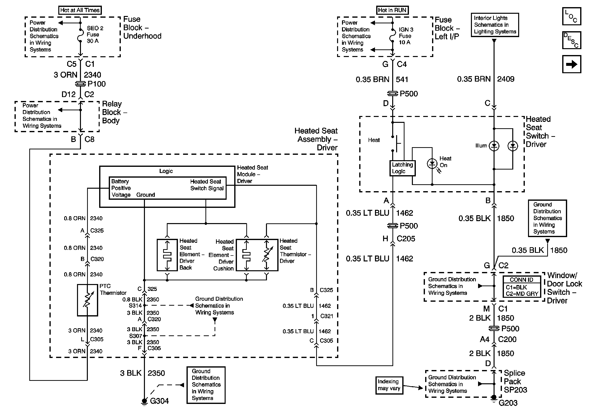
Heated Seats Description and Operation
Driver - w/Z75
SEO 1, SEO 2, and AUX PWR Fuses
SEO 1, SEO 2, and AUX PWR Fuses
IGN 3 Fuse
Park Lamp Control, INTPRK and PARK LPS Fuse
G304
G304
G203 - 2 of 4
G203 - 2 of 4
G203 - 1 of 4