GM Service Manual Online
For 1990-2009 cars only
Makes
🢒
Chevrolet
🢒
2002
🢒
Chevy Suburban - 2WD
🢒 2002 Power Sunroof
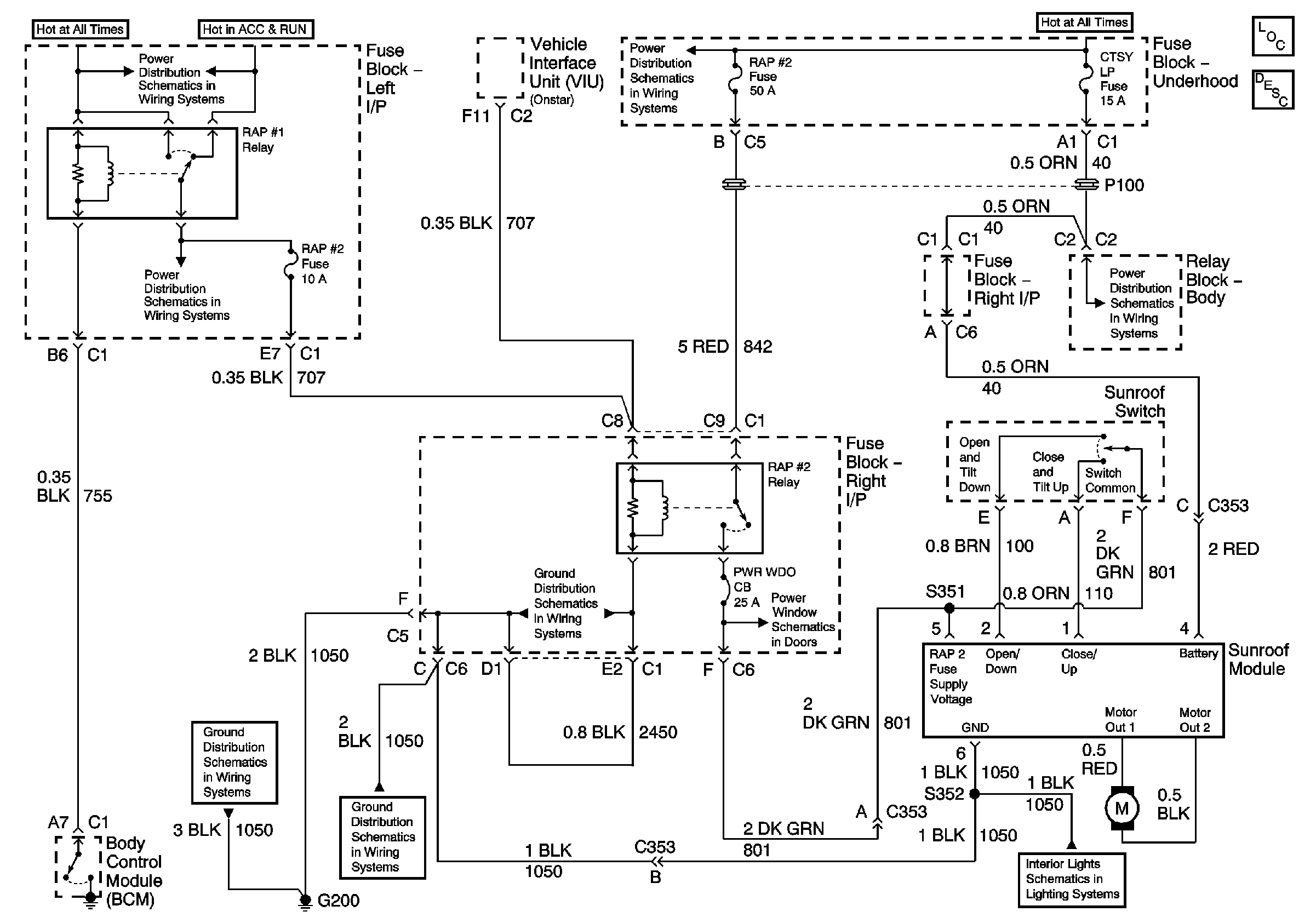
2002 Power Sunroof
IGNITION, RUN, ACCESSORY, and RAP Bus Bars - RAP #1 and RAP #2 Fuses
IGNITION, RUN, ACCESSORY, and RAP Bus Bars - RAP #1 and RAP #2 Fuses
G200 - 1 of 2
G200 - 1 of 2
G200 - 1 of 2
IGNITION, RUN, ACCESSORY, and RAP Bus Bars - RAP #1 and RAP #2 Fuses
RAP Relay Controls
ABS, HAZ LP, STUD 1, STUD 2, CTSY LP, and PARK LP Fuses
Interior Park Lamps Supply - 2 of 2
Master Electrical Component List
Sunroof Description and Operation