GM Service Manual Online
For 1990-2009 cars only
Makes
🢒
Chevrolet
🢒
2002
🢒
Chevy Suburban - 2WD
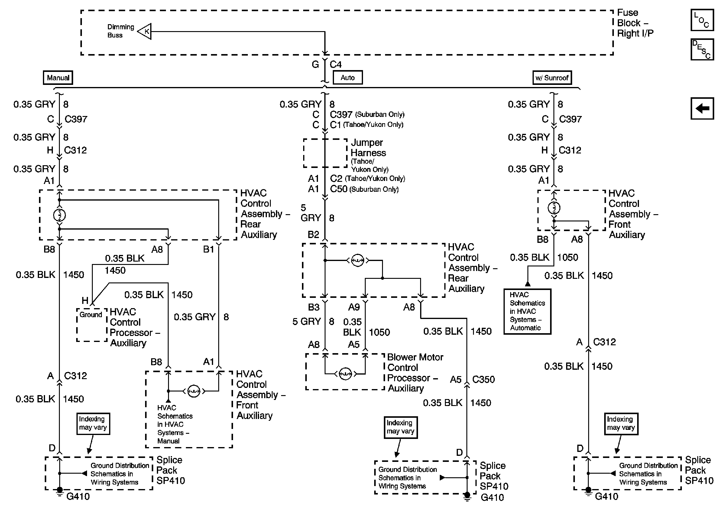
🢒 HVAC Auxiliary Control
HVAC Auxiliary Control
HVAC Auxiliary Control
Master Electrical Component List
Interior Lighting Systems Description and Operation
RPA and Vehicle Stability Switches
RPA and Vehicle Stability Switches
G410 - 1 of 2
G410 - 1 of 2
G410 - 1 of 2
G410 - 1 of 2
Auxiliary Blower Controls (w/o Sunroof) - Device Controls (w/Heat or A/C Only)
Auxiliary Blower Controls (w/Sunroof) - (w/Heat and A/C)