GM Service Manual Online
For 1990-2009 cars only
Makes
🢒
Chevrolet
🢒
2006
🢒
Chevy Suburban - 2WD
🢒
Engine
🢒
Engine Electrical
🢒 Starting and Charging Schematics
Figure
1:
Starting
Master Electrical Component List
Starting System Description and Operation
Control Module References
Charging - 1500 Series
Ignition Switch - ACCY/RUN, and RUN/START Busses, and IGN B Fuses
B+ Bus - 1 of 2
Ignition Switch - ACCY/RUN/START, RUN, and START Busses, IGN A and CRANK Fuses
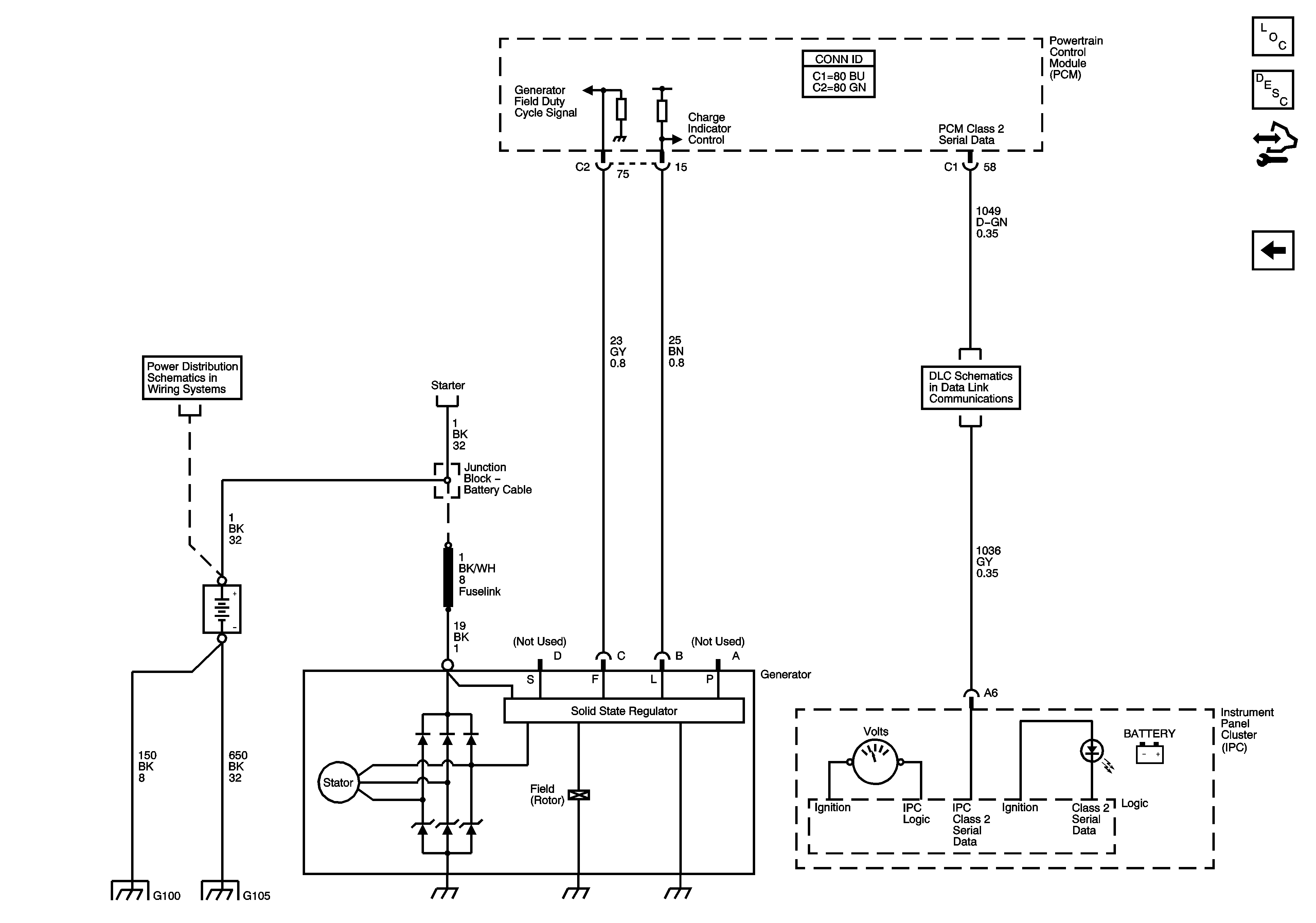
Charging - 1500 Series
Charging - 2500 Series
B+ Bus - 1 of 2
G100, G105 1 of 4
Figure
2:
Charging - 1500 Series
Master Electrical Component List
Charging System Description and Operation (Generator/Battery Control Module)
Control Module References
Charging - 2500 Series
Starting
B+ Bus - 1 of 2
Starting
Power, Ground, DLC and Splice Pack SP205
B+ Bus - 1 of 2
G102 and G103
Power, Ground, DLC and Splice Pack SP205
G100, G105 1 of 4
Figure
3:
Charging - 2500 Series
Master Electrical Component List
Charging System Description and Operation (Generator/Battery Control Module)
Control Module References
Charging - 1500 Series
B+ Bus - 1 of 2
Starting
Power, Ground, DLC and Splice Pack SP205
G100, G105 1 of 4