GM Service Manual Online
For 1990-2009 cars only
Makes
🢒
Chevrolet
🢒
2006
🢒
Chevy Suburban - 2WD
🢒
Body
🢒
Instrument Panel, Gages, and Console
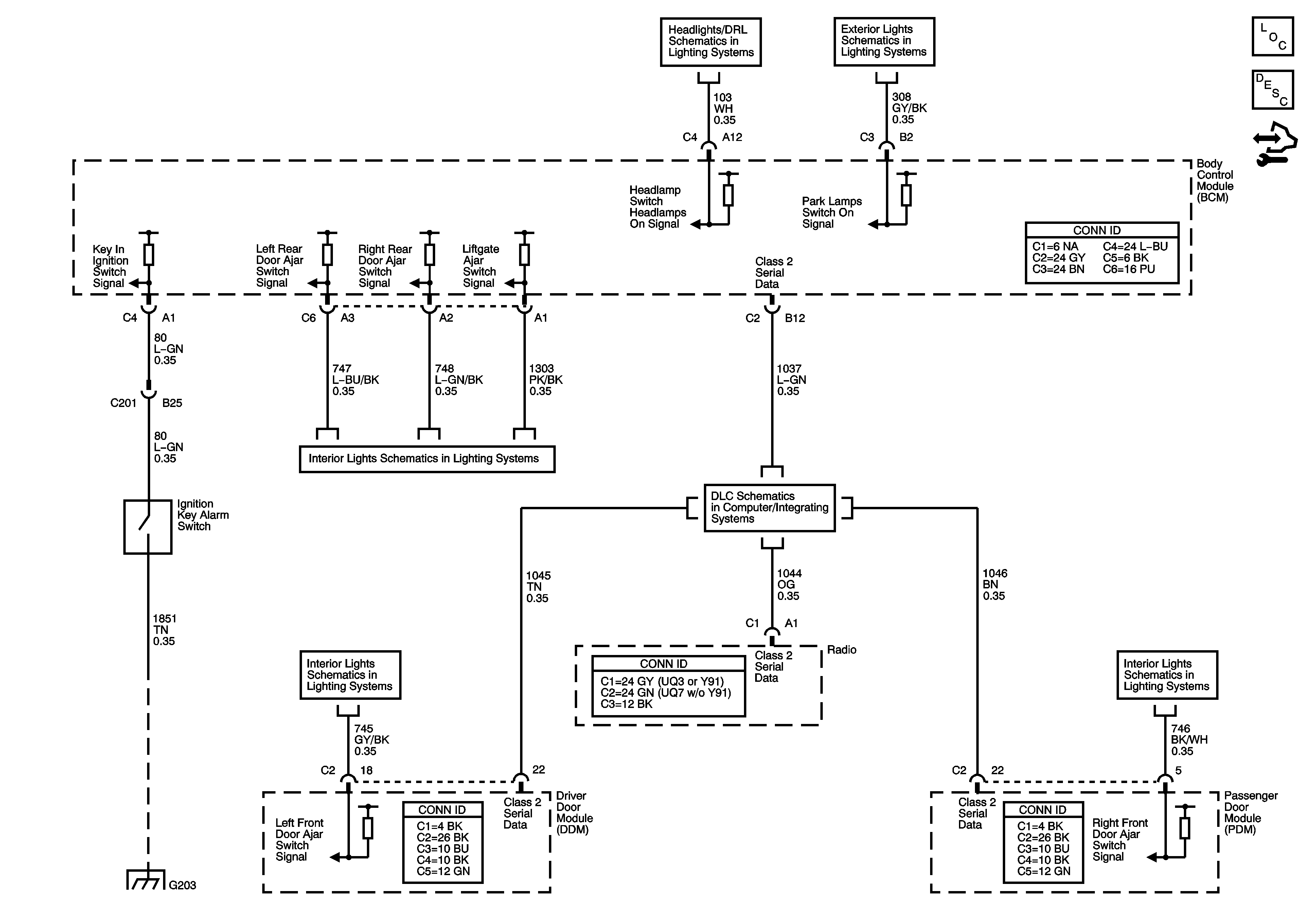
🢒 Audible Warnings Schematics
Master Electrical Component List
Audible Warnings Description and Operation
Control Module References
Headlights/DRL Controls
Park Lamp Relay - w/o VD1
Door Switch Inputs and Door Courtesy Lamps
Power, Ground, DLC and Splice Pack SP205
Door Switch Inputs and Door Courtesy Lamps
Door Switch Inputs and Door Courtesy Lamps
G203 3 of 3