GM Service Manual Online
For 1990-2009 cars only
Figure 1:

Headlamp Switches, Courtesy Lamp and Inadvertent Voltage Supplies


Object Number: 1608311  Size: FS
Master Electrical Component List
Interior Lighting Systems Description and Operation
Control Module References
Interior Lamps - Tahoe, Yukon, and Escalade
Headlights/DRL Controls
G203 2 of 3
Interior Lamps - Tahoe, Yukon, and Escalade
Interior Lamps - Avalanche and Escalade EXT
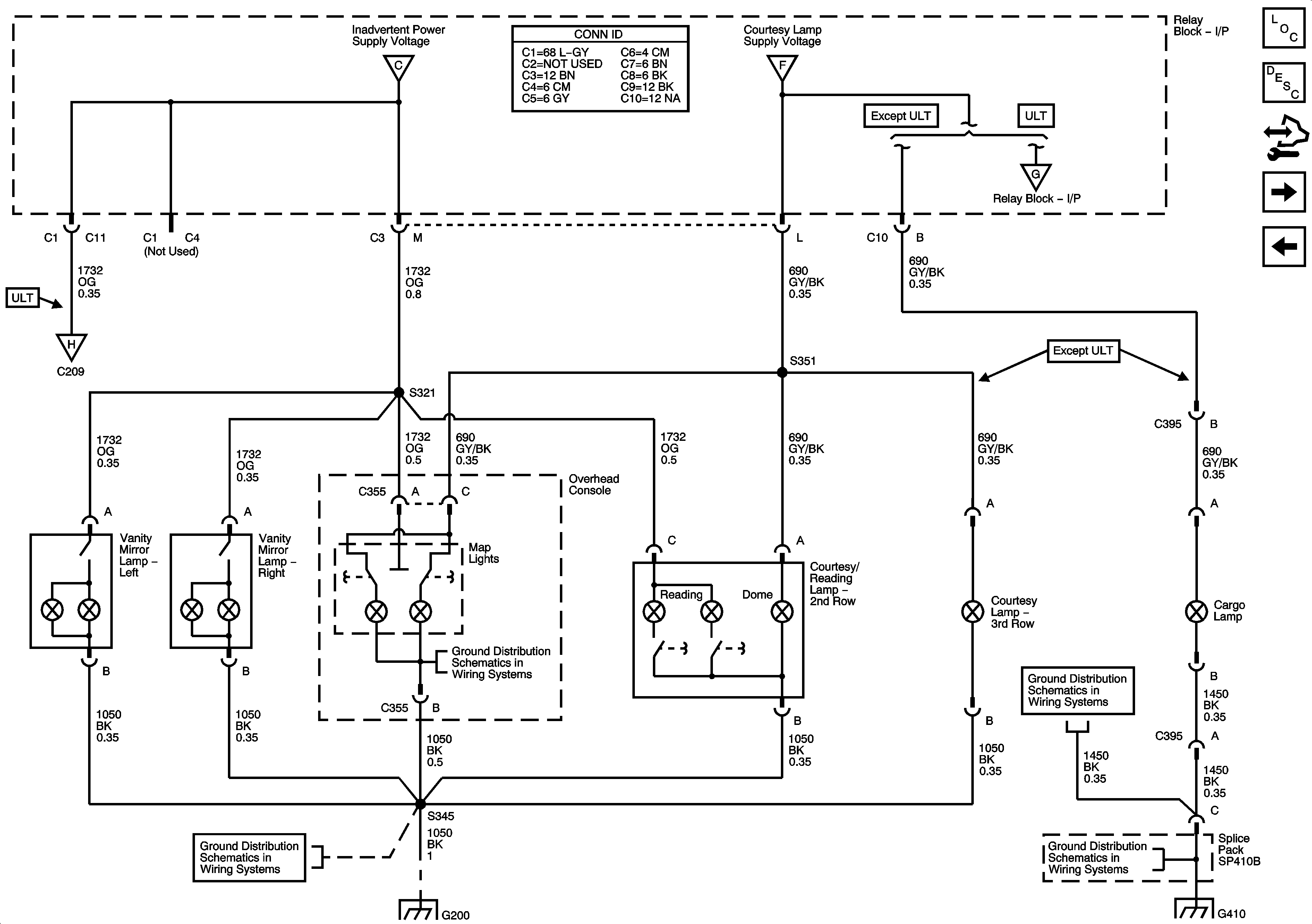
Interior Lamps - Suburban, Yukon XL, and Escalade ESV w/o ULT
Interior Lamps - Tahoe, Yukon, and Escalade
Interior Lamps - Avalanche and Escalade EXT
Interior Lamps - Suburban, Yukon XL, and Escalade ESV w/o ULT
Figure 2:

Interior Lamps - Tahoe, Yukon, and Escalade


Object Number: 1608314  Size: FS
Master Electrical Component List
Interior Lighting Systems Description and Operation
Control Module References
Interior Lamps - Avalanche and Escalade EXT
Headlamp Switches, Courtesy Lamp and Inadvertent Voltage Supplies
Headlamp Switches, Courtesy Lamp and Inadvertent Voltage Supplies
Headlamp Switches, Courtesy Lamp and Inadvertent Voltage Supplies
G200 3 of 3
G200 3 of 3
G200 3 of 3
Figure 3:

Interior Lamps - Avalanche and Escalade EXT


Object Number: 1608317  Size: FS
Master Electrical Component List
Interior Lighting Systems Description and Operation
Control Module References
Interior Lamps - Suburban, Yukon XL, and Escalade ESV w/o ULT
Interior Lamps - Tahoe, Yukon, and Escalade
Headlamp Switches, Courtesy Lamp and Inadvertent Voltage Supplies
Headlamp Switches, Courtesy Lamp and Inadvertent Voltage Supplies
G200 3 of 3
G200 3 of 3
G200 3 of 3
G203 1 of 3
I/P Dimming Supply Voltage - 4 of 8
Figure 4:

Interior Lamps - Suburban, Yukon XL, and Escalade ESV w/o ULT


Object Number: 1608321  Size: FS
Master Electrical Component List
Interior Lighting Systems Description and Operation
Control Module References
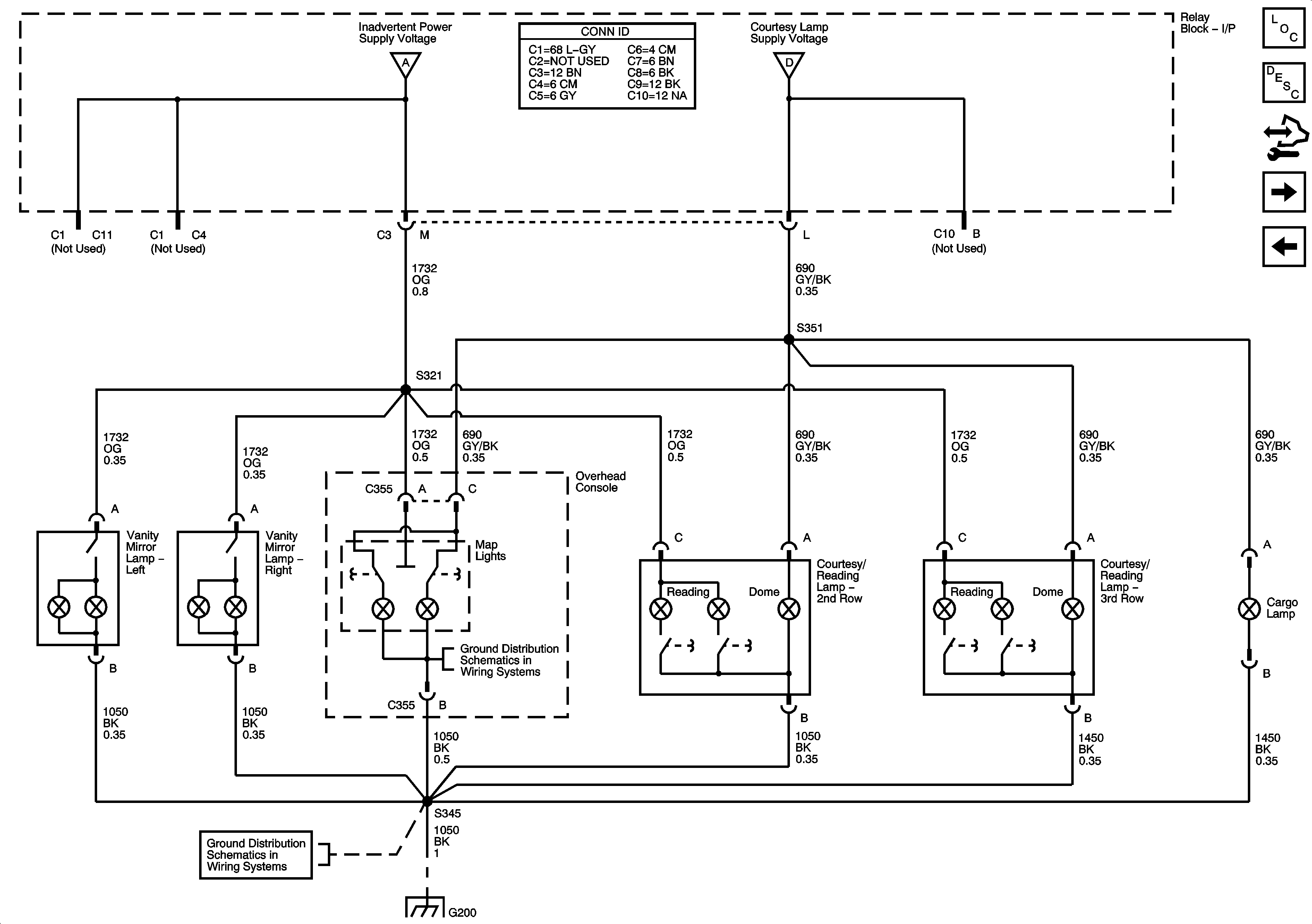
Interior Lamps - 3rd Row and Cargo - Escalade ESV w/ ULT
Interior Lamps - Avalanche and Escalade EXT
Interior Lamps - 3rd Row and Cargo - Escalade ESV w/ ULT
Headlamp Switches, Courtesy Lamp and Inadvertent Voltage Supplies
Headlamp Switches, Courtesy Lamp and Inadvertent Voltage Supplies
Interior Lamps - 3rd Row and Cargo - Escalade ESV w/ ULT
G410 1 of 3
G410 1 of 3
G410 1 of 3
G200 3 of 3
G200 3 of 3
G200 3 of 3
Figure 5:

Interior Lamps - Escalade ESV w/ULT


Object Number: 1608324  Size: FS
Master Electrical Component List
Interior Lighting Systems Description and Operation
Control Module References
Door Switch Inputs and Door Courtesy Lamps
Interior Lamps - Suburban, Yukon XL, and Escalade ESV w/o ULT
Interior Lamps - Suburban, Yukon XL, and Escalade ESV w/o ULT
Interior Lamps - Suburban, Yukon XL, and Escalade ESV w/o ULT
G410 1 of 3
G410 1 of 3
G410 1 of 3
Figure 6:

Switch Inputs and Door Courtesy Lamps


Object Number: 1608327  Size: FS
Master Electrical Component List
Interior Lighting Systems Description and Operation
Control Module References
Interior Lamps - 3rd Row and Cargo - Escalade ESV w/ ULT
Power, Ground, DLC and Splice Pack SP205
Rear Wiper/Washer Control
G304 and G305
G306
G410 1 of 3