GM Service Manual Online
For 1990-2009 cars only

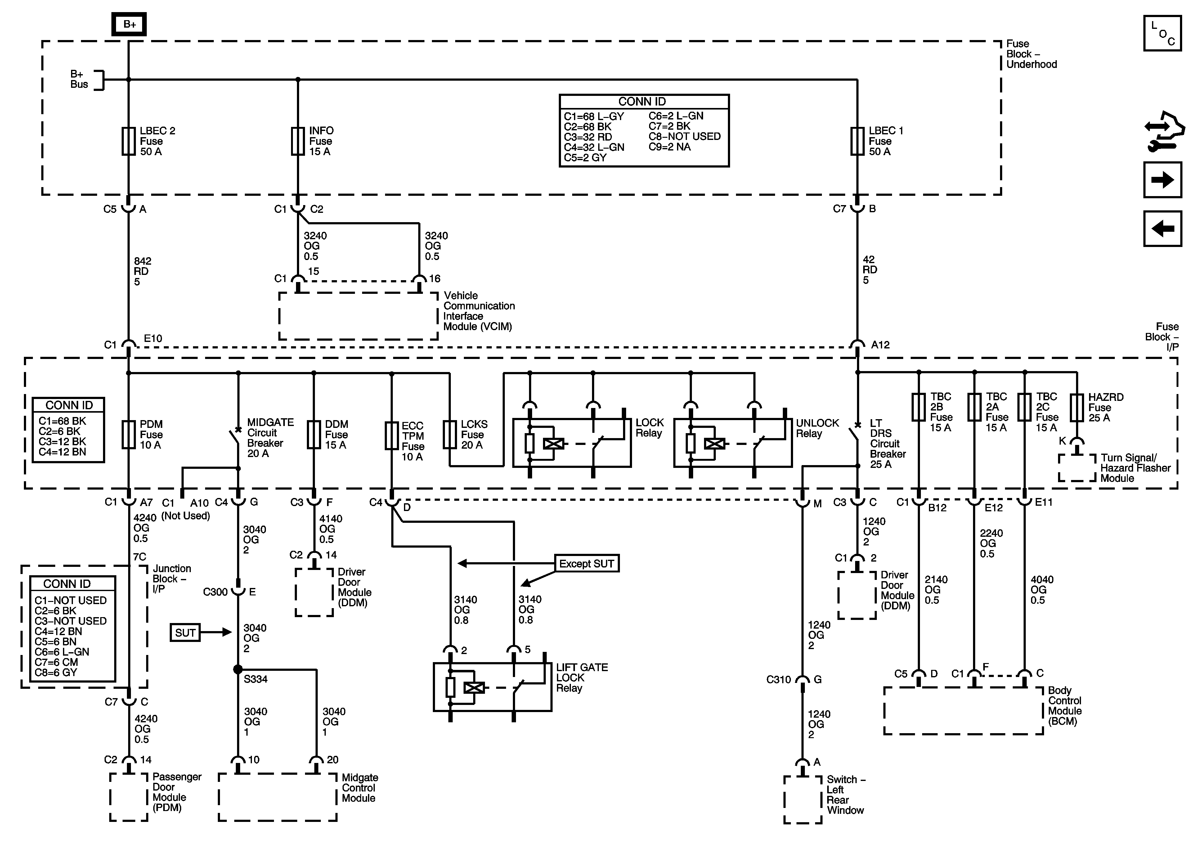
DDM, INFO, LBEC 1, LBEC 2, LGATE, LOCKS, PDM, TBC 2A, TBC 2B, and TBC 2C Fuses and LEFT DOOR and MIDGATE Circuit Breakers

DDM, INFO, LBEC 1, LBEC 2, LGATE, LOCKS, PDM, TBC 2A, TBC 2B, and TBC 2C Fuses and LEFT DOOR and MIDGATE Circuit Breakers


Object Number: 1566809  Size: FS
Master Electrical Component List
Control Module References
4WS, RR DEFOG, RR WPR, STOP LP, VEH CHMSL, and VEH STOP Fuses
STUD #2, OFF-ROAD LAMP SWITCH, OFF-ROAD LAMPS 1, and OFF-ROAD LAMPS 2 Fuses
B+ Bus
B+ Bus