GM Service Manual Online
For 1990-2009 cars only
Makes
🢒
Chevrolet
🢒
2006
🢒
Chevy Suburban - 2WD
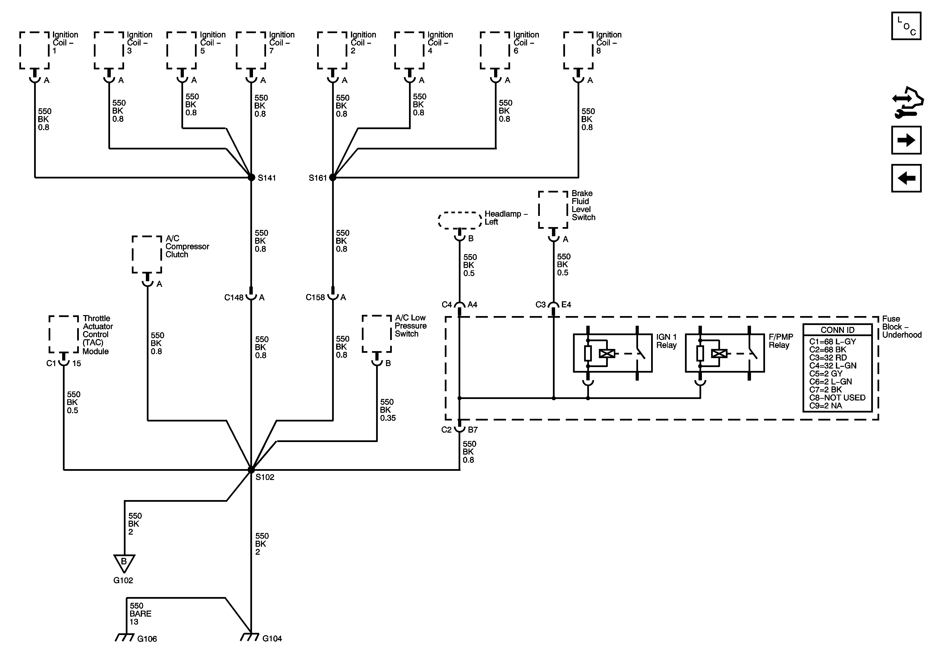
🢒 G104 and G106
G104 and G106
G104 and G106
Master Electrical Component List
Control Module References
G200
G102 and G103
G102 and G103