GM Service Manual Online
For 1990-2009 cars only
Makes
🢒
Chevrolet
🢒
2006
🢒
Chevy Suburban - 2WD
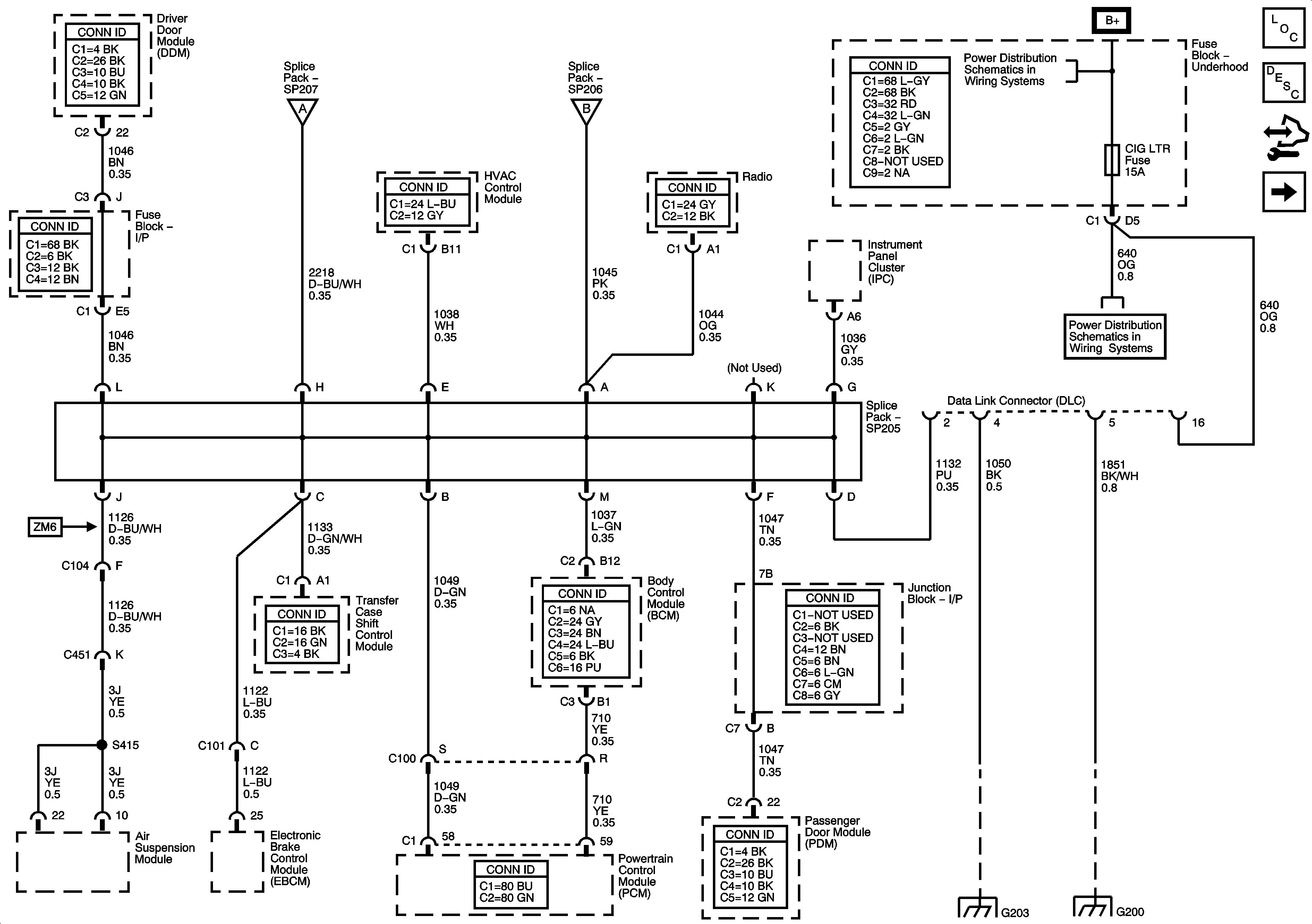
🢒 Power, Ground, Data Link Connector, and SP205
Power, Ground, Data Link Connector, and SP205
Power, Ground, Data Link Connector, and SP205
Master Electrical Component List
Data Link Communications Description and Operation
Control Module References
SP206 and SP207
SP206 and SP207
SP206 and SP207
B+ Bus
AUX PWR, CIG LTR, RADIO, RADIO AMP, and SUNROOF Fuses
AUX PWR, CIG LTR, RADIO, RADIO AMP, and SUNROOF Fuses
G203 - 1 of 3
G200