GM Service Manual Online
For 1990-2009 cars only

ENGINE DRIVEABILITY-SURGE AND DETONATION-DIAG. REPLACE PARTS

SUBJECT: ENGINE DRIVEABILITY - SURGE HOT/COLD, DETONATION (DIAGNOSIS REPLACEMENT PARTS)

VEHICLES AFFECTED: 1987-89 C/K, R/V AND G/P TRUCKS WITH 7.4L ENGINE (VIN CODE "N")

THIS CANCELS AND REPLACES THE FOLLOWING BULLETINS # 88-674-103, #88-674-102 AND #89-674-102. ALL COPIES OF THESE BULLETINS SHOULD BE DESTROYED.

Condition:

---------- Some owners of 1987-89 C/K, R/V and G/P trucks with 7.4L engine may experience the following:

1. Surge on acceleration and/or at road load speeds

2. False Service Engine Soon Light - Code 32 (EGR)

3. Poor driveability during warm up

4. Detonation under load

Correction:

----------- 1. On 1987-89 models, check for vacuum leaks including;

A. TBI Base gasket to adaptor

B. TBI Adaptor to TBI

C. Re-torque intake manifold to 30 ft. lbs.

2. On 1987-89 models, check base timing (Spec. 4 degrees BTDC).

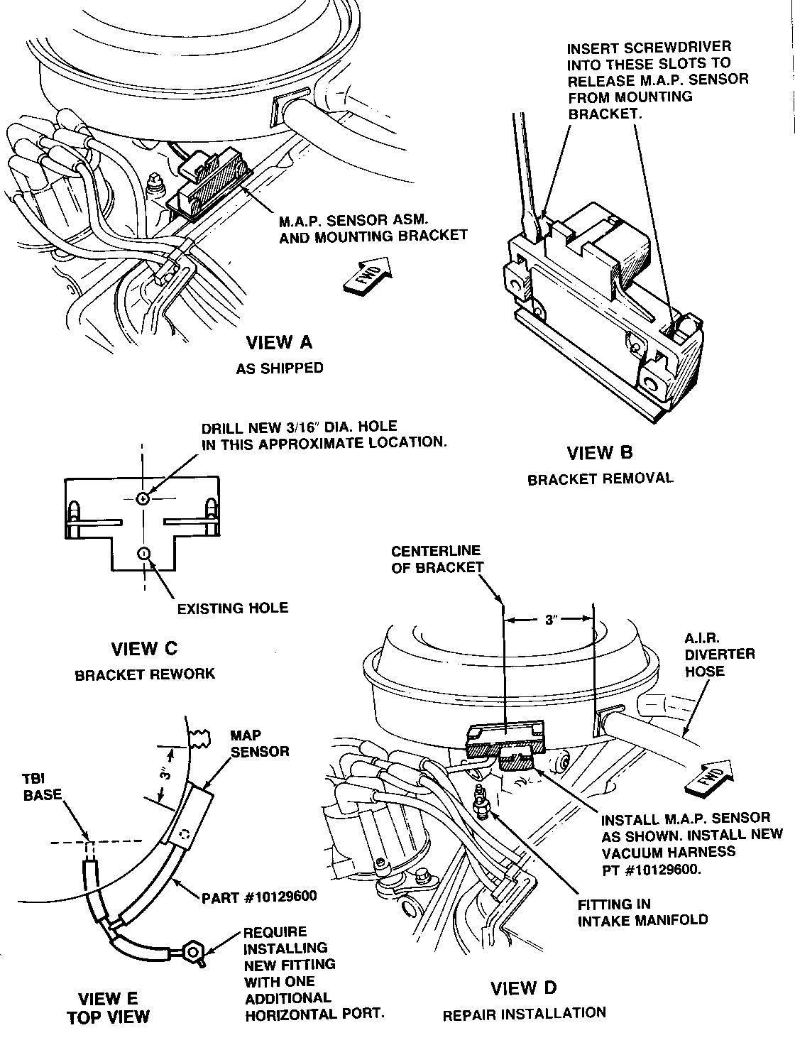
3. On 1987-88 models only, relocate Map Sensor to Air Cleaner.

A. Check Map Sensor operation using procedures on Page 3-122 and 3-123 of the 1991 Fuel and Emission Manual, replace sensor if necessary.

B. Disconnect vacuum tube assembly and electrical connection from Map Sensor.

C. Remove Map Sensor from upper plastic bracket (See Illustration, View B). CARE MUST BE TAKEN TO AVOID BREAKING BRACKET.

D. Remove sheet metal screw holding upper plastic bracket to lower metal bracket, and retain plastic bracket.

E. Add one additional 3/16" hole to plastic bracket and two 1/8" holes in Air Cleaner at proper location using revised bracket as hole template (See View C and D).

F. Mount bracket so Map Sensor vacuum connection faces down toward engine, using two 8-3xl/2" sheet metal screws, P/N 447164.

G. Install vacuum hose harness, P/N 10129600 (See View D and E).

IMPORTANT: On trucks not equipped with an accessory vacuum fitting in the manifold, install fitting, P/N 14088336 and use caps, P/N 343350 to plug any unused port.

H. Reinstall electrical.

4. On 1987-89 Check Control Idle Speed

A. On fully warm engine, Spec. is 750 RPM in Drive for Automatic Transmission and 800 RPM in Neutral for Manual Transmission.

B. IAC counts on both transmission should be between 5-30 counts.

If the control speed is not within the above specifications, a minimum idle speed adjustment must be made using procedure shown on Page 4-20 of the 1991 Fuel and Emission Manual.

5. Install latest PROM as shown on chart.

New New PROM Broadcast New Scan Transmission Axle Kit Code Tool I.D. -------------- ----- ------ -------- ---------- Auto (M-40) ALL 16169157 AZFT 9171 Man (M-20) 3.73 (GT4) 16169158 AZFU 9181 3.42 (GU6) " " " Man (M-20) 4.10 (GT5) 16169159 AZFW 9191 4.56 (HC4) " " "

6. The Dealer should tell the customer that the "Cold Start Procedure" has been revised from that shown in his Owners Manual. After initial fire and run, the throttle should be cracked to about 1/4 to clean raw gas from the intake manifold.

***************************************************************************** *STG DISCLAIMER*

"THE TEMPLATE DISPLAYED IN THIS SERVICE PUBLICATION IS NOT INTENDED FOR USE" (Please refer to the actual publication for an accurate "TEMPLATE" to use in this service procedure.) *****************************************************************************


Object Number: 80077  Size: FS

General Motors bulletins are intended for use by professional technicians, not a "do-it-yourselfer". They are written to inform those technicians of conditions that may occur on some vehicles, or to provide information that could assist in the proper service of a vehicle. Properly trained technicians have the equipment, tools, safety instructions and know-how to do a job properly and safely. If a condition is described, do not assume that the bulletin applies to your vehicle, or that your vehicle will have that condition. See a General Motors dealer servicing your brand of General Motors vehicle for information on whether your vehicle may benefit from the information.