GM Service Manual Online
For 1990-2009 cars only
Makes
🢒
Chevrolet
🢒
1996
🢒
Chevy Suburban - 4WD
🢒
Transmission/Transaxle
🢒
Automatic Transmission - 4L60-E
🢒 Automatic Transmission Controls Schematics
Automatic Transmission Controls Schematics Thumbnails
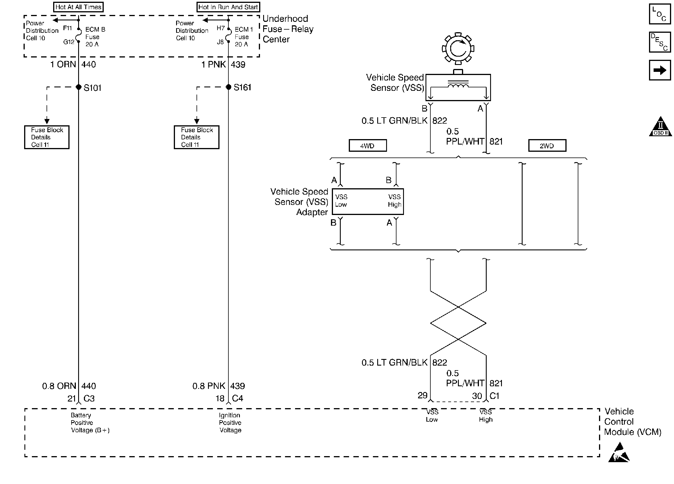
Figure
1:
VCM Power and VSS
Automatic Transmission Components In Transmission Components
Electronic Component Description
Brake Switch and Solenoids
OBD II Symbol Description Notice
Handling ESD Sensitive Parts Notice
Automatic Transmission Schematic References
Automatic Transmission Schematic References
Automatic Transmission Schematic References
Automatic Transmission Schematic References
Automatic Transmission Schematic References
Figure
2:
Brake Switch and Solenoids
Automatic Transmission Components In Transmission Components
Electronic Component Description
TFP Valve Position Switch and PC Solenoid Valve
VCM Power and VSS
OBD II Symbol Description Notice
Automatic Transmission Schematic References
Automatic Transmission Schematic References
Automatic Transmission Schematic References
Automatic Transmission Schematic References
Automatic Transmission Schematic References
Figure
3:
TFP Valve Position Switch and PC Solenoid Valve
Automatic Transmission Components In Transmission Components
Electronic Component Description
Brake Switch and Solenoids
OBD II Symbol Description Notice
Automatic Transmission Schematic References