GM Service Manual Online
For 1990-2009 cars only

Automatic Transmission Controls Schematics 5.7L and 7.4L

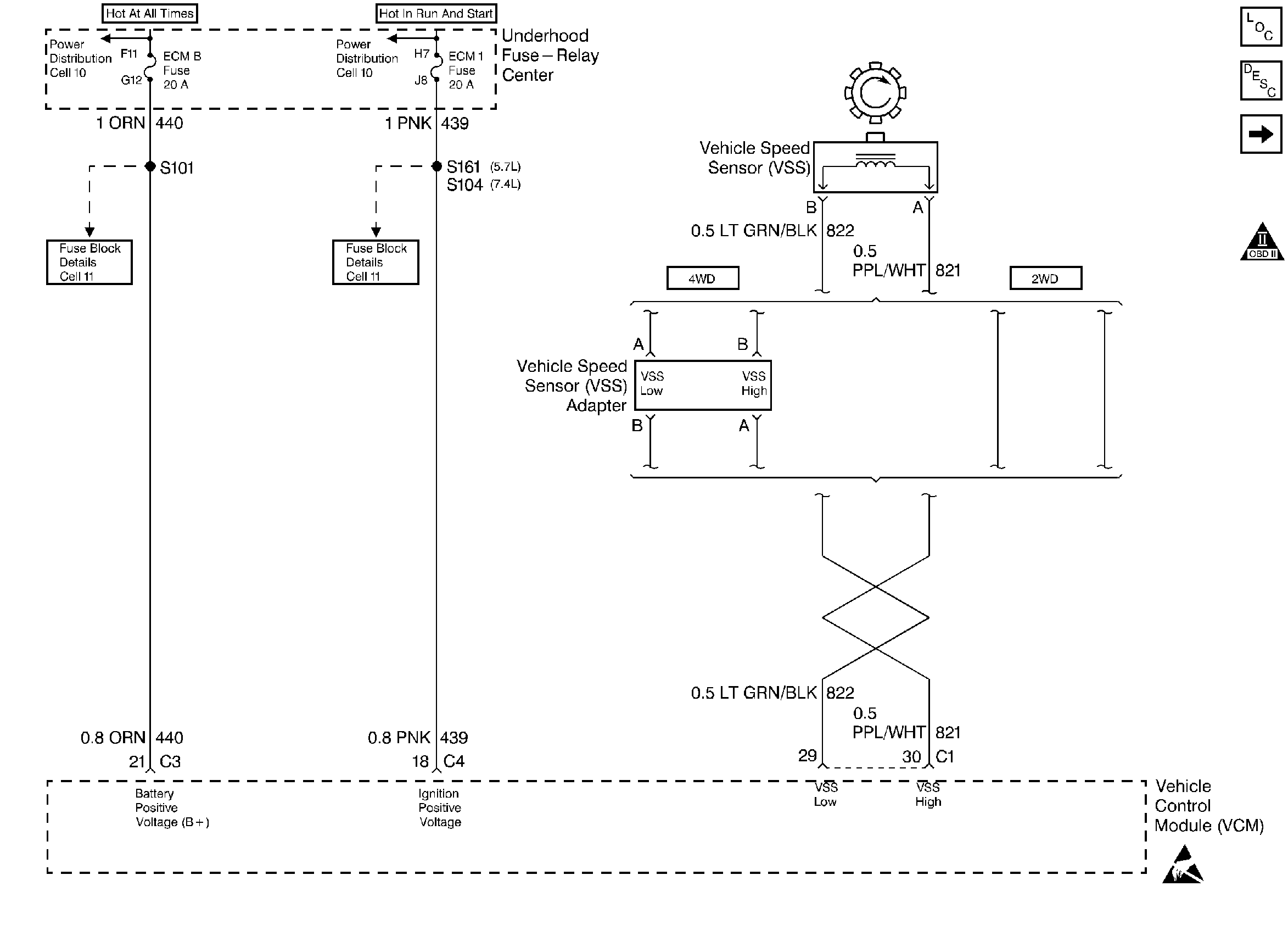
Figure 1:

VCM Power and VSS


Object Number: 26737  Size: FS
Automatic Transmission Components 5.7L and 7.4L Gas
Electronic Component Description
Brake Switch and Solenoids
OBD II Symbol Description Notice
Handling ESD Sensitive Parts Notice
Automatic Transmission Schematic References 5.7L and 7.4L Gas
Automatic Transmission Schematic References 5.7L and 7.4L Gas
Automatic Transmission Schematic References 5.7L and 7.4L Gas
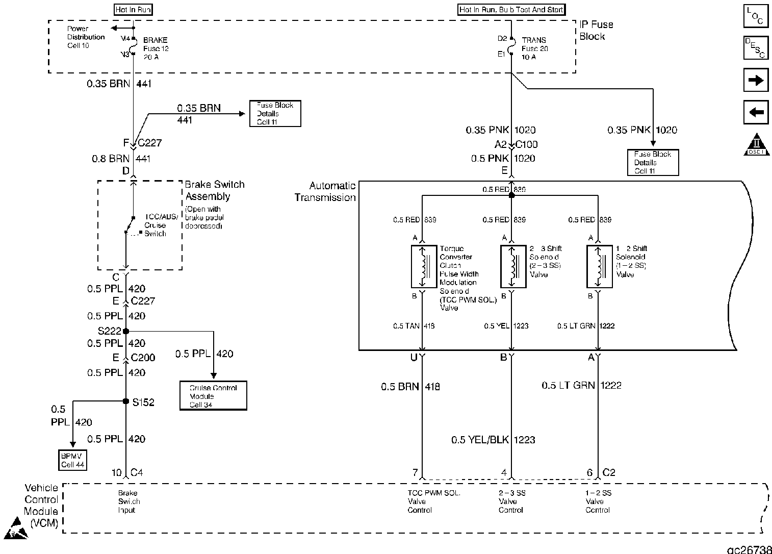
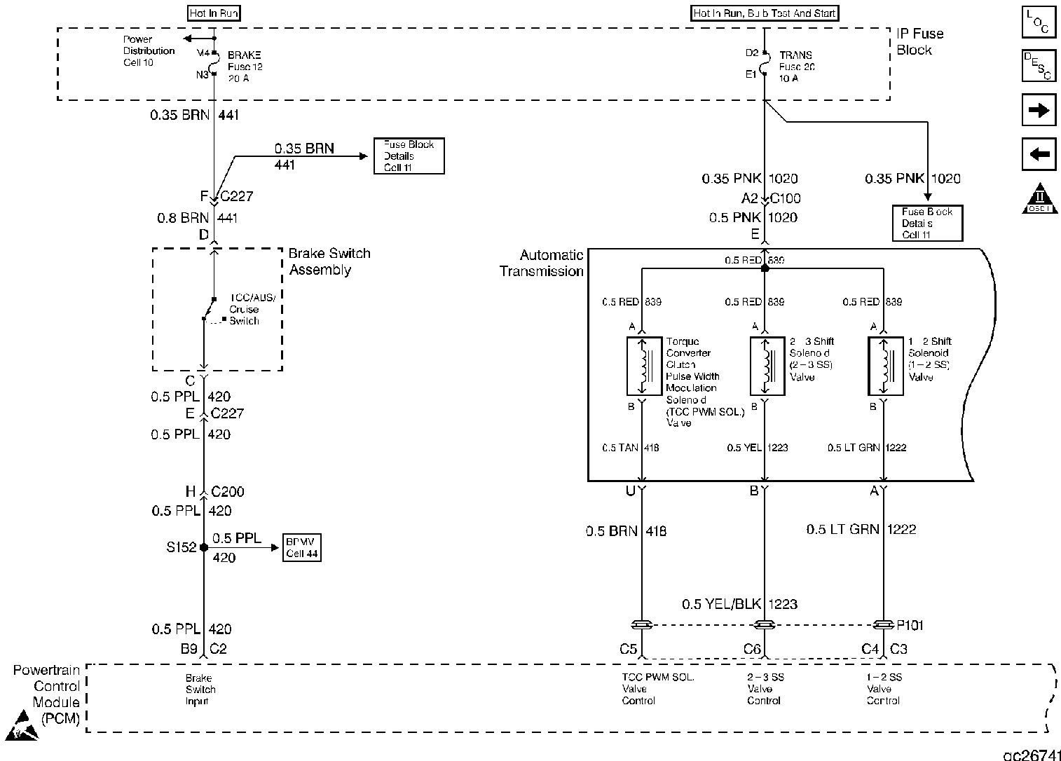
Figure 2:

Brake Switch and Solenoids


Object Number: 26738  Size: FS
Automatic Transmission Components 5.7L and 7.4L Gas
Electronic Component Description
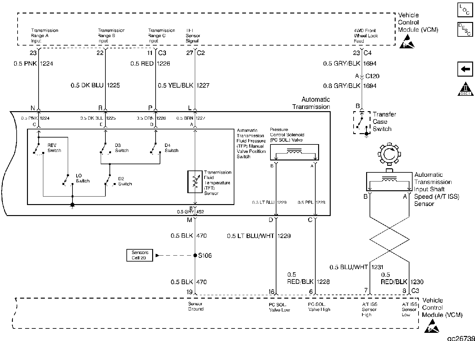
TFP Valve Position Switch, PC Solenoid Valve, and A/T ISS Sensor
VCM Power and VSS
OBD II Symbol Description Notice
Handling ESD Sensitive Parts Notice
Automatic Transmission Schematic References 5.7L and 7.4L Gas
Automatic Transmission Schematic References 5.7L and 7.4L Gas
Automatic Transmission Schematic References 5.7L and 7.4L Gas
Automatic Transmission Schematic References 5.7L and 7.4L Gas
Automatic Transmission Schematic References 5.7L and 7.4L Gas
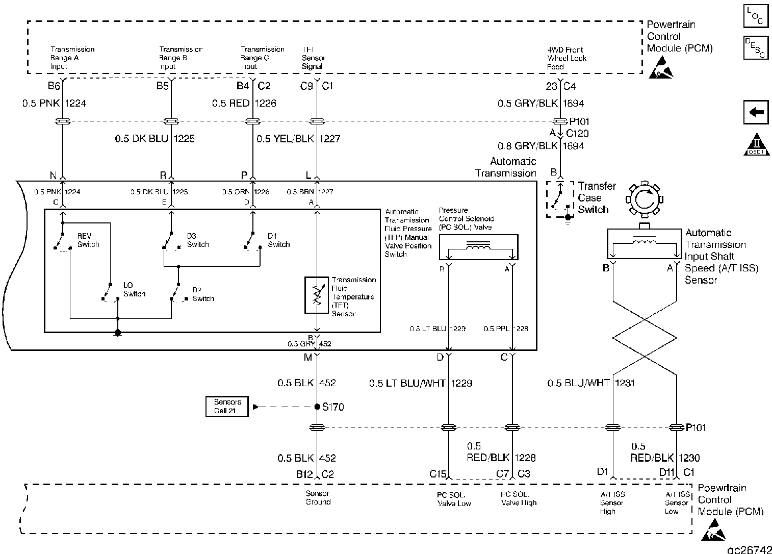
Figure 3:

TFP Valve Position Switch, PC Solenoid Valve, and A/T ISS Sensor


Object Number: 26739  Size: FS
Automatic Transmission Components 5.7L and 7.4L Gas
Electronic Component Description
Brake Switch and Solenoids
OBD II Symbol Description Notice
Handling ESD Sensitive Parts Notice
Handling ESD Sensitive Parts Notice
Automatic Transmission Schematic References 5.7L and 7.4L Gas

Automatic Transmission Controls Schematics 6.5L

Figure 1:

PCM Power and VSS


Object Number: 26740  Size: FS
Automatic Transmission Components 6.5L Diesel
Electronic Component Description
Brake Switch and Solenoids
OBD II Symbol Description Notice
Handling ESD Sensitive Parts Notice
Handling ESD Sensitive Parts Notice
Automatic Transmission Schematic References 6.5L Diesel
Automatic Transmission Schematic References 6.5L Diesel
Automatic Transmission Schematic References 6.5L Diesel
Automatic Transmission Schematic References 6.5L Diesel
Automatic Transmission Schematic References 6.5L Diesel
Automatic Transmission Schematic References 6.5L Diesel
Automatic Transmission Schematic References 6.5L Diesel
Automatic Transmission Schematic References 6.5L Diesel
Figure 2:

Brake Switch and Solenoids


Object Number: 26741  Size: FS
Automatic Transmission Components 6.5L Diesel
Electronic Component Description
TFP Valve Position Switch, PC Solenoid Valve, and A/T ISS Sensor
PCM Power and VSS
OBD II Symbol Description Notice
Handling ESD Sensitive Parts Notice
Automatic Transmission Schematic References 6.5L Diesel
Automatic Transmission Schematic References 6.5L Diesel
Automatic Transmission Schematic References 6.5L Diesel
Automatic Transmission Schematic References 6.5L Diesel
Figure 3:

TFP Valve Position Switch, PC Solenoid Valve, and A/T ISS Sensor


Object Number: 26742  Size: FS
Automatic Transmission Components 6.5L Diesel
Electronic Component Description
Brake Switch and Solenoids
OBD II Symbol Description Notice
Handling ESD Sensitive Parts Notice
Handling ESD Sensitive Parts Notice
Automatic Transmission Schematic References 6.5L Diesel