GM Service Manual Online
For 1990-2009 cars only
Makes
🢒
Chevrolet
🢒
1999
🢒
Chevy Suburban - 4WD
🢒
Body and Accessories
🢒
Stationary Windows
🢒 Defogger Schematics
Figure
1:
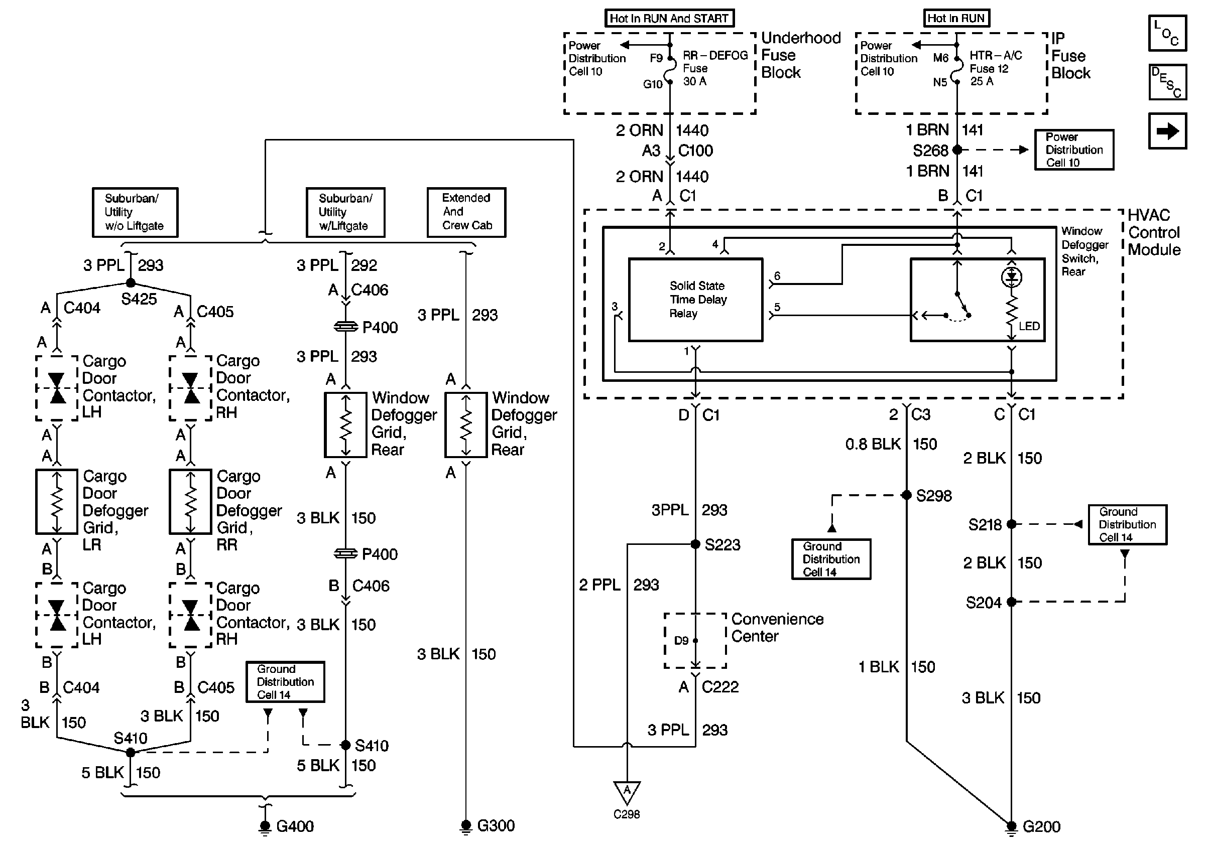
Rear Defogger, HVAC Control Module, Window Defogger Grid, G400 and G200
Rear Window Defogger Circuit Description
Cell 10: BRAKE and HTR-A/C Fuses
Cell 14: G200 (1 of 4)
Cell 14: G200 (1 of 4)
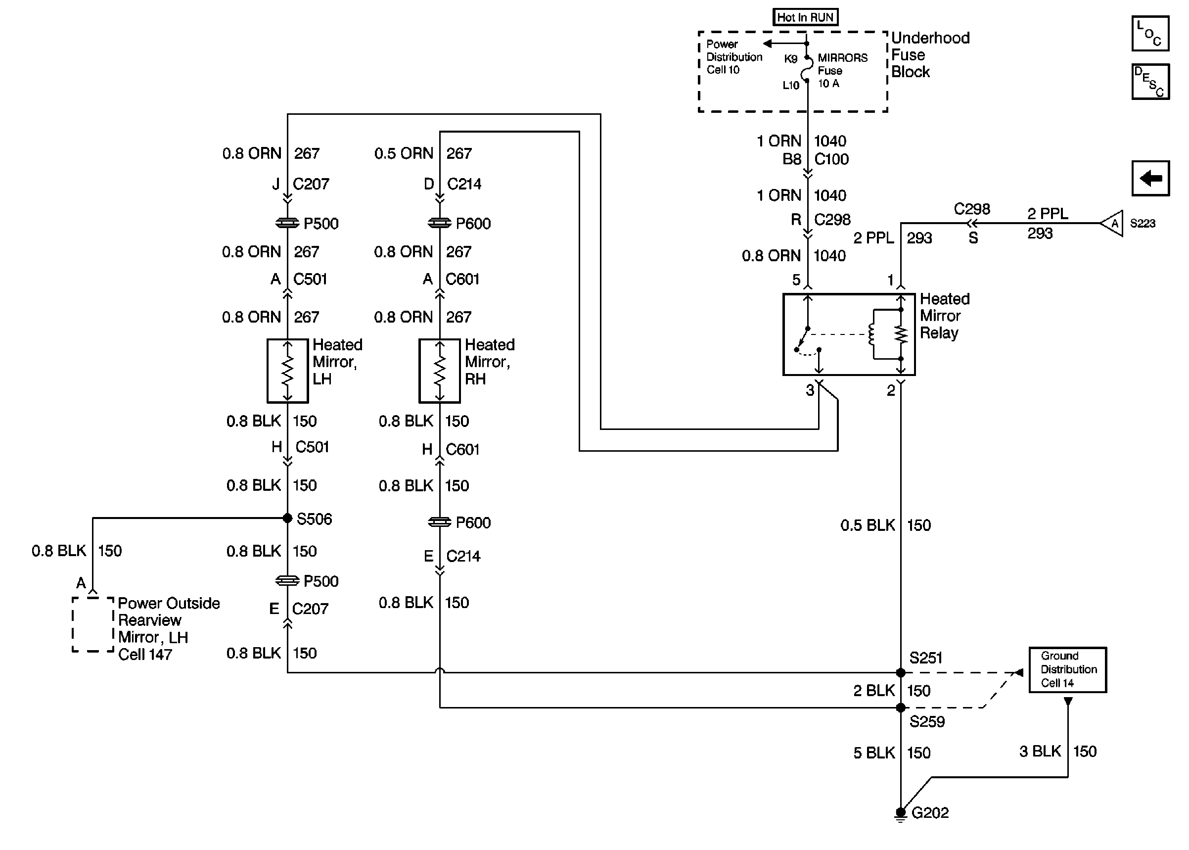
Mirrors Fuse, Heated Mirrors, Heated Mirror Relay
Cell 14: G400
Mirrors Fuse, Heated Mirrors, Heated Mirror Relay
Figure
2:
Mirrors Fuse, Heated Mirrors, Heated Mirror Relay
Rear Window Defogger Circuit Description
Rear Defogger, HVAC Control Module, Window Defogger Grid, G400 andG200
Cell 14: G202 (1 of 4)
Rear Defogger, HVAC Control Module, Window Defogger Grid, G400 andG200