GM Service Manual Online
For 1990-2009 cars only
Makes
🢒
Chevrolet
🢒
1999
🢒
Chevy Suburban - 4WD
🢒 Cell 14: G103 (7.4L)
Cell 14: G103 (7.4L)
Cell 14: G103 (7.4L)
Power and Grounding Components
Cell 14: G101 (7.4L)
Cell 14: G101 (7.4L)
Cell 14: S101 (G103) (7.4L)
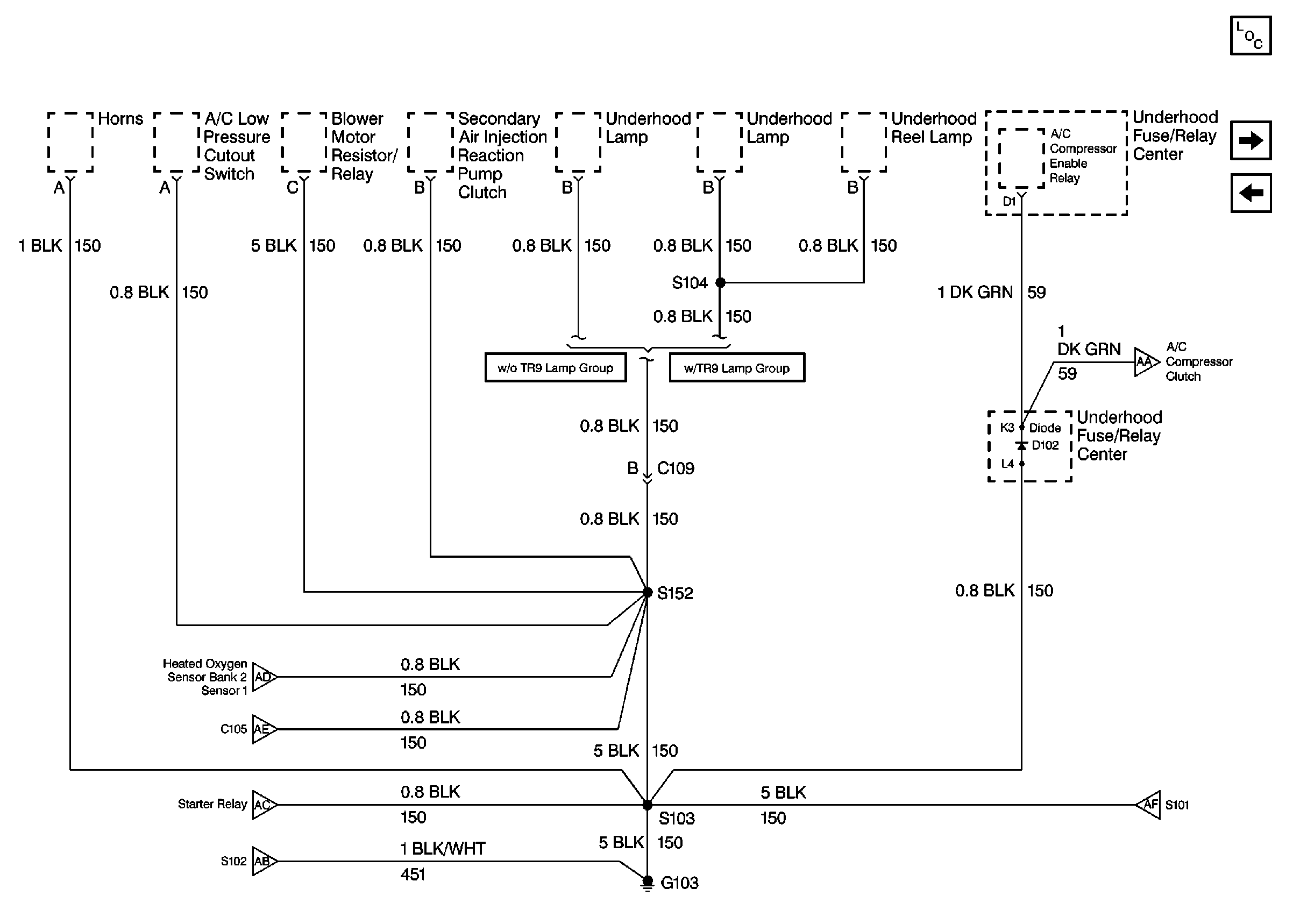
Cell 14: G102, C105, Heated Oxygen Sensor Bank 2 Sensor 1, Starter Relay (G103) (7.4L)
Cell 14: G102, C105, Heated Oxygen Sensor Bank 2 Sensor 1, Starter Relay (G103) (7.4L)
Cell 14: G102, C105, Heated Oxygen Sensor Bank 2 Sensor 1, Starter Relay (G103) (7.4L)
Cell 14: G102, C105, Heated Oxygen Sensor Bank 2 Sensor 1, Starter Relay (G103) (7.4L)
Cell 14: S101 (G103) (7.4L)