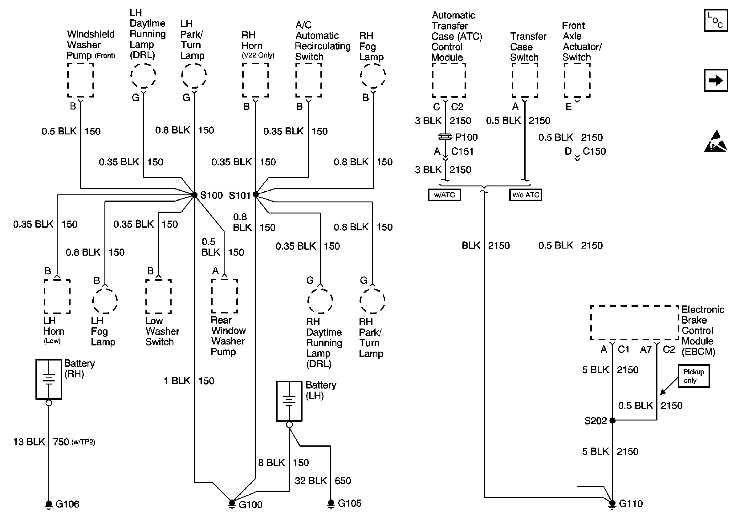
| Figure 1: |
ATC Control Module, Front Lamps, Batt
|
| Figure 2: |
VCM/PCM, G102, G103, DLC
|
| Figure 3: |
G104, S102, S104, HO2S
|
| Figure 4: |
SP203, BCM, Fuse Block
|
| Figure 5: |
Mode Door Motors, DLC, Tow/Haul Switch
|
| Figure 6: |
S303,VSE Switch, Suspension Switch
|
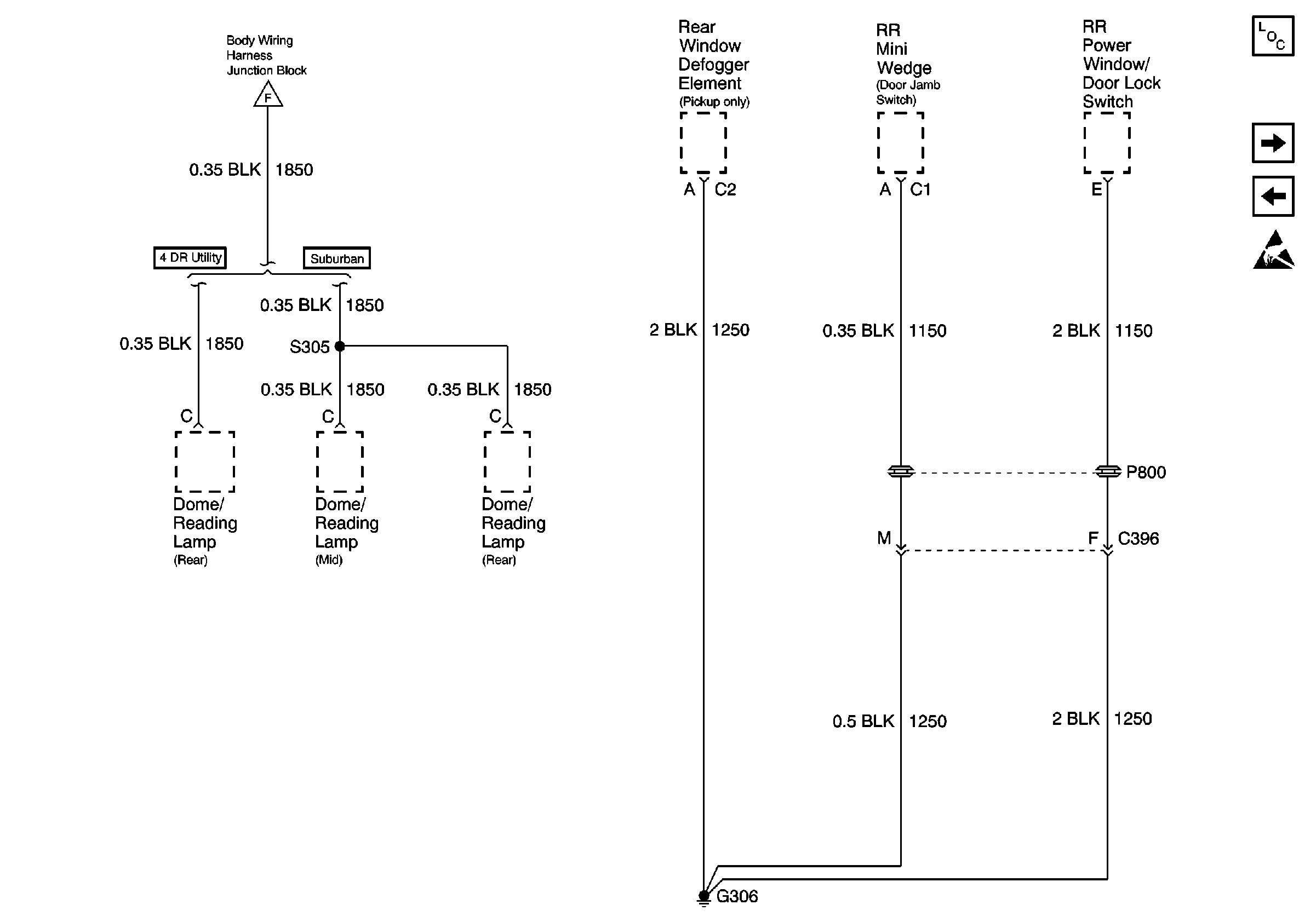
| Figure 7: |
G306, Dome Lamps, Door Lock Switch
|
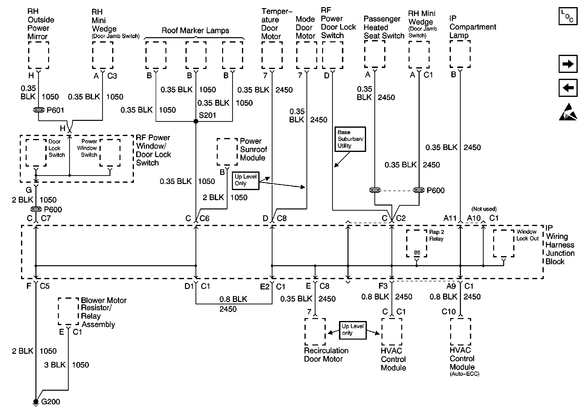
| Figure 8: |
Power Window/Door Lock Switch, HVAC
|
| Figure 9: |
G302, G304, Full Feature Seat
|
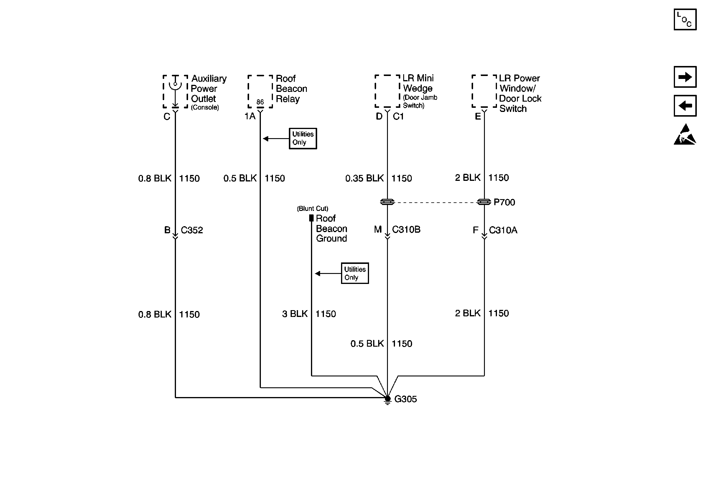
| Figure 10: |
G305, Roof Beacon Relay, Aux Power Outlet
|
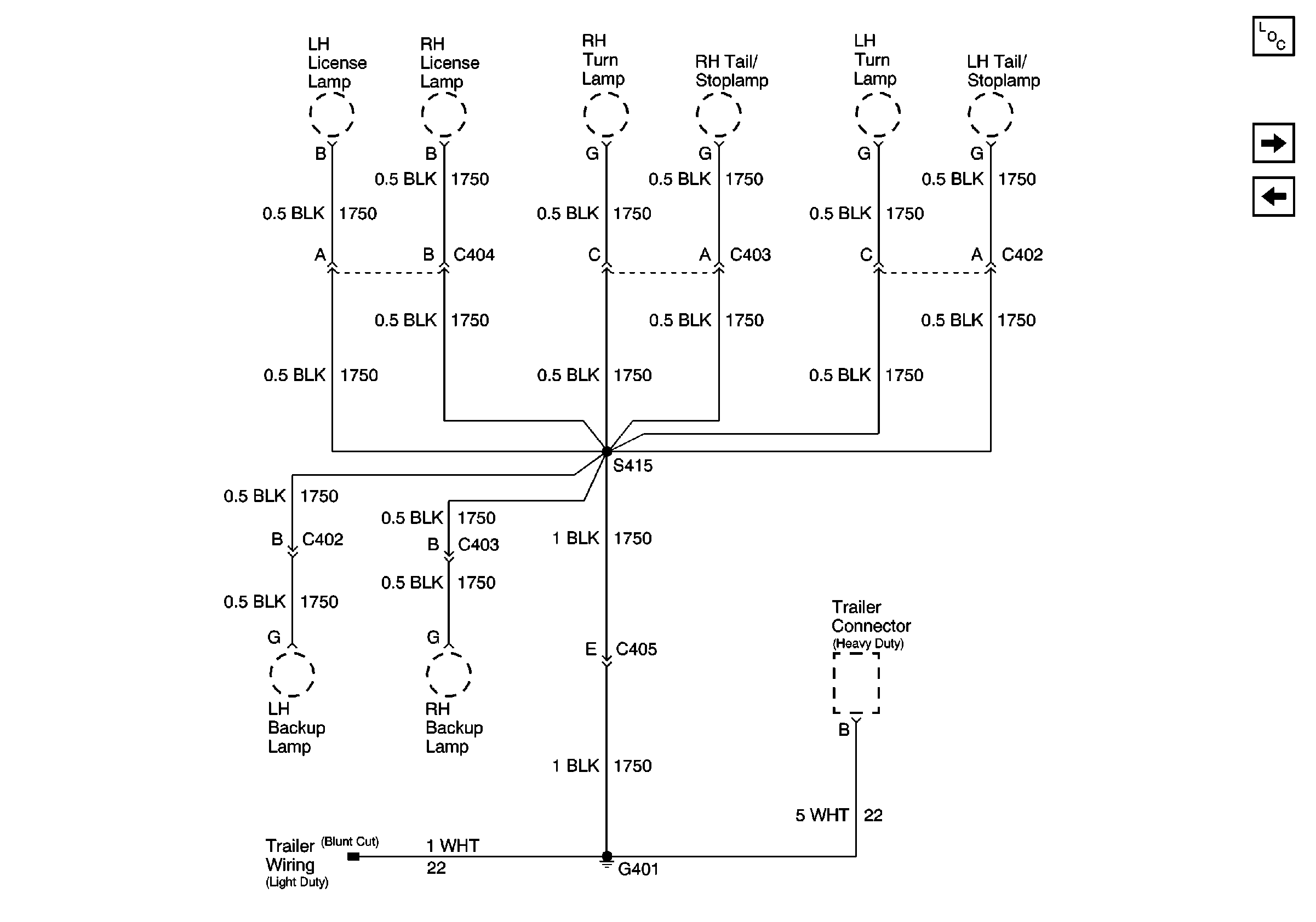
| Figure 11: |
G401, S415, S306, Rear Lamps- Utilities
|
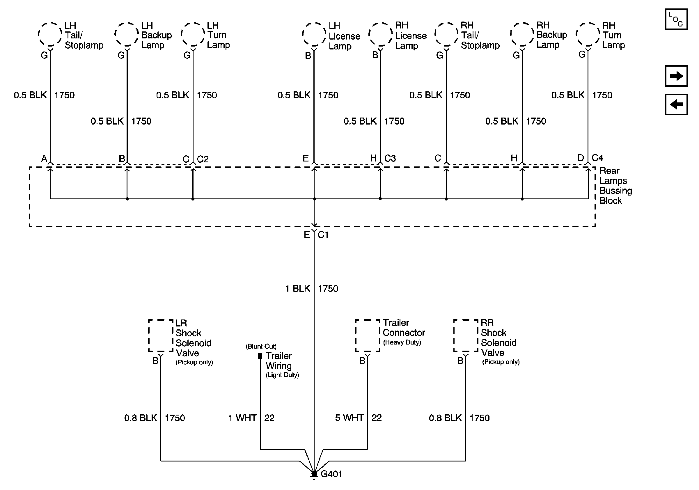
| Figure 12: |
G401, Rear Lamps Bussing Block - Pickup
|
| Figure 13: |
G410, SP410A, SP410, Rear HVAC
|
| Figure 14: |
SP410, S410, Cargo Door Switch, Defog
|