GM Service Manual Online
For 1990-2009 cars only
Makes
🢒
Chevrolet
🢒
2000
🢒
Chevy Suburban - 4WD
🢒
HVAC
🢒
HVAC Systems - Automatic
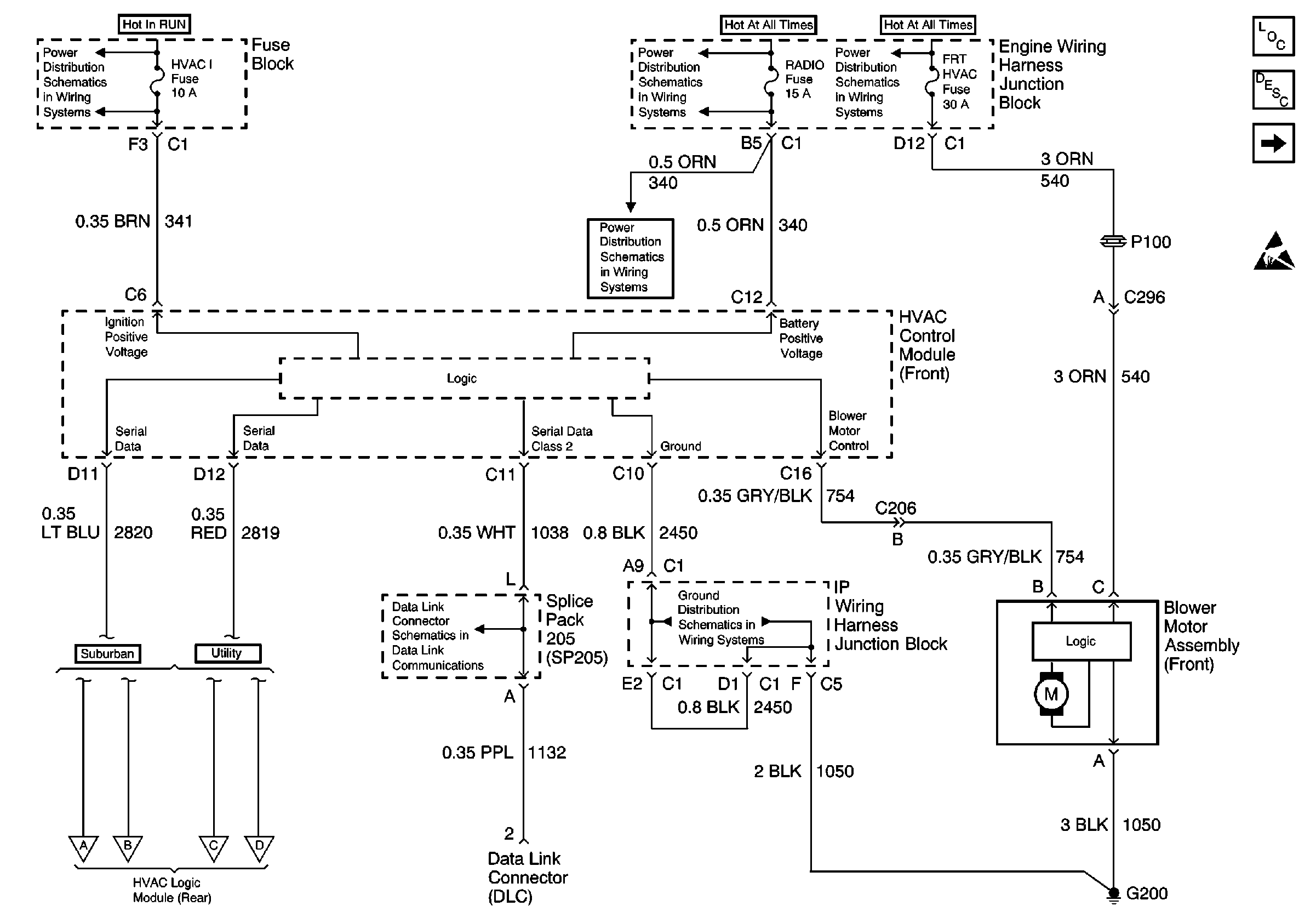
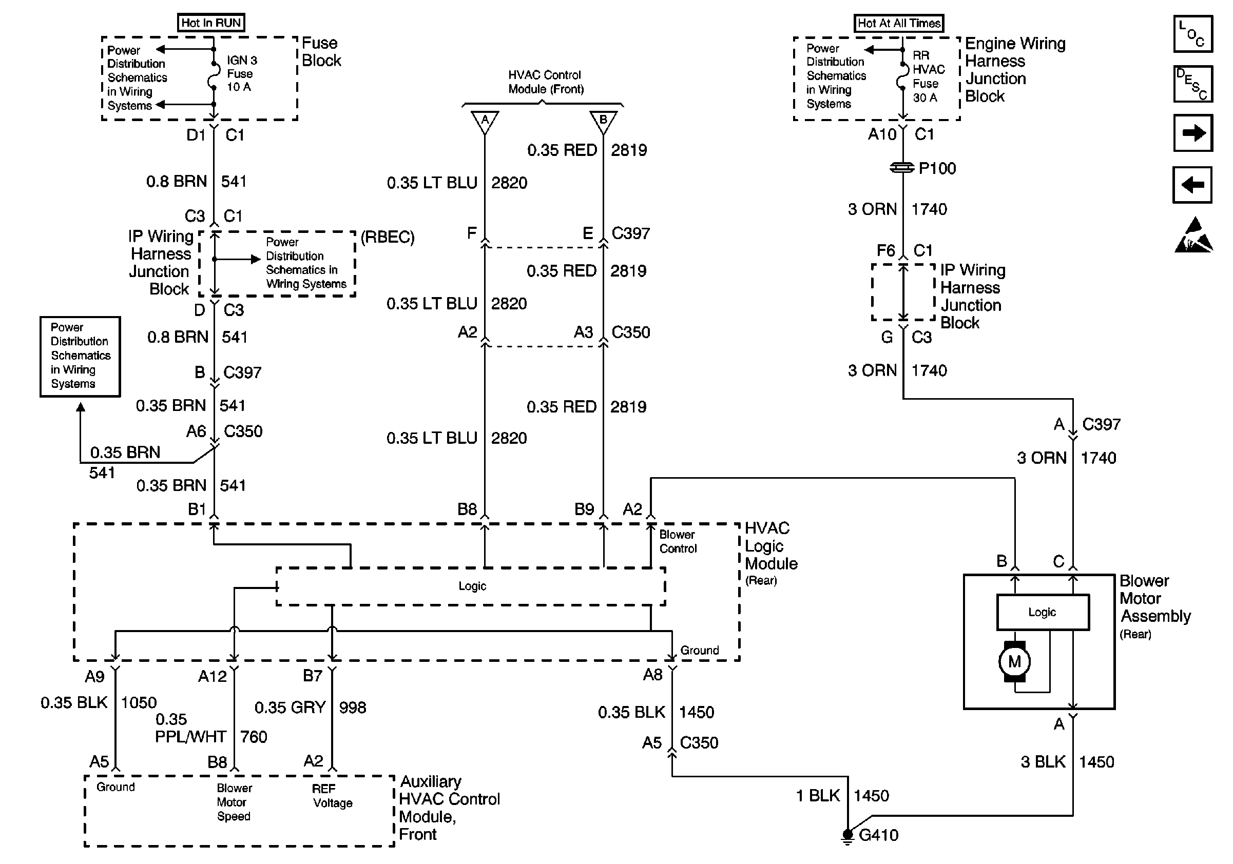
🢒 HVAC Blower Control Schematics
Figure
1:
Blower Motor, HVAC Controller Front
Figure
2:
HVAC Control Module, Blower Motor (Rear) Suburban/Yukon XL
Figure
3:
HVAC Control Module, Blower Motor (Rear) Tahoe/Yukon