GM Service Manual Online
For 1990-2009 cars only
Makes
🢒
Chevrolet
🢒
2000
🢒
Chevy Suburban - 4WD
🢒
Body and Accessories
🢒
Stationary Windows
🢒 Defogger Schematics
Defogger Schematics Pick-up
Stationary Windows Components
Rear Window Defogger Circuit Description
Handling ESD Sensitive Parts Notice
Ground Distribution Schematics
Power Distribution Schematics
Power Distribution Schematics
Ground Distribution Schematics
Ground Distribution Schematics
Ground Distribution Schematics
Ground Distribution Schematics
Power Distribution Schematics
Outside Rearview Mirror Schematics
Defogger Schematics Utilities
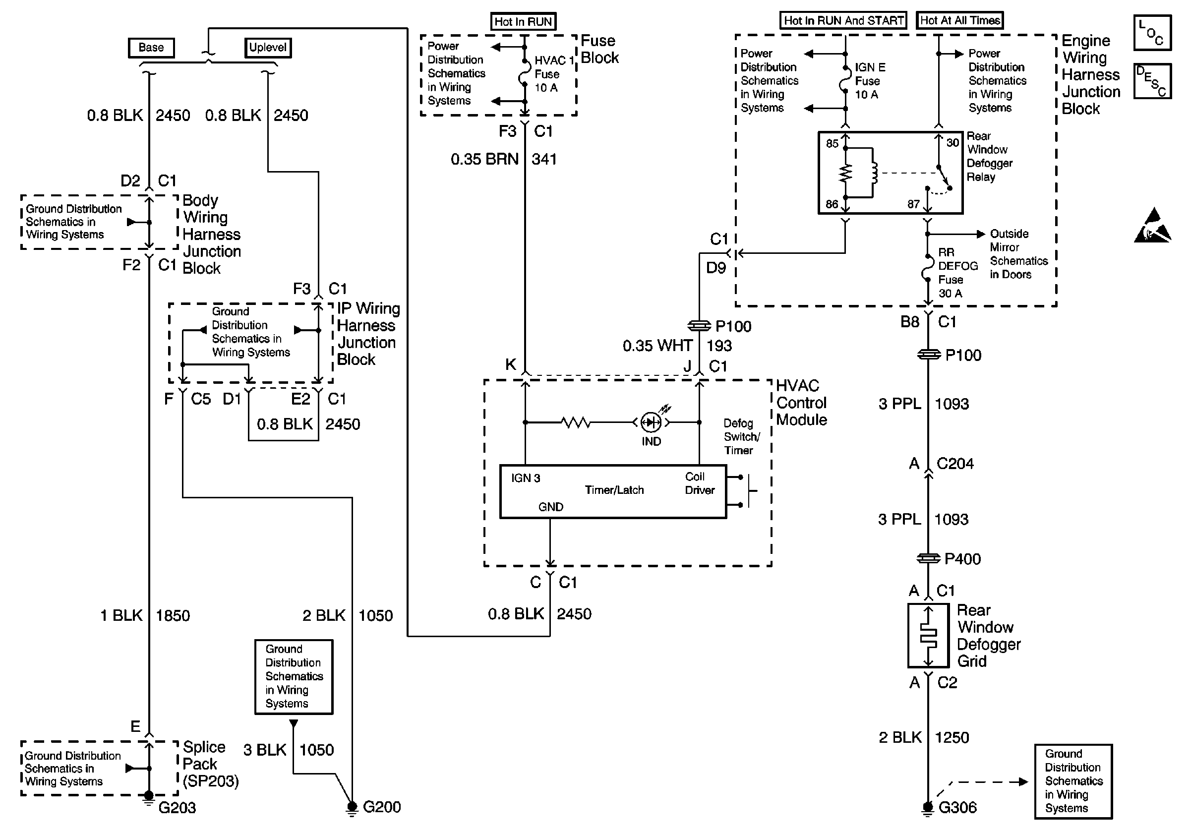
Figure
1:
G200, G203, HVAC Control Module
Stationary Windows Components
Rear Window Defogger Circuit Description
G410, Defogger Elements
Handling ESD Sensitive Parts Notice
G410, Defogger Elements
Power Distribution Schematics
Power Distribution Schematics
Ground Distribution Schematics
Ground Distribution Schematics
Ground Distribution Schematics
Ground Distribution Schematics
Power Distribution Schematics
Outside Rearview Mirror Schematics
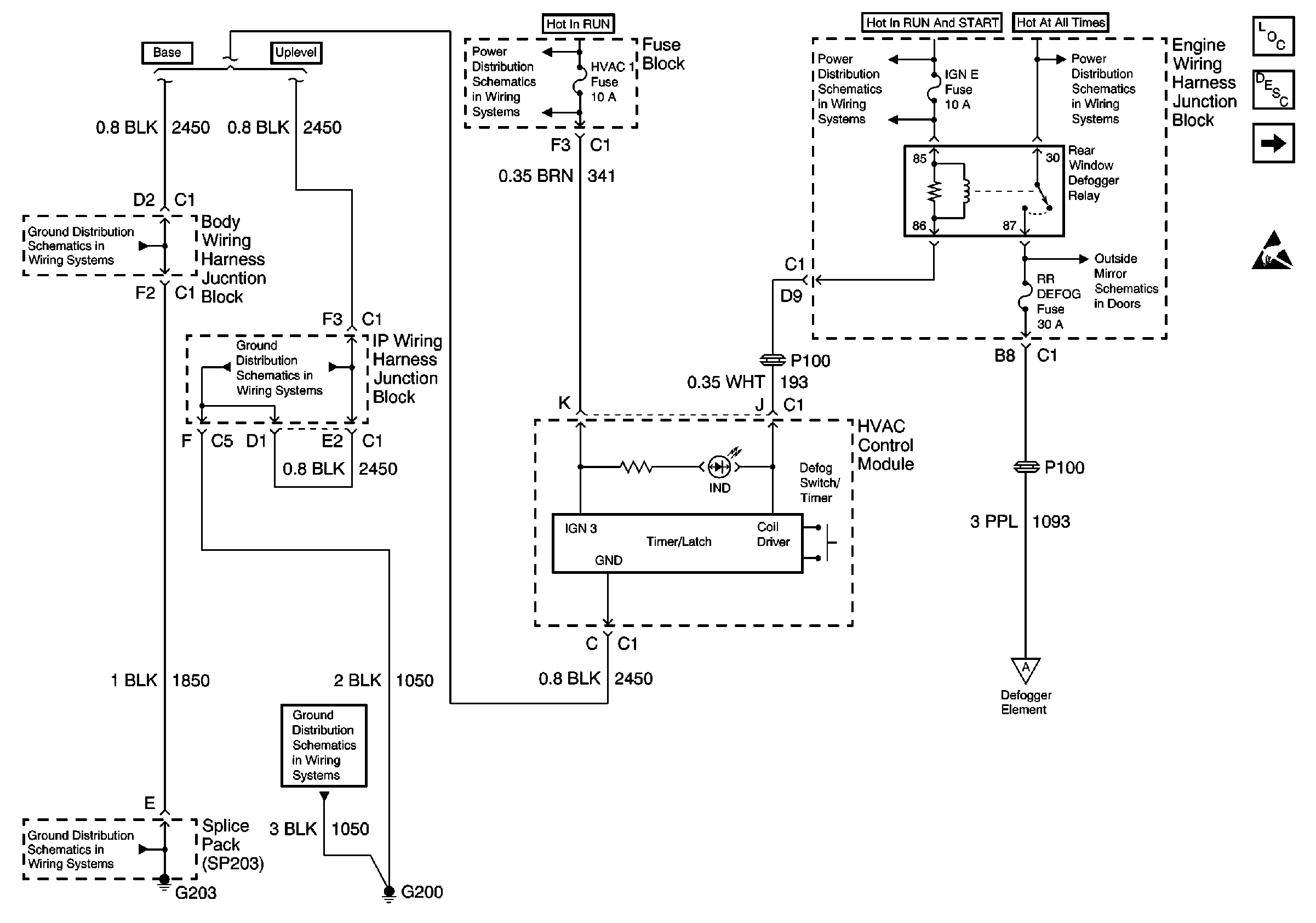
Figure
2:
G410, Defogger Elements
Stationary Windows Components
Rear Window Defogger Circuit Description
G200, G203, HVAC Control Module
G200, G203, HVAC Control Module
Ground Distribution Schematics
Ground Distribution Schematics
Ground Distribution Schematics
Ground Distribution Schematics
Ground Distribution Schematics