GM Service Manual Online
For 1990-2009 cars only

Exhaust Manifold Replacement - Right Side 4.8 L, 5.3 L, and 6.0 L Engines


    Object Number: 664837  Size: SH
  1. Raise and suitably support the vehicle. Refer to Lifting and Jacking the Vehicle .
  2. Remove the exhaust manifold pipe nuts.
  3. Lower the vehicle.
  4. Remove the spark plugs. Refer to Spark Plug Replacement .

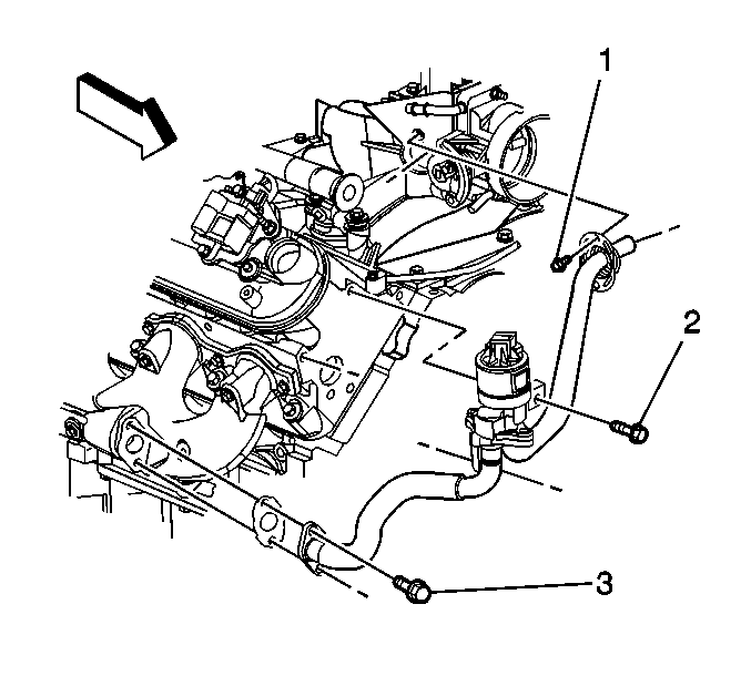
  5. Object Number: 679527  Size: SH
  6. Remove the bolts (1, 2, 3) attaching the exhaust gas recirculation (EGR) valve pipe to the following:
  7. • Intake manifold
    • Cylinder head
    • Exhaust manifold
  8. Remove the EGR valve pipe and gaskets.
  9. With mild force, pull the EGR valve pipe from the intake manifold.

  10. Remove the O-ring seal from the EGR valve pipe.
  11. Discard the gasket and the O-ring seal.

  12. Object Number: 664355  Size: SH
  13. Remove the secondary air injection (AIR) check valve pipe (crossover) bolt.

  14. Object Number: 664356  Size: SH
  15. Reposition the AIR check valve pipe (crossover) hose spring clamps.
  16. Remove the AIR check valve pipe (crossover) (1) from the check valves.
  17. Important: Do not remove the check valve from the AIR pipe unless valve replacement is required.

  18. Remove the AIR check valve pipe nuts (2), pipe (with check valve) (4) , and gasket (3) from the right exhaust manifold.

  19. Object Number: 260093  Size: SH
  20. Remove the exhaust manifold bolts, manifold, and gasket.
  21. Discard the gasket and bolts.

  22. Object Number: 492768  Size: SH
  23. If necessary, remove the heat shield bolts (1), and shield (2) from the exhaust manifold (1).

Installation Procedure

  1. Install the exhaust manifold to the cylinder head. Refer to Exhaust Manifold Installation - Right Side .
  2. Notice: Refer to Fastener Notice in the Preface section.


    Object Number: 664356  Size: SH
  3. Install a NEW AIR check valve pipe gasket (3), the nuts (2), and pipe (with check valve) (4) to the right exhaust manifold.
  4. Tighten
    Tighten the AIR check valve pipe nuts to 25 N·m (18 lb ft).

  5. Install the AIR check valve pipe (crossover) (1) to the check valves.
  6. Position the AIR check valve pipe (crossover) hose spring clamps.

  7. Object Number: 664355  Size: SH
  8. Install the AIR check valve pipe (crossover) bolt.
  9. Tighten
    Tighten the AIR check valve pipe (crossover) bolt to 50 N·m (37 lb ft).


    Object Number: 679527  Size: SH
  10. Apply a light coating of clean engine oil to a NEW O-ring seal and install the seal onto the EGR valve pipe.
  11. Install the EGR pipe.
  12. Install the EGR valve pipe bolts until snug.
  13. Tighten

    1. Tighten the EGR valve pipe to intake manifold bolt (1) to 10 N·m (89 lb in).
    2. Tighten the EGR valve pipe to cylinder head bolts (2) to 50 N·m (37 lb ft).
    3. Tighten the EGR valve pipe to exhaust manifold bolts (3) to 30 N·m (22 lb ft).
  14. Install the spark plugs. Refer to Spark Plug Replacement .
  15. Raise the vehicle.

  16. Object Number: 664837  Size: SH
  17. Install the exhaust manifold pipe nuts.
  18. Tighten
    Tighten the exhaust manifold pipe nuts to 50 N·m (37 lb ft).

  19. Lower the vehicle.

Exhaust Manifold Replacement - Right Side 4.3 L

Removal Procedure


    Object Number: 664837  Size: SH
  1. Raise the vehicle. Refer to Lifting and Jacking the Vehicle in General Information.
  2. Remove the right exhaust manifold pipe nuts.
  3. Lower the vehicle.

  4. Object Number: 360851  Size: SH
  5. Separate the MAF/IAT sensor assembly and the air inlet tube by loosening the hose clamp.
  6. Disconnect the PCV hose from the air cleaner outlet duct.

  7. Object Number: 489179  Size: SH
  8. Remove the air inlet tube and resonator retaining wing nut.

  9. Object Number: 489176  Size: SH
  10. Remove the air inlet tube and resonator from the throttle body by pivoting the air inlet tube and resonator upward until the hinge clip releases from the lip on the throttle body.
  11. Remove the secondary air injection (AIR) pipe assembly, if equipped from the exhaust manifold.
  12. Disconnect the spark plug wires from the spark plugs.
  13. Remove the spark plug wires from the spark plug wire retainers.

  14. Object Number: 188121  Size: SH
  15. Remove the exhaust manifold bolts.
  16. Remove the exhaust manifold.

  17. Object Number: 328555  Size: SH
  18. Remove and discard the exhaust manifold gaskets.

  19. Object Number: 493851  Size: SH
  20. Remove the bolts and the spark plug wire shield, if necessary.
  21. Clean all gasket surfaces.

Installation Procedure


    Object Number: 493851  Size: SH
  1. Install the spark plug wire shield to the exhaust manifold, if removed.
  2. Notice: Use the correct fastener in the correct location. Replacement fasteners must be the correct part number for that application. Fasteners requiring replacement or fasteners requiring the use of thread locking compound or sealant are identified in the service procedure. Do not use paints, lubricants, or corrosion inhibitors on fasteners or fastener joint surfaces unless specified. These coatings affect fastener torque and joint clamping force and may damage the fastener. Use the correct tightening sequence and specifications when installing fasteners in order to avoid damage to parts and systems.

  3. Install the heat shield bolts.
  4. Tighten
    Tighten the heat shield bolts to 9 N·m (80 lb in).


    Object Number: 476818  Size: SH

    Important: To assist in installing the exhaust manifold to the engine, the tabs at the bolt holes on a NEW exhaust manifold gasket will hold the bolts and the gaskets in place.

  5. Install the NEW exhaust manifold gaskets to the exhaust manifold.
  6. Ensure that the exhaust manifold bolts are held in place by the tabs on the exhaust manifold gaskets.

  7. Object Number: 188121  Size: SH
  8. Install the exhaust manifold.
  9. If reusing the fasteners, apply threadlock GM P/N 12345493 or equivalent to the threads of the exhaust manifold bolts.
  10. Install the exhaust manifold bolts.
  11. Tighten

    1. Tighten the exhaust manifold bolts on the first pass to 15 N·m (11 lb ft).
    2. Tighten the exhaust manifold bolts on the final pass to 30 N·m (22 lb ft).
  12. Install the AIR pipe assembly, if equipped to the exhaust manifold.
  13. Install the spark plug wires to the spark plug wire retainers.
  14. Connect the spark plug wires to the spark plugs.
  15. Raise the vehicle. Refer to Lifting and Jacking the Vehicle in General Information.

  16. Object Number: 664837  Size: SH
  17. Install NEW exhaust manifold pipe seals to the exhaust manifolds.
  18. Install the right exhaust manifold pipe nuts until sung.
  19. Tighten the exhaust manifold pipe nuts.
  20. Tighten
    Tighten the exhaust manifold pipe nuts to 50 N·m (37 lb ft).

  21. Lower the vehicle.

  22. Object Number: 489176  Size: SH
  23. Align the hinge clip with the lip on the throttle body.
  24. Install the air inlet tube and resonator to the throttle body by pivoting the air inlet tube and resonator downward until the mounting stud is through the hole in the air inlet tube.


    Object Number: 489179  Size: SH
  25. Install the resonator retaining wing nut.
  26. Connect the PCV hose to the air cleaner outlet duct.

  27. Object Number: 373468  Size: SH
  28. Connect the MAF/IAT sensor assembly harness connector.

Exhaust Manifold Replacement - Right Side 6.6 L

Removal Procedure


    Object Number: 401885  Size: SH
  1. Raise the vehicle in order to work through the front fender wheelhouse opening. Refer to Lifting and Jacking the Vehicle in General Information.
  2. Remove the right front fender wheelhouse inner panel (1).
  3. Remove the right front tire and wheel assembly if necessary. Refer to Tire and Wheel Removal and Installation in Tires and Wheels.

  4. Object Number: 660371  Size: SH
  5. Remove the bolts for the exhaust manifold heat shield.
  6. Remove the exhaust manifold heat shield.

  7. Object Number: 654525  Size: SH
  8. Remove the bolts (1) retaining the right exhaust pipe to the exhaust manifold.

  9. Object Number: 660374  Size: SH
  10. Remove the 2 nuts and 6 bolts with plain washer and bell view washer from the right exhaust manifold.
  11. Remove the exhaust manifold.
  12. Remove the bolt for the oil level indicator tube bracket in order to remove the exhaust manifold gasket.
  13. Remove the exhaust manifold gasket and discard.

Inspection and Repair


    Object Number: 663760  Size: SH
  1. Clean the exhaust manifold.
  2. Clean the exhaust manifold mating surfaces.
  3. Inspect the exhaust manifold for cracks.
  4. Inspect the exhaust manifold mating surfaces for damage.
  5. Replace the exhaust manifold if any damage is found.

  6. Object Number: 663761  Size: SH
  7. Measure the exhaust manifold flange for warpage with feeler gauge and a straightedge. Replace the exhaust manifold if the warpage is more than 0.3 mm (0.0118 in).
  8. Replace the exhaust manifold if warpage is more than the limits.

Installation Procedure


    Object Number: 654543  Size: SH
  1. Install the exhaust manifold gasket to the cylinder head.
  2. Notice: Refer to Fastener Notice in the Preface section.

  3. Install the bolt for the oil level indicator tube bracket.
  4. Tighten
    Tighten the bracket bolt to 21 N·m (15 lb ft).

  5. Install the exhaust manifold to the cylinder head.
  6. Install the exhaust manifold bolts and nuts with the bell view washers and the plain washers.

  7. Object Number: 1872601  Size: SH
  8. Use the sequence shown to properly tighten the exhaust manifold bolts.
  9. Tighten

    1. Tighten the exhaust manifold nuts and bolts to 34 N·m (25 lb ft) in the proper sequence.
    2. Tighten the exhaust manifold nuts and bolts again to 34 N·m (25 lb ft) in the proper sequence.

    Object Number: 660371  Size: SH
  10. Install the exhaust manifold heat shield.
  11. Install the exhaust manifold heat shield bolts.
  12. Tighten
    Tighten the exhaust manifold heat shield bolts to 8 N·m (71 lb in).


    Object Number: 654525  Size: SH
  13. Install the exhaust pipe gasket. Align the tab on the gasket to face outward as shown.
  14. Install the exhaust pipe and the bolts (1) to the exhaust manifold.
  15. Tighten
    Tighten the exhaust pipe to manifold bolts to 53 N·m (39 lb ft).


    Object Number: 401885  Size: SH
  16. Install the right front fender wheelhouse inner panel (1).
  17. Install the right front tire and wheel, if removed. Refer to Tire and Wheel Removal and Installation in Tires and Wheels.
  18. Lower the vehicle.

Exhaust Manifold Replacement - Right Side 8.1 L Engine

Removal Procedure


    Object Number: 470644  Size: SH
  1. Remove the wheelhouse panel. Refer to Wheelhouse Panel Replacement in Body Front End.
  2. Remove the oil level indicator. Refer to Oil Level Indicator and Tube Replacement in Engine Mechanical - 8.1 L.
  3. Remove the secondary air injection (AIR) pipe nut from the fuel rail stud, if equipped.
  4. Remove the AIR pipe bolts from the exhaust manifold, if equipped.
  5. Disconnect the AIR pipe from the AIR pump pipe, if equipped.
  6. Remove the AIR pipe, if equipped.
  7. Remove and discard the AIR pipe gasket, if equipped.

  8. Object Number: 470646  Size: SH
  9. Remove the AIR pump pipe bolt from the cylinder head, if equipped.
  10. Disconnect the AIR pump pipe from the left AIR pipe, if equipped.
  11. Remove the AIR pump pipe, if equipped.

  12. Object Number: 470704  Size: SH

    Important: Twist the spark plug boot one-half turn in order to release the boot. Pull on the spark plug boot only. Do not pull on the spark plug or the wire could be damaged.

  13. Remove the spark plug wires from the spark plugs and ignition coils.
  14. Remove the spark plugs. Refer to Spark Plug Replacement in Engine Controls - 8.1 L.

  15. Object Number: 635635  Size: SH
  16. Remove the exhaust gas recirculation (EGR) pipe nuts from the exhaust manifold.
  17. Remove the EGR pipe bracket bolt.
  18. Remove and discard the EGR pipe gasket.
  19. Reposition the EGR pipe.
  20. Raise and suitably support the vehicle with safety stands. Refer to Lifting and Jacking the Vehicle in General Information.

  21. Object Number: 470706  Size: SH
  22. Remove the exhaust manifold heat shield bolts and nuts.
  23. Remove the exhaust manifold heat shield.
  24. Lower the vehicle.

  25. Object Number: 470719  Size: SH
  26. Remove the exhaust manifold bolt and nuts.
  27. Remove the exhaust manifold.
  28. Remove and discard the exhaust manifold gasket.
  29. Clean and inspect the exhaust manifold. Refer to Exhaust Manifold Cleaning and Inspection in Engine Mechanical - 8.1 L Unit Repair.

Installation Procedure


    Object Number: 470719  Size: SH
  1. Install the a NEW exhaust manifold gasket.
  2. Install the exhaust manifold.
  3. Notice: Use the correct fastener in the correct location. Replacement fasteners must be the correct part number for that application. Fasteners requiring replacement or fasteners requiring the use of thread locking compound or sealant are identified in the service procedure. Do not use paints, lubricants, or corrosion inhibitors on fasteners or fastener joint surfaces unless specified. These coatings affect fastener torque and joint clamping force and may damage the fastener. Use the correct tightening sequence and specifications when installing fasteners in order to avoid damage to parts and systems.

  4. Install the exhaust manifold bolt and nuts.
  5. Tighten

        • Tighten the exhaust manifold bolt to 35 N·m (26 lb ft).
        • Tighten the exhaust manifold nuts to 16 N·m (12 lb ft).
  6. Raise and suitably support the vehicle with safety stands.

  7. Object Number: 470706  Size: SH
  8. install the exhaust manifold heat shield.
  9. Install the exhaust manifold heat shield bolts and nuts.
  10. Tighten
    Tighten the exhaust manifold heat shield bolts/nuts to 25 N·m (18 lb ft).

  11. Lower the vehicle.

  12. Object Number: 635635  Size: SH
  13. Position the EGR pipe.
  14. Install a NEW EGR pipe gasket.
  15. Install the EGR pipe bracket bolt.
  16. Tighten
    Tighten the EGR pipe bracket bolt to 50 N·m (37 lb ft).

  17. Install the EGR pipe nuts to the exhaust manifold.
  18. Tighten
    Tighten the EGR pipe nuts to 30 N·m (22 lb ft).

  19. Install the spark plugs. Refer to Spark Plug Replacement in Engine Controls - 8.1 L.

  20. Object Number: 470704  Size: SH

    Important: Fully install the spark plug wires by pushing on the exposed end of the spark plug boot. Do not push the spark plug wire on to the spark plug by using the metal heat shield.

  21. Install the spark plug wires to the spark plugs and ignition coils.

  22. Object Number: 470646  Size: SH
  23. Install the AIR pump pipe, if equipped.
  24. Connect the AIR pump pipe to the left AIR pipe, if equipped.
  25. Install the AIR pump pipe bolt to the cylinder head, if equipped.
  26. Tighten
    Tighten the AIR pump pipe bolt to 50 N·m (37 lb ft).


    Object Number: 470644  Size: SH
  27. Install a NEW AIR pipe gasket, if equipped.
  28. Install the AIR pipe, if equipped.
  29. Connect the AIR pipe to the AIR pump pipe, if equipped.
  30. Install the AIR pipe bolts to the exhaust manifold, if equipped.
  31. Tighten
    Tighten the AIR pipe bolt to 25 N·m (18 lb ft).

  32. Install the AIR pipe nut to the fuel rail stud, if equipped.
  33. Tighten
    Tighten the AIR pipe nut to 12 N·m (106 lb in).

  34. Install the oil level indicator. Refer to Oil Level Indicator and Tube Replacement in Engine Mechanical - 8.1 L.
  35. Install the wheelhouse panel. Refer to Wheelhouse Panel Replacement in Body Front End.