GM Service Manual Online
For 1990-2009 cars only
Figure 1:

Power, Ground, and Stop Lamp Switch TCC Signal Circuit


Object Number: 769536  Size: FS
Master Electrical Component List
Electronic Component Description
OFF/RUN/START Voltage, Serial Data, and Torque Signals
OBD II Symbol Description Notice
IGNITION, RUN, and START Bus Bar
BRAKE, CRUISE, HTR A/C, RR WPR, WS WPR, and SEO ACCY Fuses
B+ Bus Bar
AIR, RADIO, ECM B, FRT HVAC, and CIGAR Fuses
Power, Ground, Serial Data - w/o Traction Assist
Cruise Controls Schematics - Diesel
G103 and G105 - Gas
G105 - Diesel
Figure 2:

OFF/RUN/START Voltage, Serial Data, and Torque Signals


Object Number: 827489  Size: FS
Master Electrical Component List
Electronic Component Description
Park/Neutral Position (PNP) Switch and TCM
Power, Ground, and Stop Lamp Switch TCC Signal Circuit
Power Take Off (PTO) Switch, Power Take Off Relay, and PCM
RTD, RDO AMP, CRANK, and IGN 0 Fuses
SP205
RTD, RDO AMP, CRANK, and IGN 0 Fuses
G203 - 3 of 4 - Base Pickup
G203 - 3 of 4 - Base Pickup
G203 - 1 of 4
Figure 3:

Park/Neutral Position (PNP) Switch and TCM


Object Number: 769542  Size: FS
Master Electrical Component List
Electronic Component Description
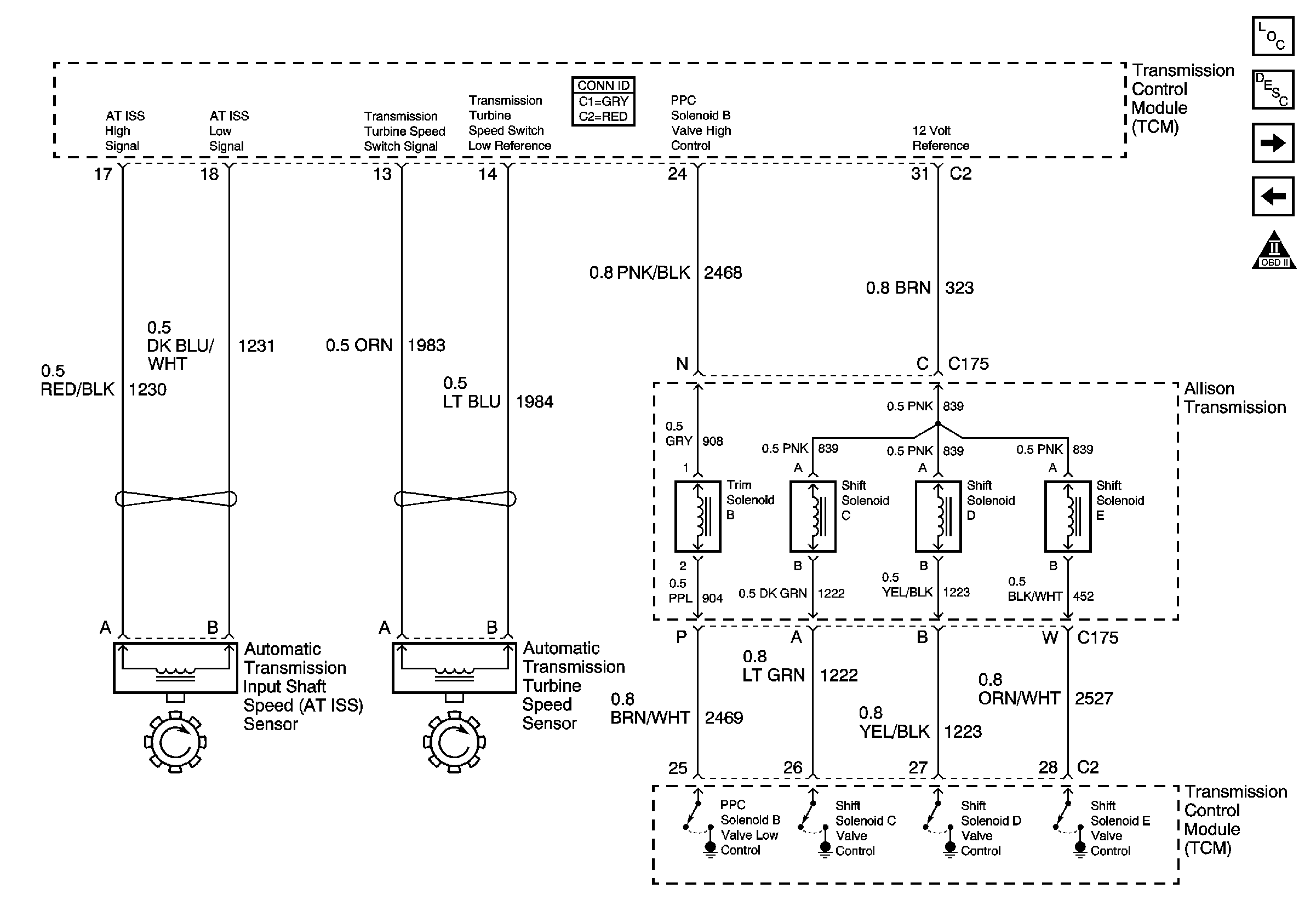
Speed Sensor and Valve Control Circuits
OFF/RUN/START Voltage, Serial Data, and Torque Signals
Engine Data Sensors - VSS and Injection Timing Controls
Engine Data Sensors - VSS
G103 and G105 - Gas
Figure 4:

Speed Sensor and Valve Control Circuits


Object Number: 772350  Size: FS
Master Electrical Component List
Electronic Component Description
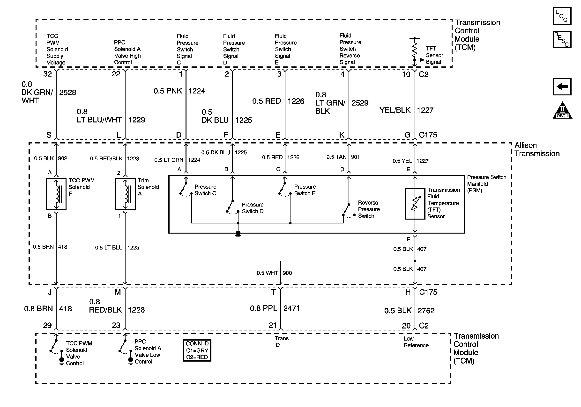
TCC Control, Pressure Switch, and Temp Sensor Signal
Park/Neutral Position (PNP) Switch and TCM
Figure 5:

TCC Control, Pressure Switch, and Temp Sensor Signal


Object Number: 772353  Size: FS
Master Electrical Component List
Electronic Component Description
Speed Sensor and Valve Control Circuits