GM Service Manual Online
For 1990-2009 cars only

Interior Lights Dimming Schematics Pick Up

Figure 1:

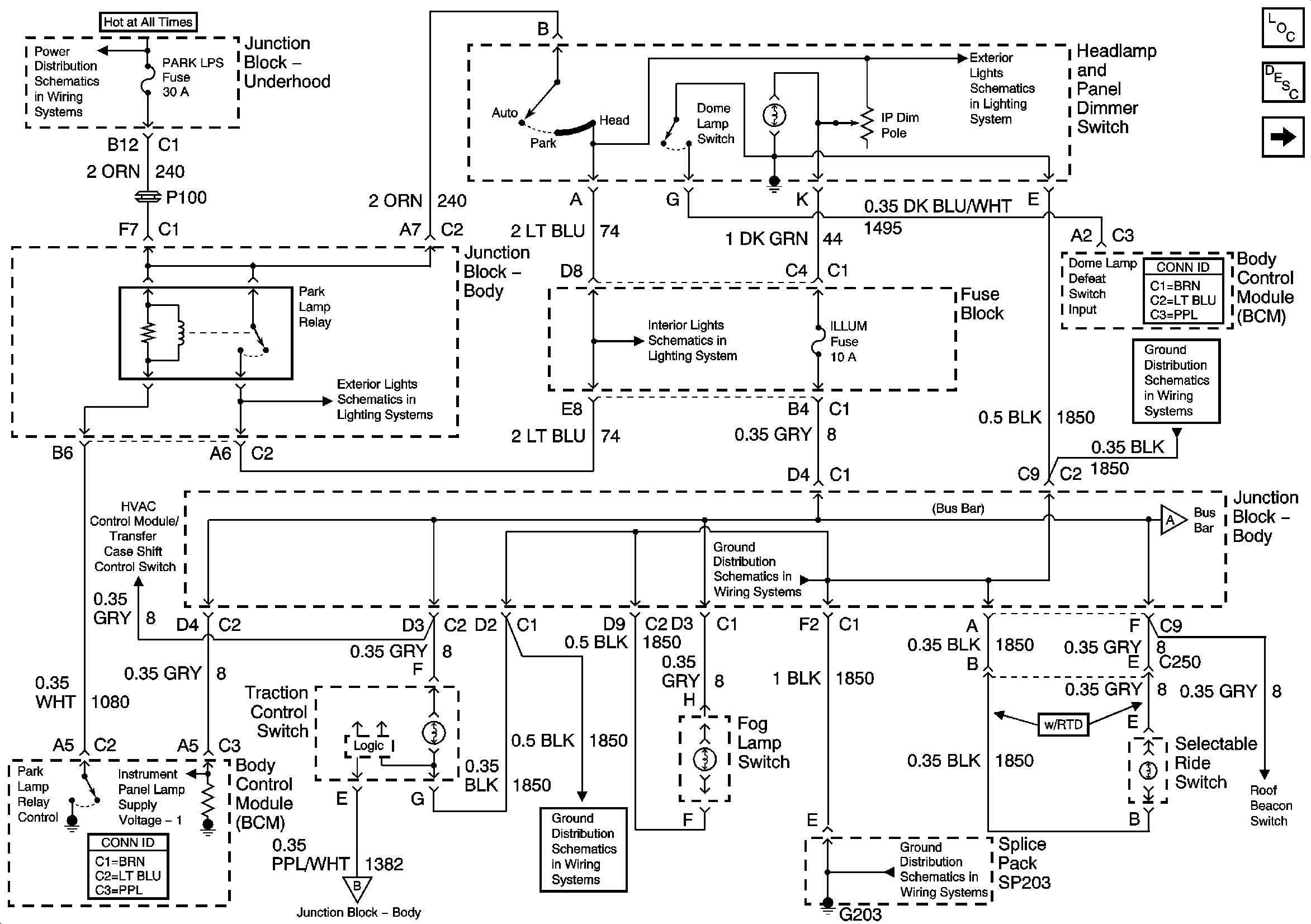
Dimming Control, Traction Control, Fog Lamp, and Selectable Ride Switches


Object Number: 706071  Size: FS
Master Electrical Component List
Interior Lighting Systems Description and Operation
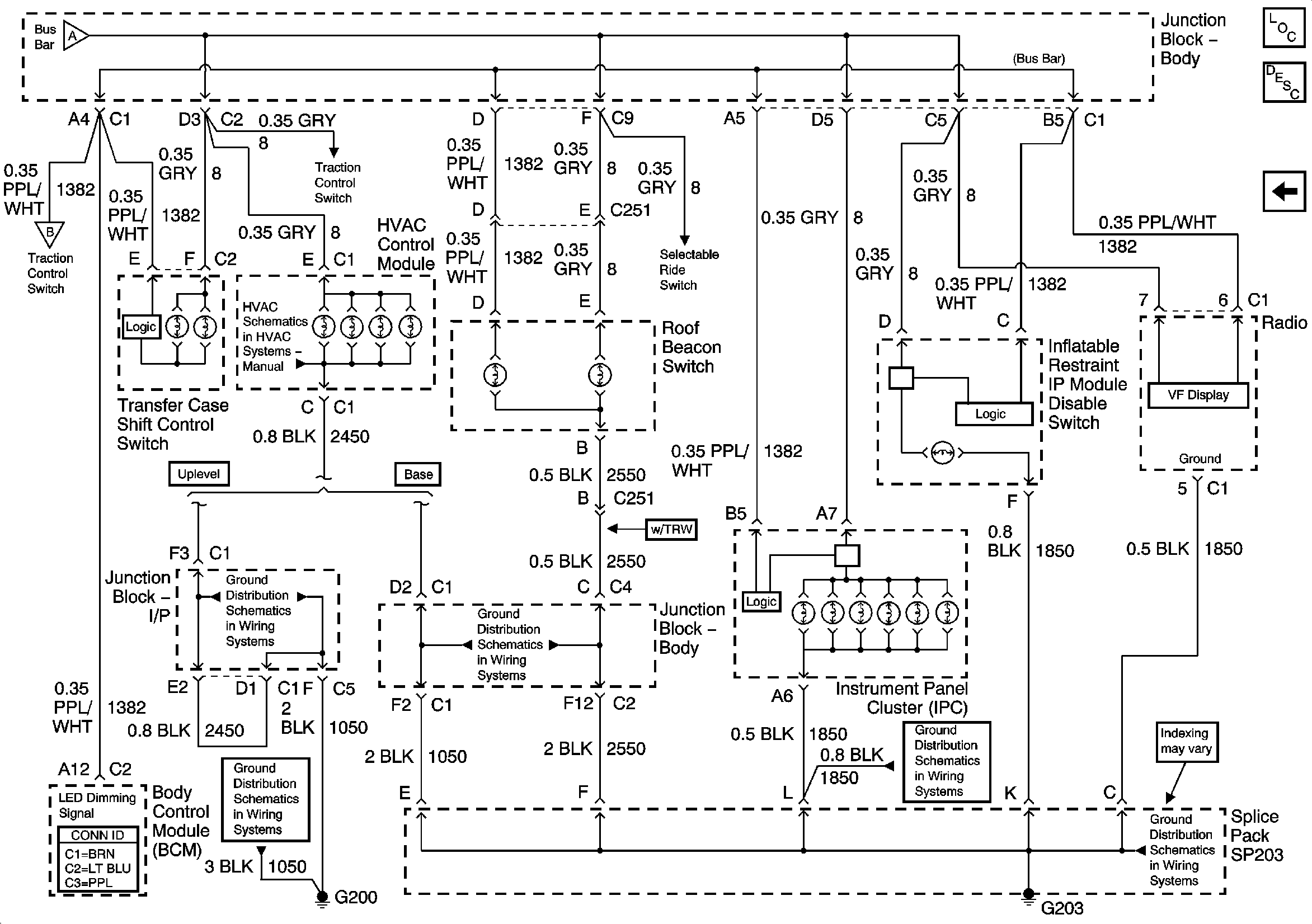
Transfer Case Shift Control, Roof Beacon, and Inflatable Restraint IP Module Disable Switches, HVAC Control Module, IPC, and Radio
B+ Bus Bar
Park Lamp Relay, FR PRK, TRL PRK, LR PRK, and RR PRK Fuses
Park Lamp Relay, FR PRK, TRL PRK, LR PRK, and RR PRK Fuses
Window/Door Lock Switches, Outside Rearview Mirror Switch, Heated Seat Switch and Ashtray Lamp
G203 - 3 of 4 - Base Pickup
G203 - 3 of 4 - Base Pickup
Transfer Case Shift Control, Roof Beacon, and Inflatable Restraint IP Module Disable Switches, HVAC Control Module, IPC, and Radio
Speed Sensor Signals and Traction Control Switch - w/Traction Assist
Transfer Case Shift Control, Roof Beacon, and Inflatable Restraint IP Module Disable Switches, HVAC Control Module, IPC, and Radio
G203 - 3 of 4 - Base Pickup
G203 - 1 of 4
Figure 2:

Transfer Case Shift Control, Roof Beacon, and Inflatable Restraint IP Module Disable Switches, HVAC Control Module, IPC, and Radio


Object Number: 706077  Size: FS
Master Electrical Component List
Interior Lighting Systems Description and Operation
Dimming Control, Traction Control, Fog Lamp and Selectable Ride Switches
Dimming Control, Traction Control, Fog Lamp and Selectable Ride Switches
Dimming Control, Traction Control, Fog Lamp and Selectable Ride Switches
Dimming Control, Traction Control, Fog Lamp and Selectable Ride Switches
Dimming Control, Traction Control, Fog Lamp and Selectable Ride Switches
G200 - 1 of 2
G203 - 3 of 4 - Base Pickup
G200 - 1 of 2
G203 - 1 of 4
G203 - 1 of 4

Interior Lights Dimming Schematics Utilities

Figure 1:

Dimming Control, Rear Wiper/Washer, Roof Beacon, and Selectable Ride Switches


Object Number: 706082  Size: FS
Master Electrical Component List
Interior Lighting Systems Description and Operation
Transfer Case Shift Control and Traction Control Switches and IPC
B+ Bus Bar
Park Lamp Relay, FR PRK, TRL PRK, LR PRK, and RR PRK Fuses
Park Lamp Relay, FR PRK, TRL PRK, LR PRK, and RR PRK Fuses
G203 - 4 of 4 - Utility and Uplevel Pickup
HVAC Control Module, HVAC Control Assembly - Front Auxiliary, and Radio
Transfer Case Shift Control and Traction Control Switches and IPC
Transfer Case Shift Control and Traction Control Switches and IPC
G203 - 1 of 4
G203 - 1 of 4
G203 - 4 of 4 - Utility and Uplevel Pickup
Parklamp Control, Power Door Lock Switch, and Ashtray Lamp
Figure 2:

Transfer Case Shift Control and Traction Control Switches and IPC


Object Number: 706087  Size: FS
Master Electrical Component List
Interior Lighting Systems Description and Operation
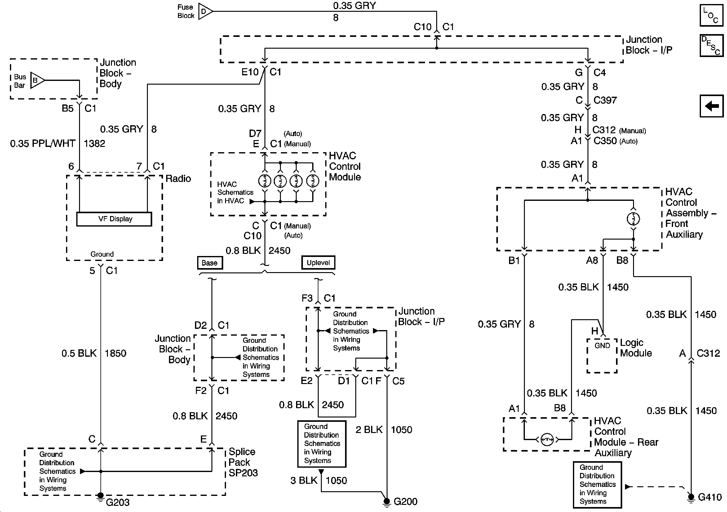
HVAC Control Module, HVAC Control Assembly - Front Auxiliary, and Radio
Dimming Control, Rear Wiper/Washer, Roof Beacon, and Selectable Ride Switches
Dimming Control, Rear Wiper/Washer, Roof Beacon, and Selectable Ride Switches
Dimming Control, Rear Wiper/Washer, Roof Beacon, and Selectable Ride Switches
HVAC Control Module, HVAC Control Assembly - Front Auxiliary, and Radio
Speed Sensor Signals and Traction Control Switch - w/Traction Assist
G203 - 1 of 4
G203 - 4 of 4 - Utility and Uplevel Pickup
G203 - 1 of 4
Figure 3:

HVAC Control Module, HVAC Control Assembly -- Front Auxiliary, and Radio


Object Number: 706089  Size: FS
Master Electrical Component List
Interior Lighting Systems Description and Operation
Transfer Case Shift Control and Traction Control Switches and IPC
Dimming Control, Rear Wiper/Washer, Roof Beacon, and Selectable Ride Switches
Transfer Case Shift Control and Traction Control Switches and IPC
Primary Blower Controls
G200 - 1 of 2
G203 - 1 of 4
G200 - 1 of 2
G203 - 4 of 4 - Utility and Uplevel Pickup
G410 - 1 of 2