GM Service Manual Online
For 1990-2009 cars only

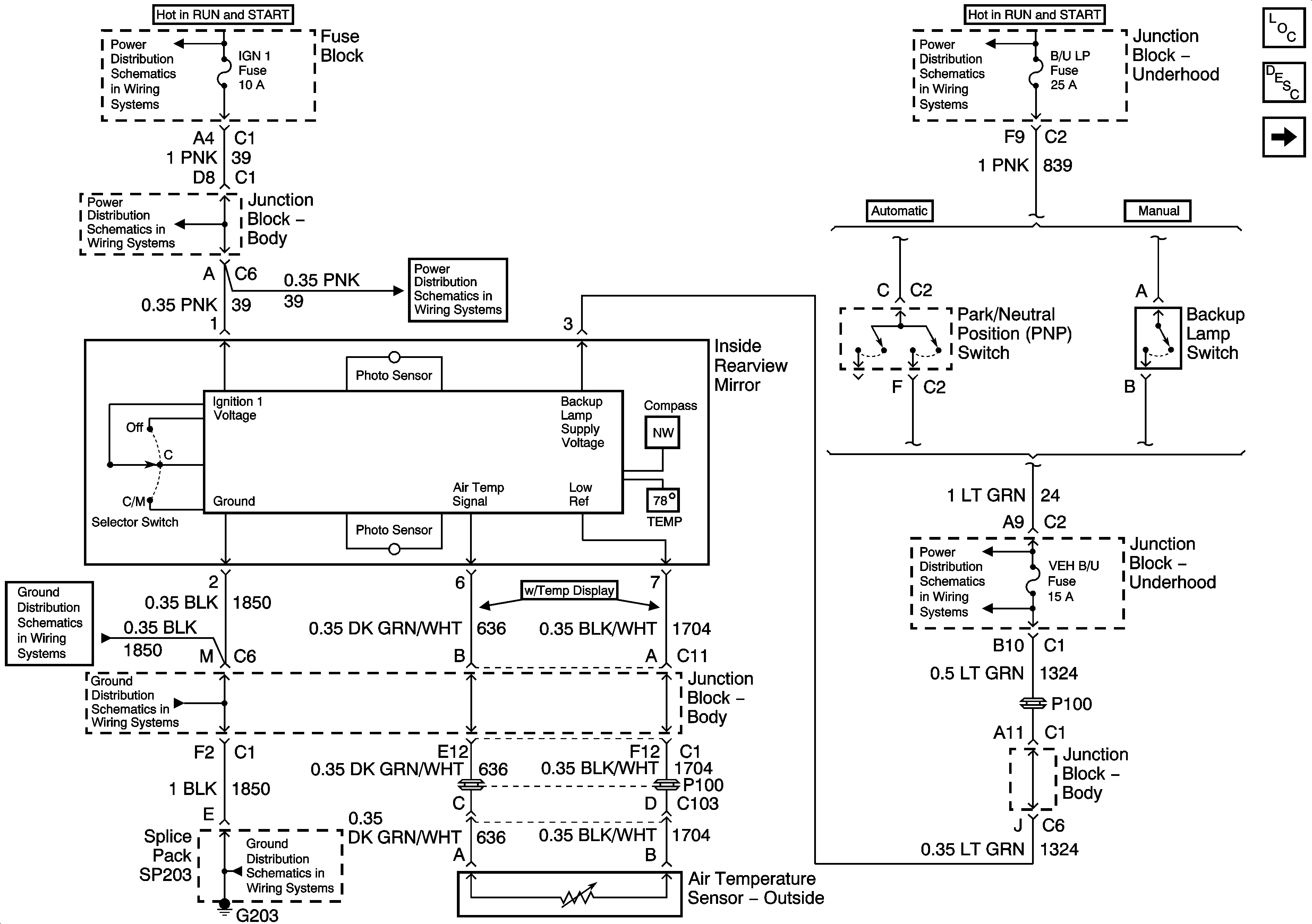
Automatic Day-Night Mirrors Schematics Pickup

Figure 1:

w/o OnStar


Object Number: 698753  Size: FS
Master Electrical Component List
Automatic Day-Night Mirror Description and Operation
Automatic Day-Night Mirror With Compass, Outside Temperature, and OnStar
IGNITION, RUN, and START Bus Bar
IGNITION, RUN, and START Bus Bar
IGN 1, AIR BAG, and SEO IGN Fuses
IGN 1, AIR BAG, and SEO IGN Fuses
B/U LP, BTSI, VEH B/U, and TRL B/U Fuses
G203 - 4 of 4 - Utility and Uplevel Pickup
G203 - 4 of 4 - Utility and Uplevel Pickup
G203 - 1 of 4
Figure 2:

w/OnStar


Object Number: 698755  Size: FS
Master Electrical Component List
Automatic Day-Night Mirror Description and Operation
Automatic Day-Night Mirror With Compass and Outside Temperature
IGNITION, RUN, and START Bus Bar
IGN 1, AIR BAG, and SEO IGN Fuses
IGNITION, RUN, and START Bus Bar
IGN 1, AIR BAG, and SEO IGN Fuses
G203 - 4 of 4 - Utility and Uplevel Pickup
G203 - 4 of 4 - Utility and Uplevel Pickup
G203 - 1 of 4
B/U LP, BTSI, VEH B/U, and TRL B/U Fuses
Vehicle Communication Unit (VCU, Cellular Telephone Microphone and OnStar Button Assembly

Automatic Day-Night Mirrors Schematics Utilities

Figure 1:

w/o OnStar


Object Number: 698763  Size: FS
Master Electrical Component List
Automatic Day-Night Mirror Description and Operation
IGNITION, RUN, and START Bus Bar
IGN 1, AIR BAG, and SEO IGN Fuses
IGNITION, RUN, and START Bus Bar
IGN 1, AIR BAG, and SEO IGN Fuses
G203 - 4 of 4 - Utility and Uplevel Pickup
G203 - 4 of 4 - Utility and Uplevel Pickup
G203 - 1 of 4
B/U LP, BTSI, VEH B/U, and TRL B/U Fuses
w/Electro Chromic
Figure 2:

w/OnStar


Object Number: 698766  Size: FS
Master Electrical Component List
Automatic Day-Night Mirror Description and Operation
Auto Day-Night Mirrors Schematics - Utility
Power Distribution Schematics
Power Distribution Schematics
Power Distribution Schematics
Power Distribution Schematics
Ground Distribution Schematics
Ground Distribution Schematics
Ground Distribution Schematics
Exterior Lights Schematics H/D Trailer Wiring
SIR Schematics Utility
SIR Schematics Utility
Outside Rearview Mirror Schematics