GM Service Manual Online
For 1990-2009 cars only
Makes
🢒
Chevrolet
🢒
2001
🢒
Chevy Suburban - 4WD
🢒
Body and Accessories
🢒
Seats
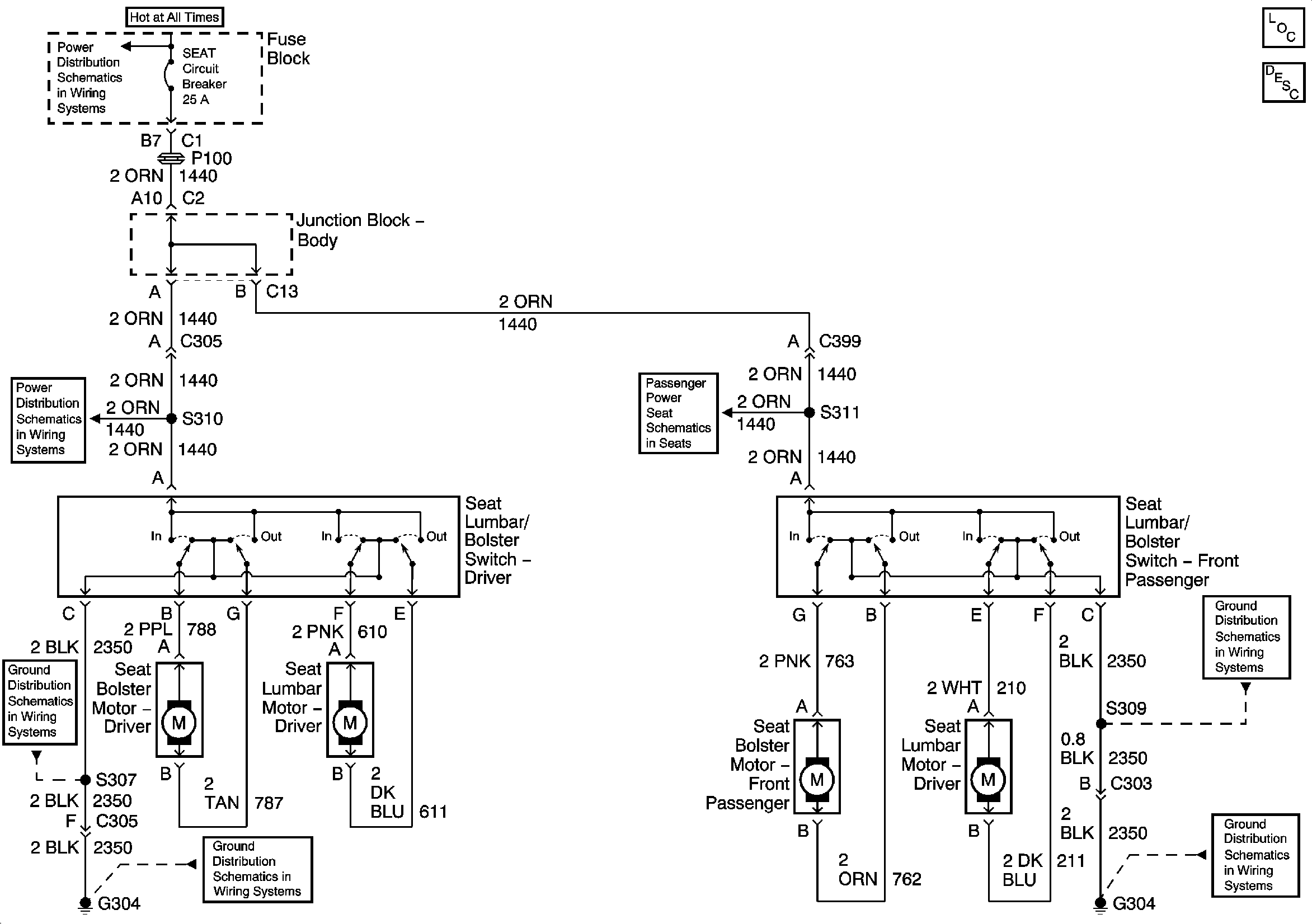
🢒 Lumbar Support Schematics
Lumbar Support Schematics Pickup
Master Electrical Component List
Lumbar Support Description and Operation
SEATS Circuit Breaker and MIR/LOCK Fuse
SEATS Circuit Breaker and MIR/LOCK Fuse
Seat Adjuster Switch - Driver, Seat CB and Seat Horizontal Motor
G304
G304
G304
G304
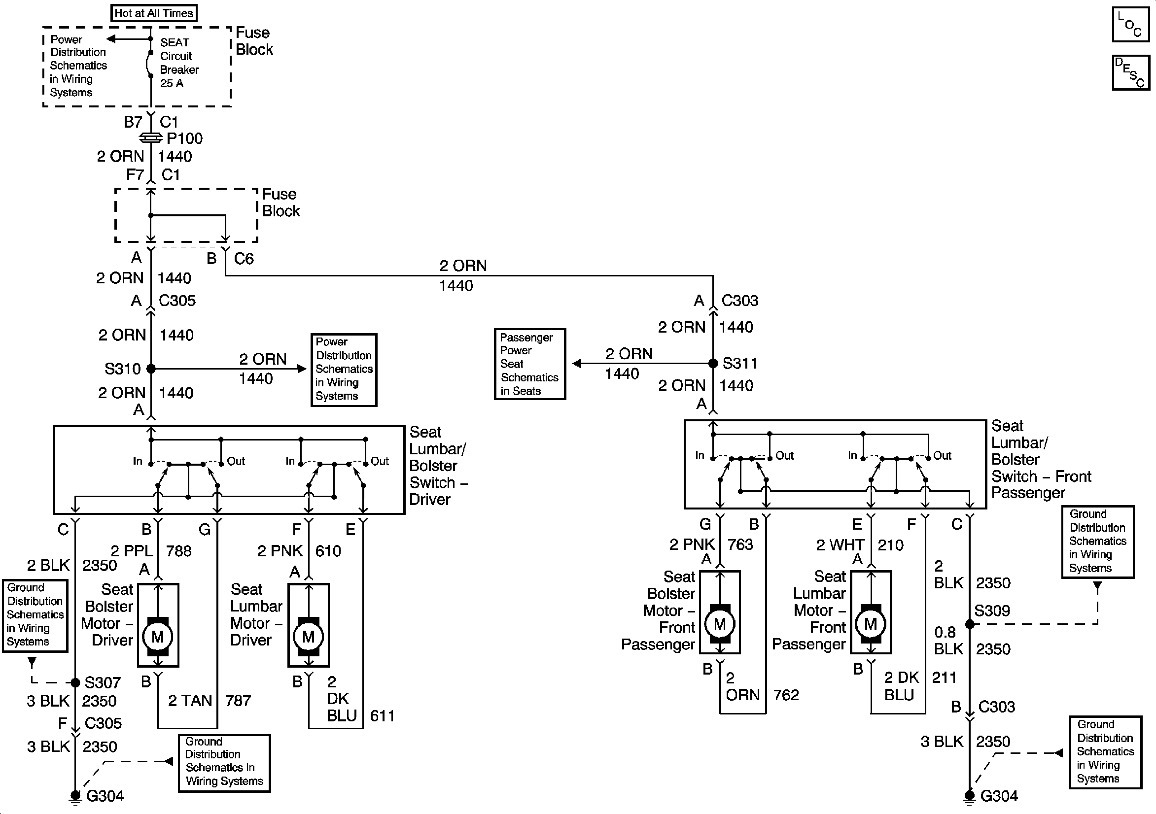
Lumbar Support Schematics Utilities
Power Seat Component Views
Lumbar Support Description and Operation
SEATS Circuit Breaker and MIR/LOCK Fuse
SEATS Circuit Breaker and MIR/LOCK Fuse
Seat Adjuster Switch - Driver, Seat CB and Seat Horizontal Motor
G304
G304
G304
G304