GM Service Manual Online
For 1990-2009 cars only
Makes
🢒
Chevrolet
🢒
2002
🢒
Chevy Suburban - 4WD
🢒
Driveline/Axle
🢒
Transfer Case - NVG 236/246-NP8 (Two Speed Automatic)
🢒 Transfer Case Control Schematics
Figure
1:
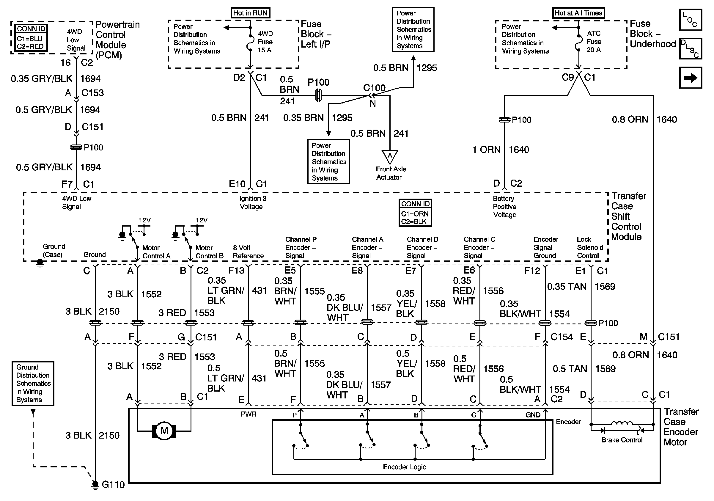
Power, Ground and Transfer Case Encoder Motor
Master Electrical Component List
Transfer Case Description and Operation
Propshaft Speed Sensors, Front Axle Actuator
4WD and HVAC I Fuses
4WD and HVAC I Fuses
ABS, HAZ LP, STUD 1, STUD 2, CTSY LP, and PARK LP Fuses
4WD and HVAC I Fuses
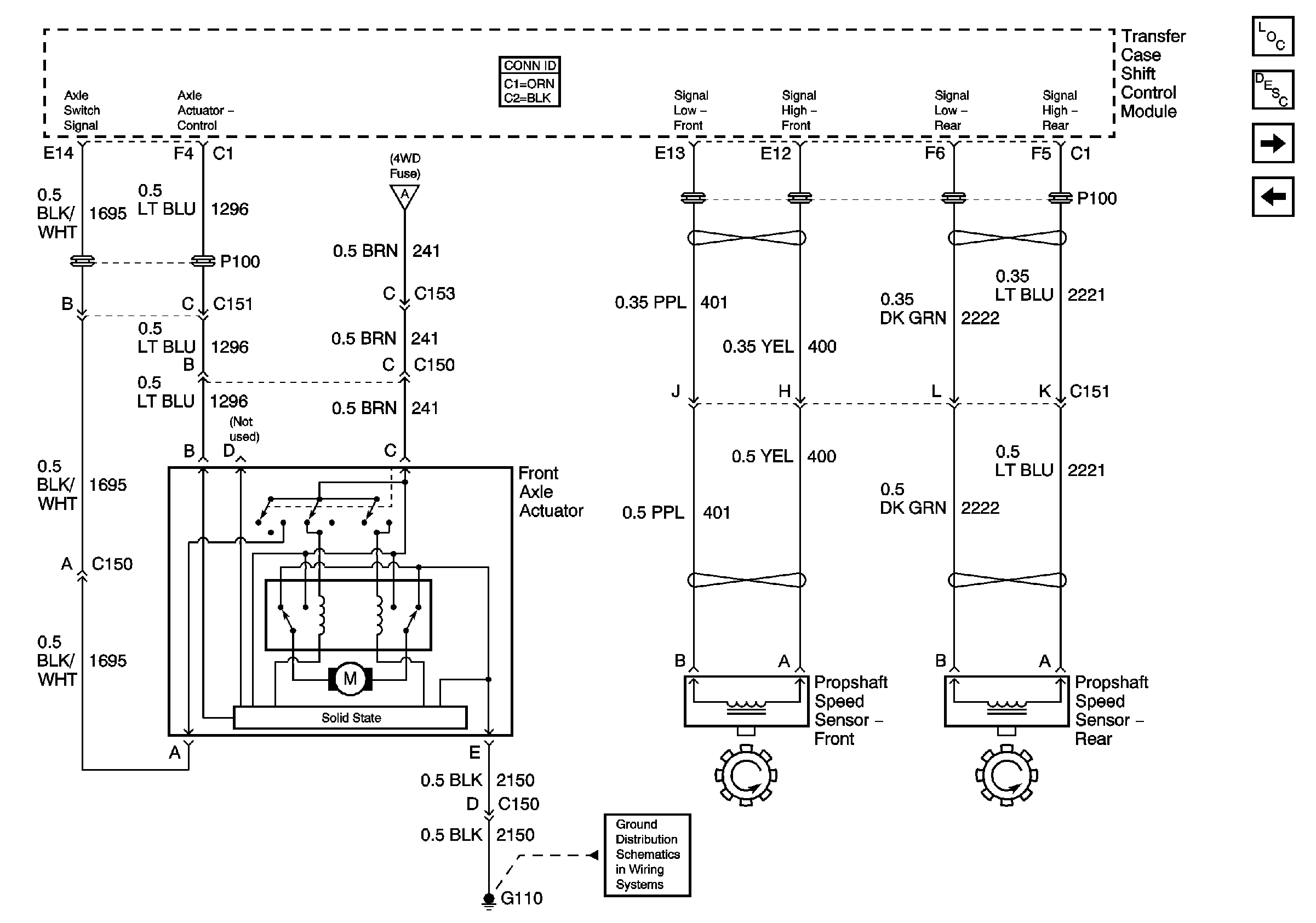
Propshaft Speed Sensors, Front Axle Actuator
G100 and G110
Figure
2:
Propshaft Speed Sensors, Front Axle Actuator
Master Electrical Component List
Transfer Case Description and Operation
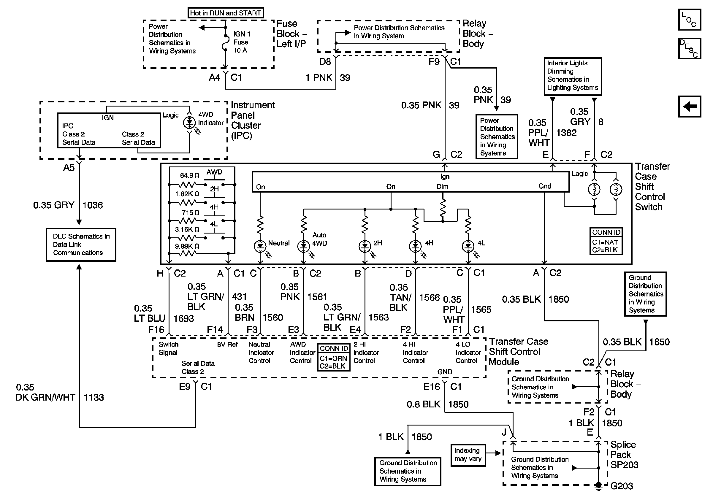
Switch Controls
Power, Ground and Transfer Case Encoder Motor
Power, Ground and Transfer Case Encoder Motor
G100 and G110
Figure
3:
Switch Controls
Master Electrical Component List
Transfer Case Description and Operation
Propshaft Speed Sensors, Front Axle Actuator
IGN 1, SEO IGN, and AIR BAG Fuses
IGN 1, SEO IGN, and AIR BAG Fuses
Transfer Case Shift Control Switch and Traction Assist Switch
IGN 1, SEO IGN, and AIR BAG Fuses
Splice Pack SP205
G203 - 1 of 4
G203 - 4 of 4
G203 - 4 of 4
G203 - 1 of 4