GM Service Manual Online
For 1990-2009 cars only
Makes
🢒
Chevrolet
🢒
2002
🢒
Chevy Suburban - 4WD
🢒
Body and Accessories
🢒
Body Rear End
🢒 Body Rear End Schematics
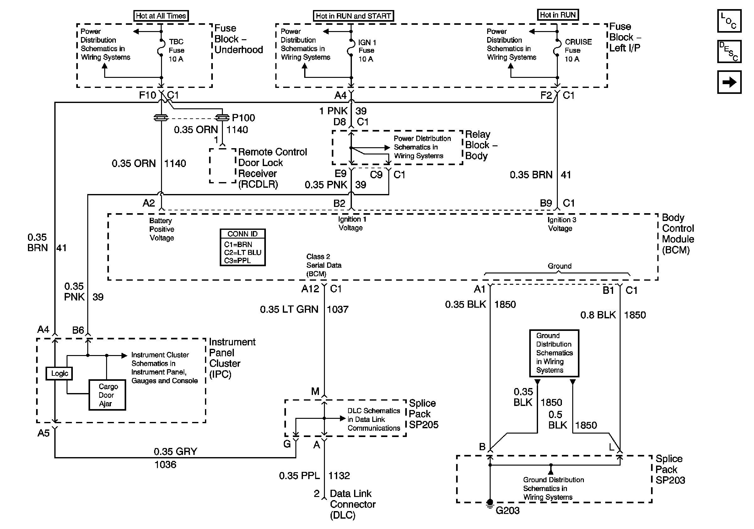
Figure
1:
Power, Ground and DLC
B+ Bus Bar
TBC, FOG LP, LT HDLP, and RT HDLP Fuses
Power and Ground
IGNITION, RUN, and START Bus Bar
IGN 1, SEO IGN, and AIR BAG Fuses
IGN 1, SEO IGN, and AIR BAG Fuses
Splice Pack SP205
IGNITION, RUN, ACCESSORY, and RAP Bus Bars - RAP #1 and RAP #2 Fuses
BRAKE, CRUISE, HTR A/C, RR WPR, WS WPR, and SEO ACCY Fuses
G203 - 1 of 4
G203 - 1 of 4
Master Electrical Component List
Cargo Door Description and Operation
Window Wiper Module, Ajar Switches and Ground
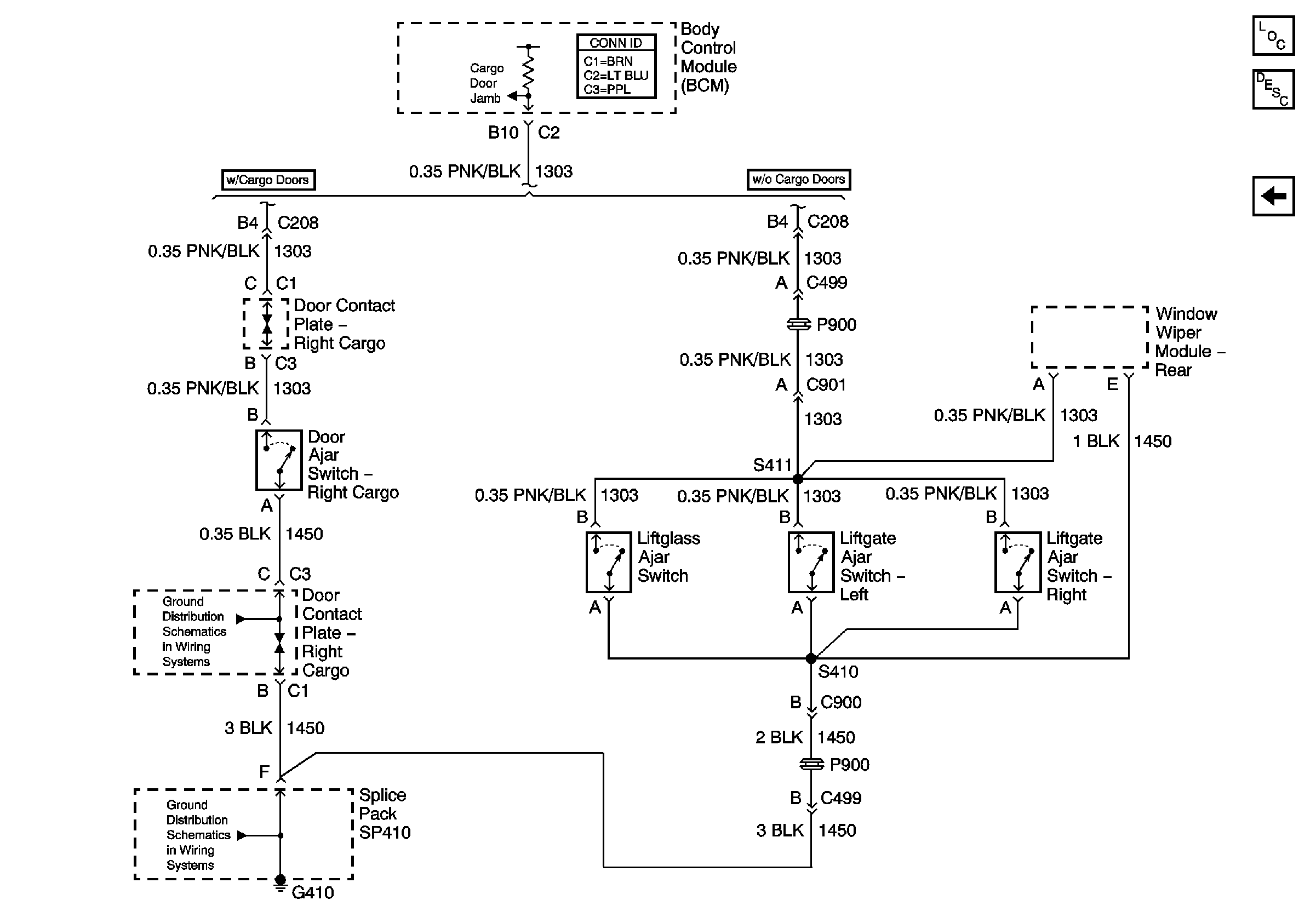
Figure
2:
Window Wiper Module, Ajar Switches and Ground
G410 2 of 2
G410 2 of 2
Master Electrical Component List
Cargo Door Description and Operation
Power, Ground and DLC