GM Service Manual Online
For 1990-2009 cars only
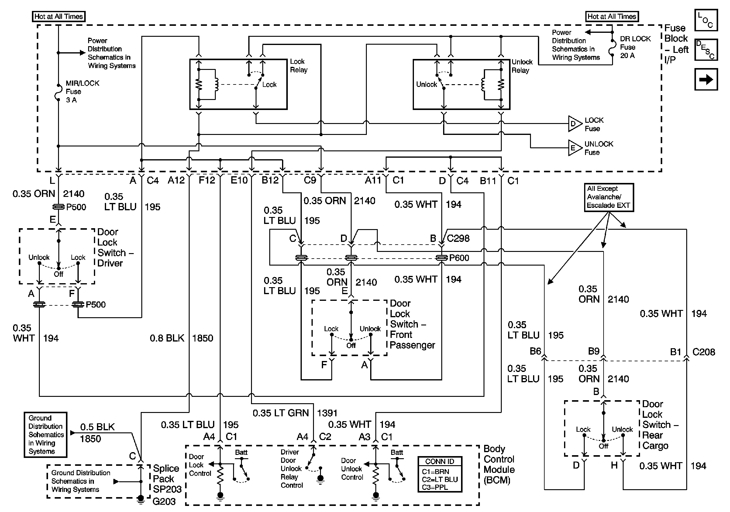
Figure 1:

Power, Ground, and Switches - Base


Object Number: 749391  Size: FS
Master Electrical Component List
Power Door Locks Description and Operation
Actuators
IGNITION, RUN, ACCESSORY, and RAP Bus Bars - RAP #1 and RAP #2 Fuses
IGNITION, RUN, ACCESSORY, and RAP Bus Bars - RAP #1 and RAP #2 Fuses
Actuators
G203 - 1 of 4
G203 - 1 of 4
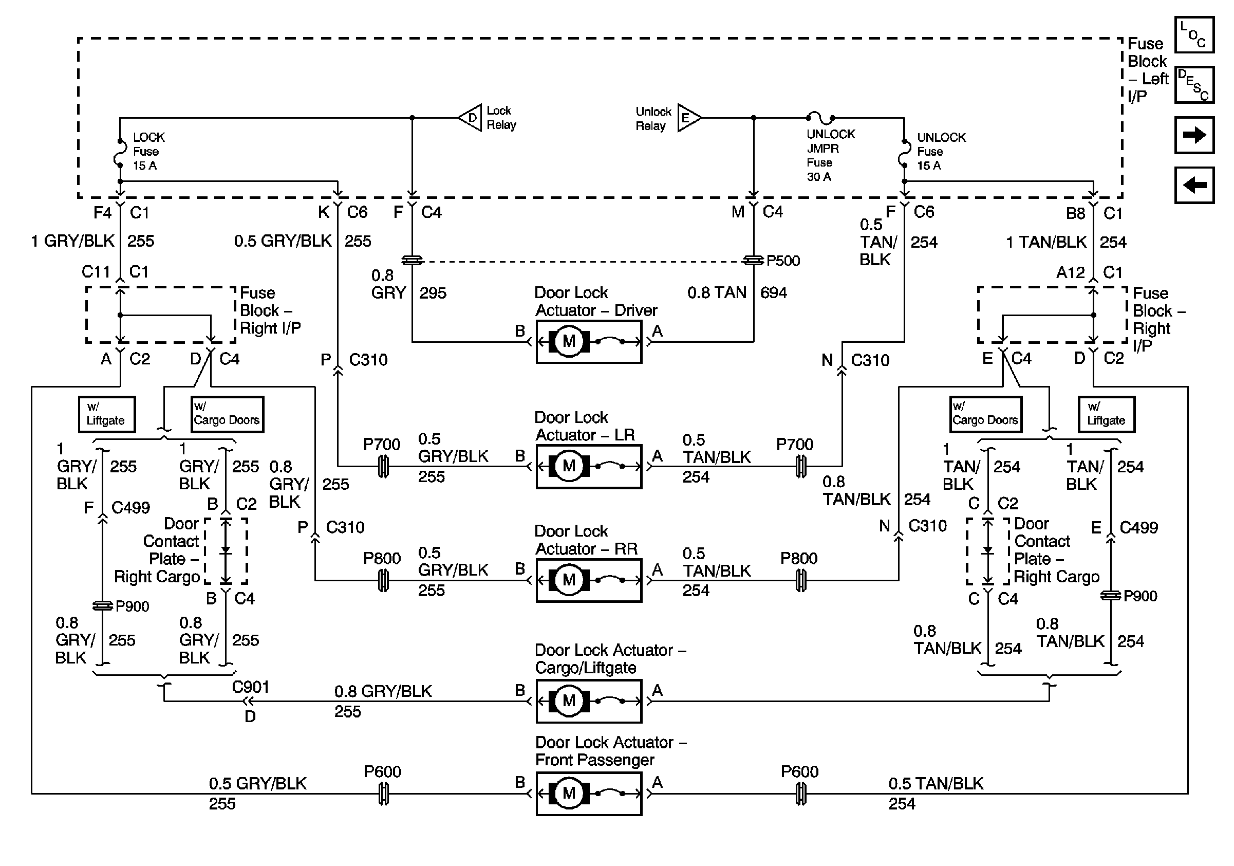
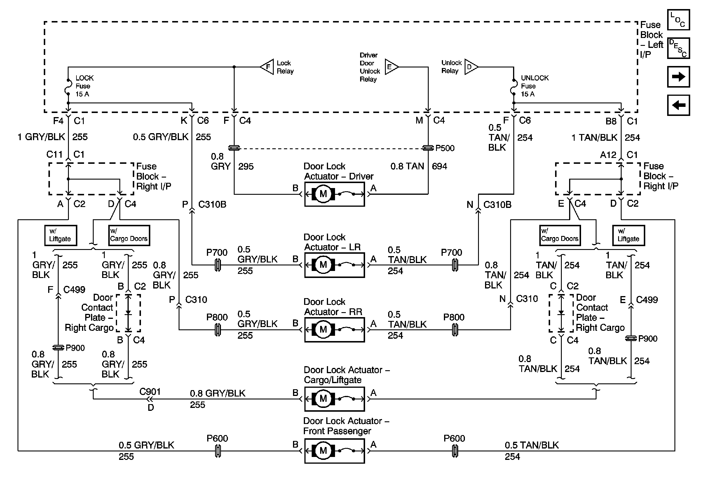
Figure 2:

Actuators - Base


Object Number: 749392  Size: FS
Master Electrical Component List
Power Door Locks Description and Operation
Power, Ground, and Switches
Power, Ground, and Switches
Power, Ground, and Switches
Power, Ground, and Switches
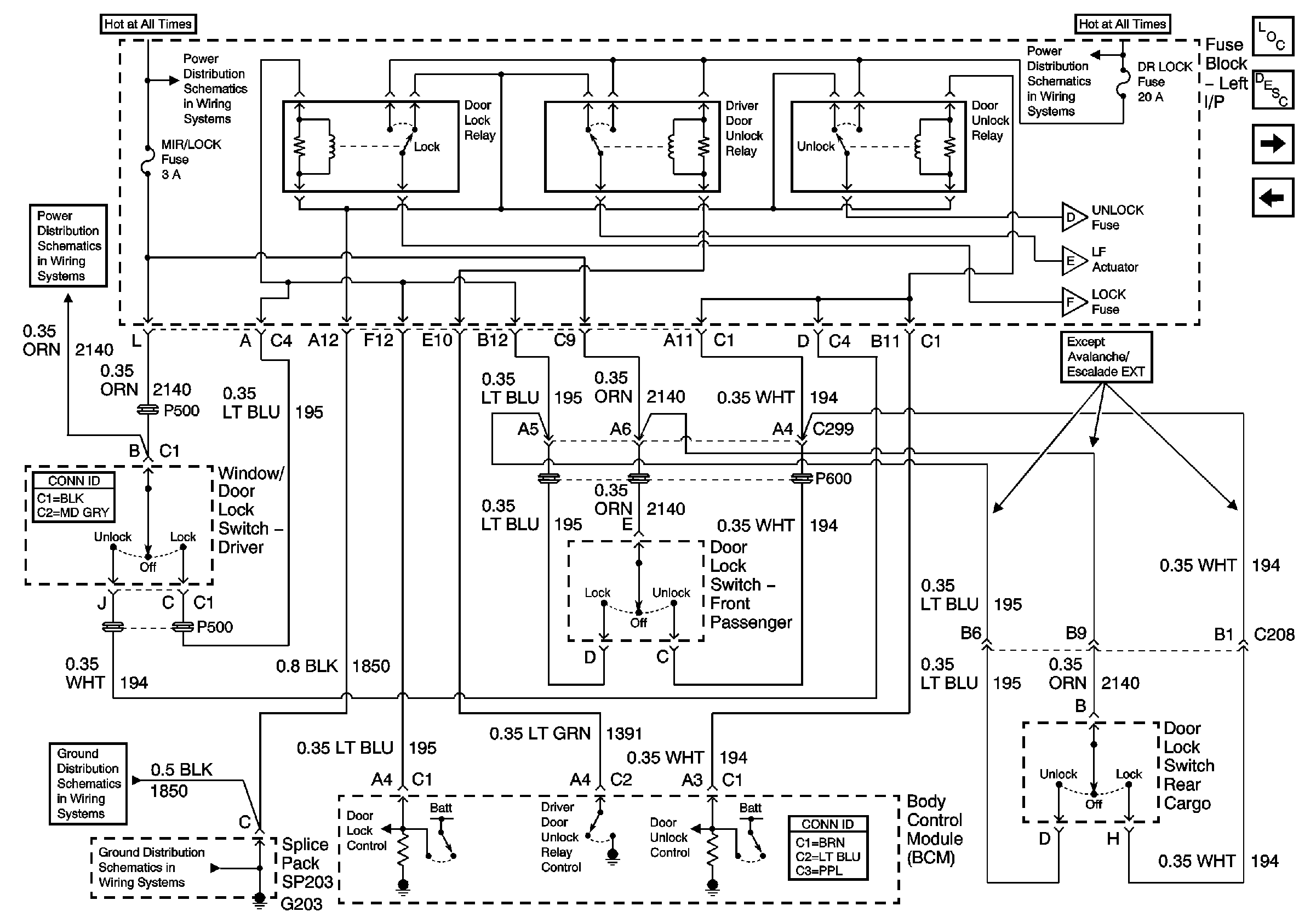
Figure 3:

Power, Ground, and Switches - YE9 and Y91


Object Number: 749394  Size: FS
Master Electrical Component List
Power Door Locks Description and Operation
Actuators
Actuators
SEATS Circuit Breaker and MIR/LOCK Fuse
IGNITION, RUN, ACCESSORY, and RAP Bus Bars - RAP #1 and RAP #2 Fuses
IGNITION, RUN, ACCESSORY, and RAP Bus Bars - RAP #1 and RAP #2 Fuses
Actuators
Actuators
Actuators
G203 - 1 of 4
G203 - 1 of 4
Figure 4:

Actuators - YE9 and Y91


Object Number: 749395  Size: FS
Master Electrical Component List
Power Door Locks Description and Operation
Body Control Module (BCM)
Power, Ground, and Switches
Power, Ground, and Switches
Power, Ground, and Switches
Power, Ground, and Switches
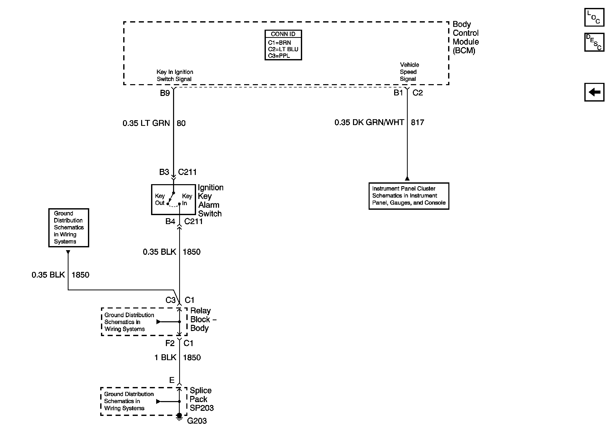
Figure 5:

BCM Controls


Object Number: 749393  Size: FS
Master Electrical Component List
Power Door Locks Description and Operation
Actuators
G203 - 3 of 4
G203 - 1 of 4
Gages, VSS, and Engine Oil Signals