GM Service Manual Online
For 1990-2009 cars only
Makes
🢒
Chevrolet
🢒
2002
🢒
Chevy Suburban - 4WD
🢒
Body and Accessories
🢒
Doors
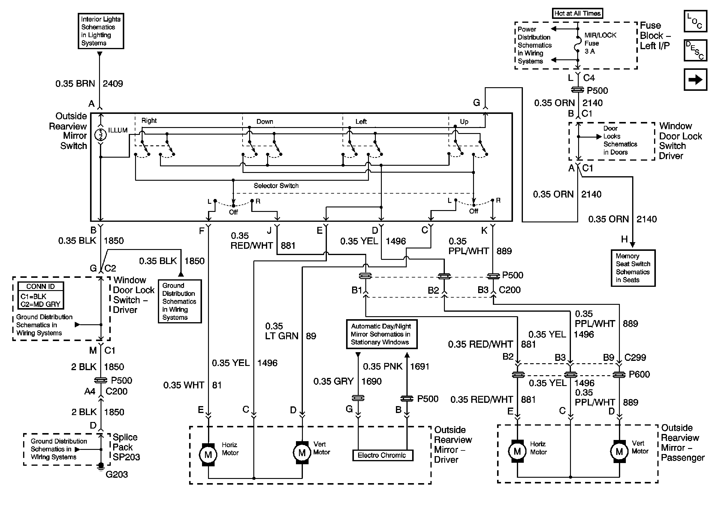
🢒 Outside Rearview Mirror Schematics
Figure
1:
Outside Rearview Mirror Switch and Motors-Except Escalade
Master Electrical Component List
Power Windows Description and Operation
Power, Outside Rearview Mirror Switch and Memory Seat Switch (Z75)
Park Lamp Control, INTPRK and PARK LPS Fuse
G203 - 2 of 4
G203 - 2 of 4
G203 - 1 of 4
SEATS Circuit Breaker and MIR/LOCK Fuse
Memory Seat Control - Non Class 2
Inside Rearview Mirror Schematics
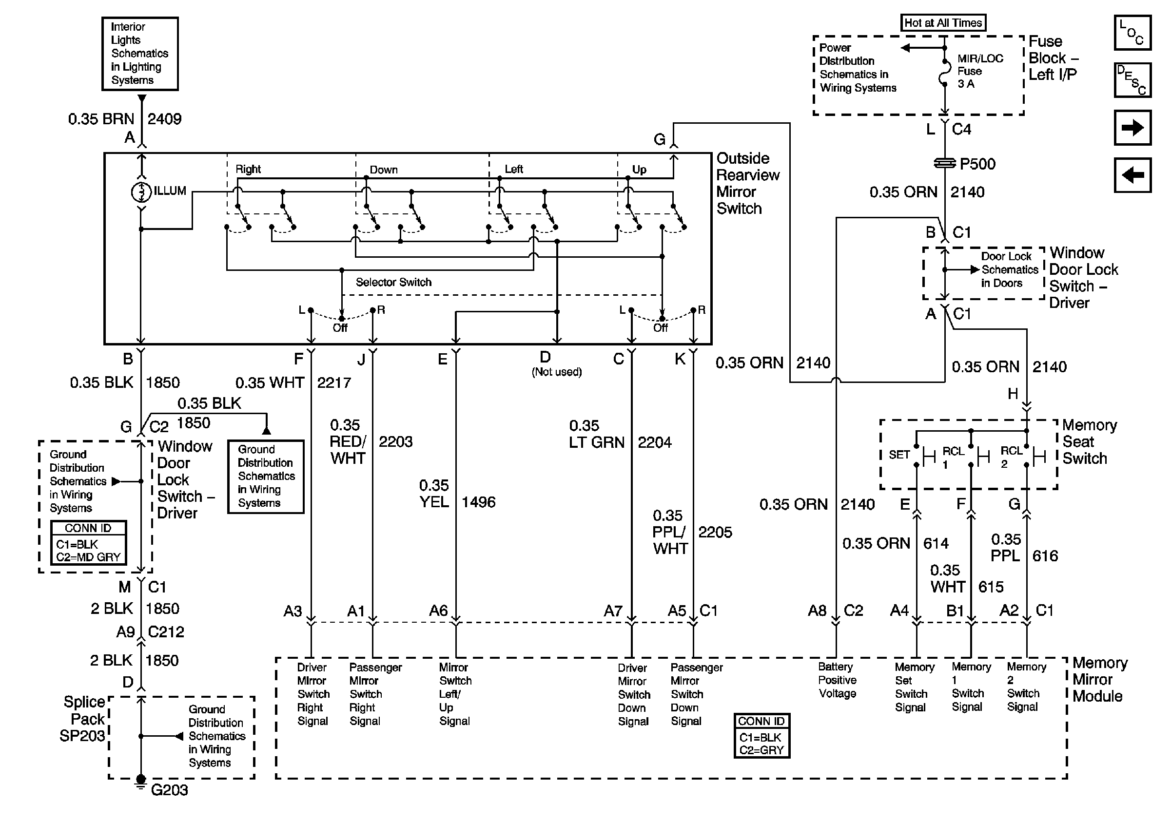
Figure
2:
Power, Outside Rearview Mirror Switch and Memory Seat Switch-Escalade
Master Electrical Component List
Power Windows Description and Operation
Outside Rearview Mirror - Driver and Memory Mirror Module (Z75)
Outside Rearview Mirror Switch and Motors (Except Z75)
Park Lamp Control, INTPRK and PARK LPS Fuse
SEATS Circuit Breaker and MIR/LOCK Fuse
G203 - 2 of 4
G203 - 2 of 4
G203 - 1 of 4
Power, Ground, and Switches
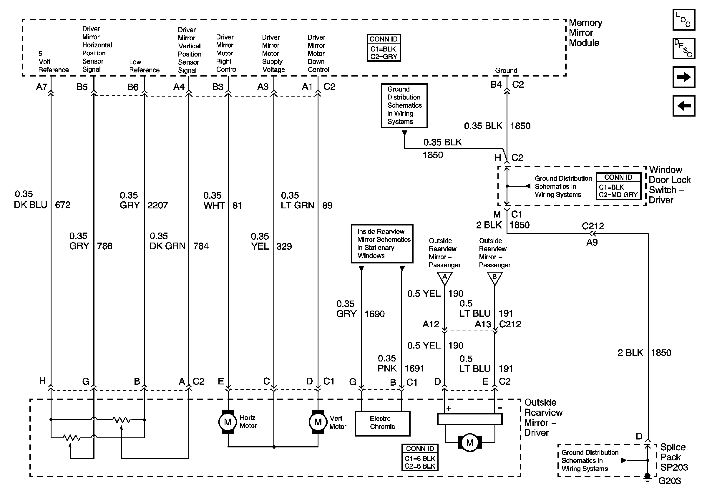
Figure
3:
Outside Rearview Mirror - Driver and Memory Mirror Module-Escalade
Master Electrical Component List
Power Windows Description and Operation
Outside Rearview Mirror - Passenger and Outside Rearview Power Folding Mirror Switch (Z75)
Power, Outside Rearview Mirror Switch and Memory Seat Switch (Z75)
G203 - 2 of 4
G203 - 2 of 4
Inside Rearview Mirror Schematics
Outside Rearview Mirror - Passenger and Outside Rearview Power Folding Mirror Switch (Z75)
Outside Rearview Mirror - Passenger and Outside Rearview Power Folding Mirror Switch (Z75)
G203 - 1 of 4
Figure
4:
Outside Rearview Mirror - Passenger and Outside Rearview Power Folding Mirror Switch-Escalade
Master Electrical Component List
Power Windows Description and Operation
Outside Rearview Mirror Heater Control
Outside Rearview Mirror - Driver and Memory Mirror Module (Z75)
Splice Pack SP205
RR HVAC, EXP LPS, ATC, and RR WPR B Fuses
Power Folding Mirror Switch, Analog Clock and Steering Wheel Controls
G200 - 2 of 2
Outside Rearview Mirror - Driver and Memory Mirror Module (Z75)
Outside Rearview Mirror - Driver and Memory Mirror Module (Z75)
G200 - 1 of 2
G200 - 1 of 2
Figure
5:
Outside Rearview Mirror Heater Control
Master Electrical Component List
Power Windows Description and Operation
Outside Rearview Mirror - Passenger and Outside Rearview Power Folding Mirror Switch (Z75)
O2 B, O2 A, ENG 1, and IGN E Fuses
Rear Window Defogger Control
Exterior Illumination Control
G203 - 2 of 4
G203 - 2 of 4
G203 - 1 of 4
G200 - 1 of 2
G200 - 1 of 2
G200 - 1 of 2