GM Service Manual Online
For 1990-2009 cars only
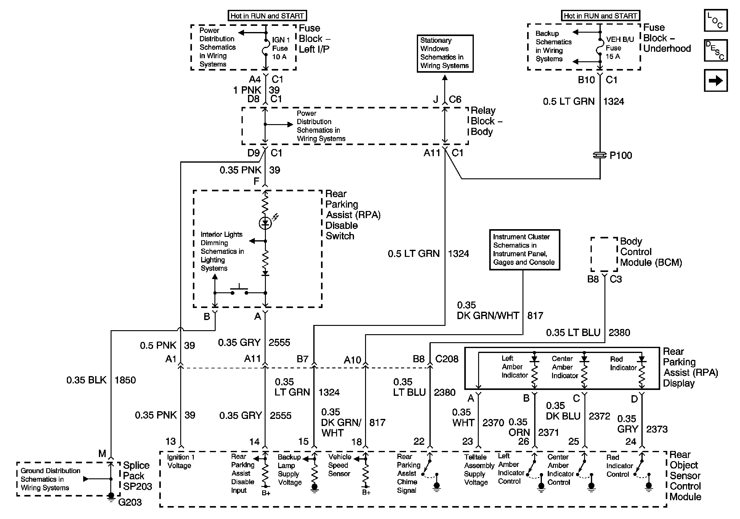
Figure 1:

Rear Parking Assist (RPA) Display, RPA Disable Switch, Control Module-Escalade


Object Number: 750564  Size: FS
IGNITION, RUN, and START Bus Bar
Inside Rearview Mirror Schematics
B/U LP, BTSI, VEH B/U - 1 of 2, and TRL B/U Fuses
Radio, CD Player, and HVAC Control Module
Gages, VSS, and Engine Oil Signals
G203 - 1 of 4
Master Electrical Component List
Object Detection Description and Operation
Rear Object Sensor Control Module, Object Sensors
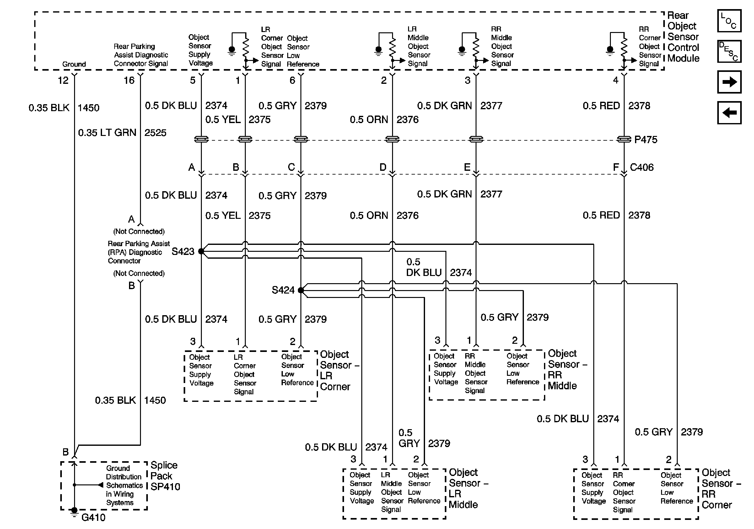
Figure 2:

Rear Object Sensor Control Module and Object Sensors-Escalade


Object Number: 750568  Size: FS
G410 2 of 2
Master Electrical Component List
Object Detection Description and Operation
Rear Parking Assist (RPA) Disable Switch,RPA Display and Rear Object Control Module-806 w/o VSES
Rear Parking Assist (RPA) Display, RPA Disable Switch, Control Module
Figure 3:

Rear Parking Assist (RPA) Disable Switch and RPA Display-Escalade EXT


Object Number: 812280  Size: FS
IGN 1, SEO IGN, and AIR BAG Fuses
Inside Rearview Mirror Schematics
B/U LP, BTSI, VEH B/U - 1 of 2, and TRL B/U Fuses
Master Electrical Component List
Object Detection Description and Operation
Object Sensors - Avalanche
Rear Object Sensor Control Module, Object Sensors
Radio, CD Player, and HVAC Control Module
Gages, VSS, and Engine Oil Signals
G203 - 1 of 4
Figure 4:

Rear Object Sensor Control Module and Object Sensors-Escalade EXT


Object Number: 806391  Size: FS
G304
Master Electrical Component List
Object Detection Description and Operation
Rear Parking Assist (RPA) Disable Switch,RPA Display and Rear Object Control Module-806 w/o VSES