GM Service Manual Online
For 1990-2009 cars only
Makes
🢒
Chevrolet
🢒
2002
🢒
Chevy Suburban - 4WD
🢒
Body and Accessories
🢒
Instrument Panel, Gages, and Console
🢒 Audible Warnings Schematics
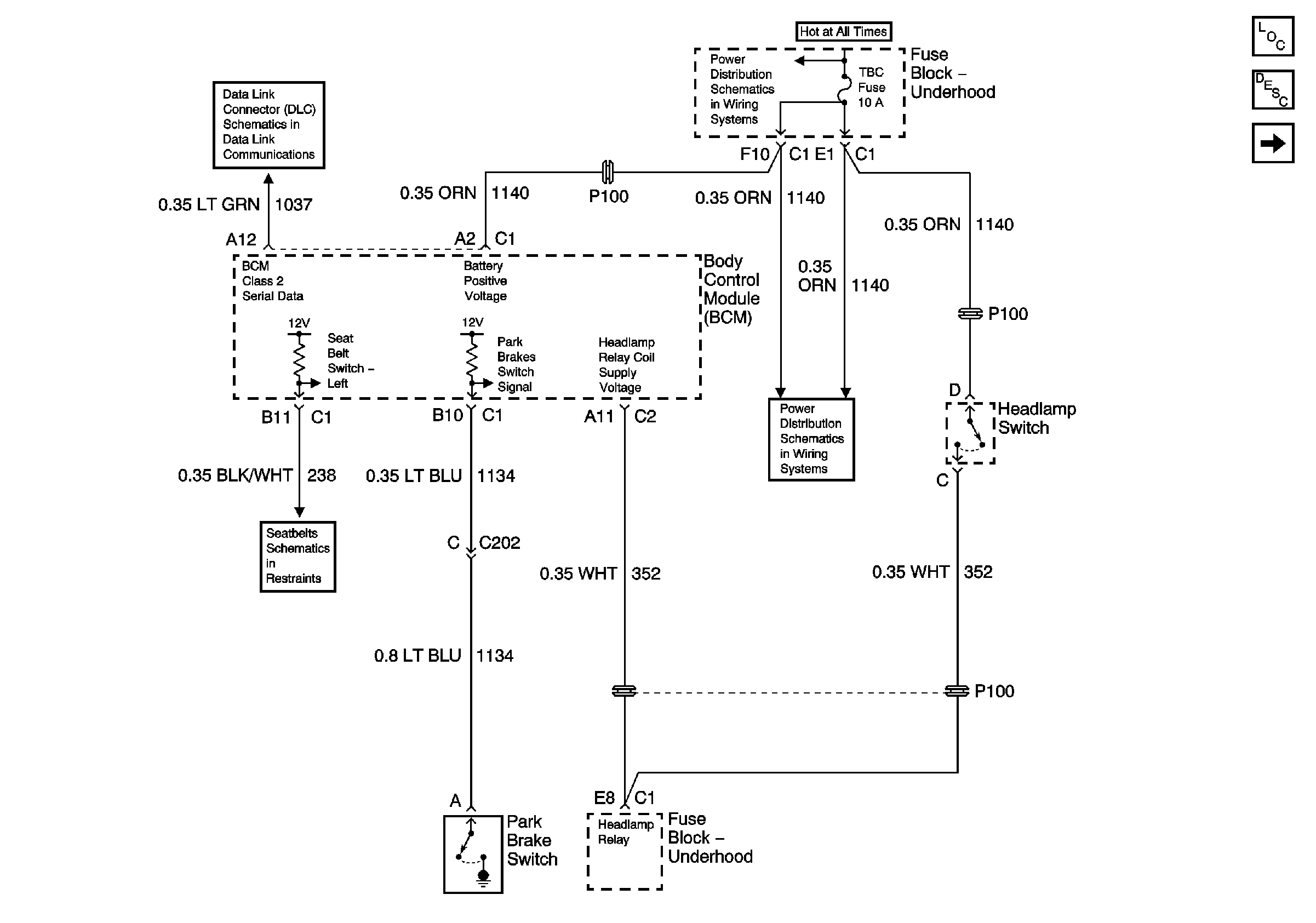
Figure
1:
Headlamps, Seat Belt, and Park Brake Chime
Master Electrical Component List
Audible Warnings Description and Operation
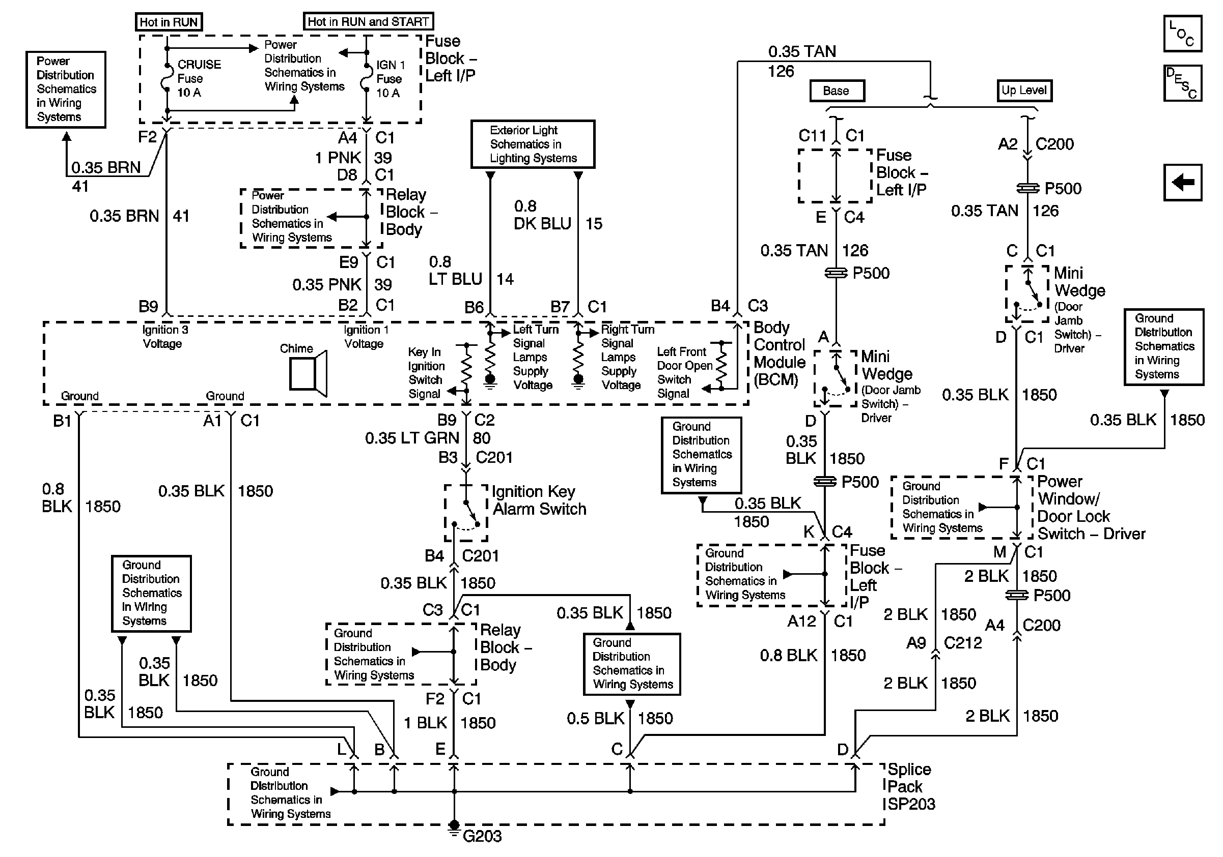
Key in Ignition and Turn Signal Chime
Splice Pack SP205
TBC, FOG LP, LT HDLP, and RT HDLP Fuses
Seat Belt Switch
TBC, FOG LP, LT HDLP, and RT HDLP Fuses
Figure
2:
Key in Ignition and Turn Signal Chime
Master Electrical Component List
Audible Warnings Description and Operation
Headlamps, Seat Belt, and Park Brake Chime
BRAKE, CRUISE, HTR A/C, RR WPR, WS WPR, and SEO ACCY Fuses
BRAKE, CRUISE, HTR A/C, RR WPR, WS WPR, and SEO ACCY Fuses
IGN 1, SEO IGN, and AIR BAG Fuses
Park/Turn Signal Lamps
G203 - 1 of 4
G203 - 1 of 4
G203 - 3 of 4
G203 - 2 of 4
G203 - 2 of 4
G203 - 1 of 4
G203 - 2 of 4
G203 - 2 of 4