GM Service Manual Online
For 1990-2009 cars only
Makes
🢒
Chevrolet
🢒
2002
🢒
Chevy Suburban - 4WD
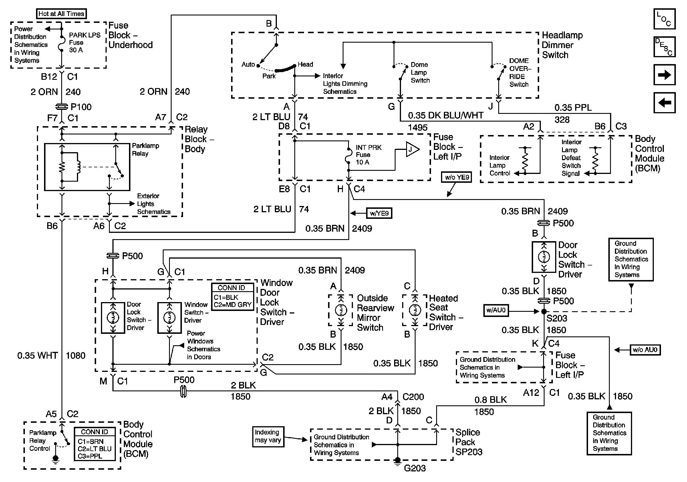
🢒 Parklamp Control, INT PRK and PARK LPS Fuses
Parklamp Control, INT PRK and PARK LPS Fuses
Interior Parklamp Supply - 1 of 3
Master Electrical Component List
Interior Lighting Systems Description and Operation
Interior Parklamp Supply - 2 of 3
Vanity Mirror, Map and Courtesy Reading Lamps (Luxury)
ABS, HAZ LP, STUD 1, STUD 2, CTSY LP, and PARK LP Fuses
Power, Ground and Dimming Control
Park Lamp Control
Interior Parklamp Supply - 2 of 3
Window Switches and Motors-Front Doors
G203 - 1 of 4
G203 - 2 of 4
G203 - 2 of 4
G203 - 2 of 4