GM Service Manual Online
For 1990-2009 cars only
Makes
🢒
Chevrolet
🢒
2002
🢒
Chevy Suburban - 4WD
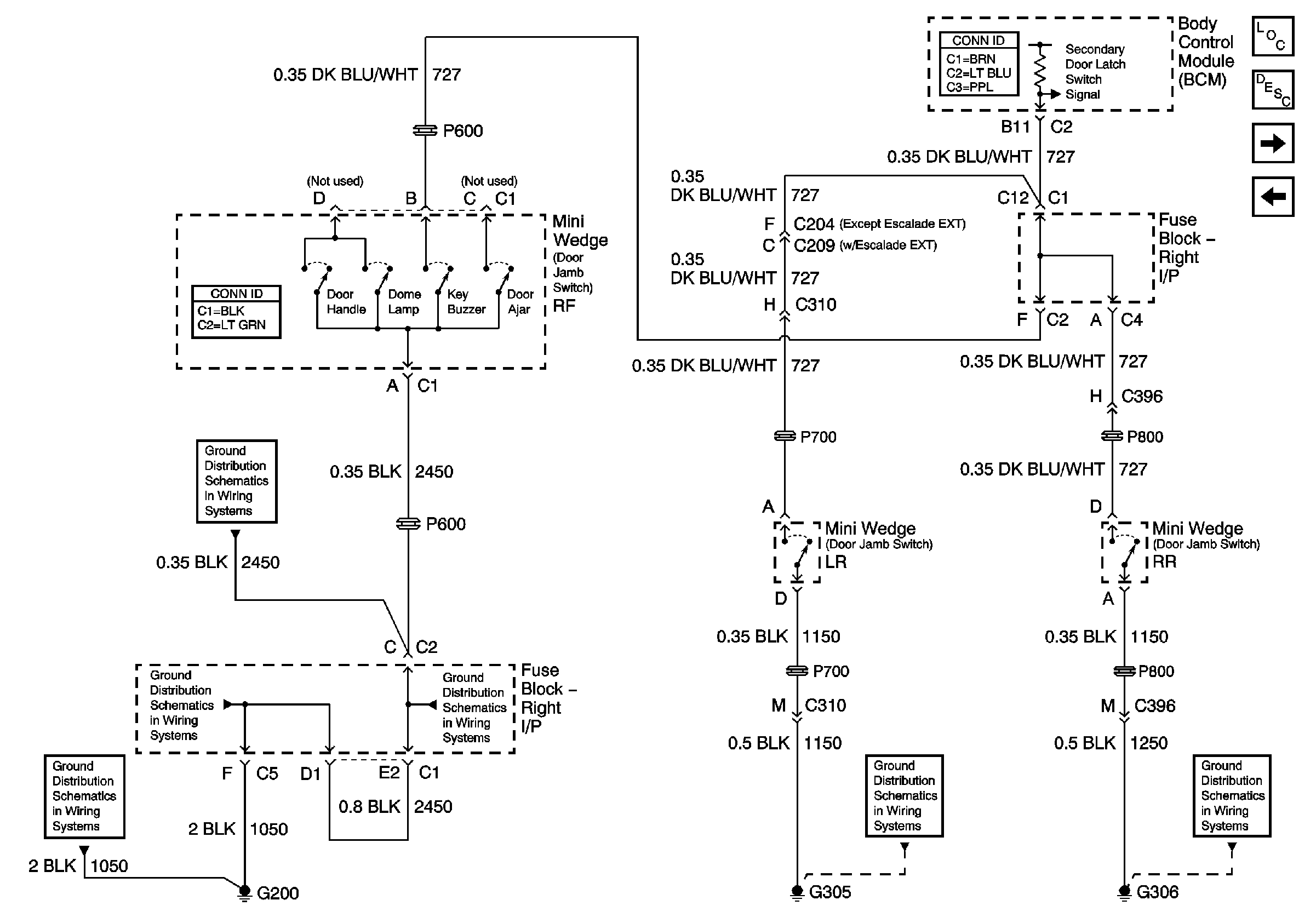
🢒 Door Jamb Switches - RF, LR, RR
Door Jamb Switches - RF, LR, RR
Door Jamb Switches - RF, LR, RR
Master Electrical Component List
Interior Lighting Systems Description and Operation
Cargo and Liftgate Ajar Switches
Bezel Lamp and Door Jamb Switch - LF
G200 - 2 of 2
G200 - 1 of 2
G200 - 1 of 2
G200 - 2 of 2
G305
G306