GM Service Manual Online
For 1990-2009 cars only
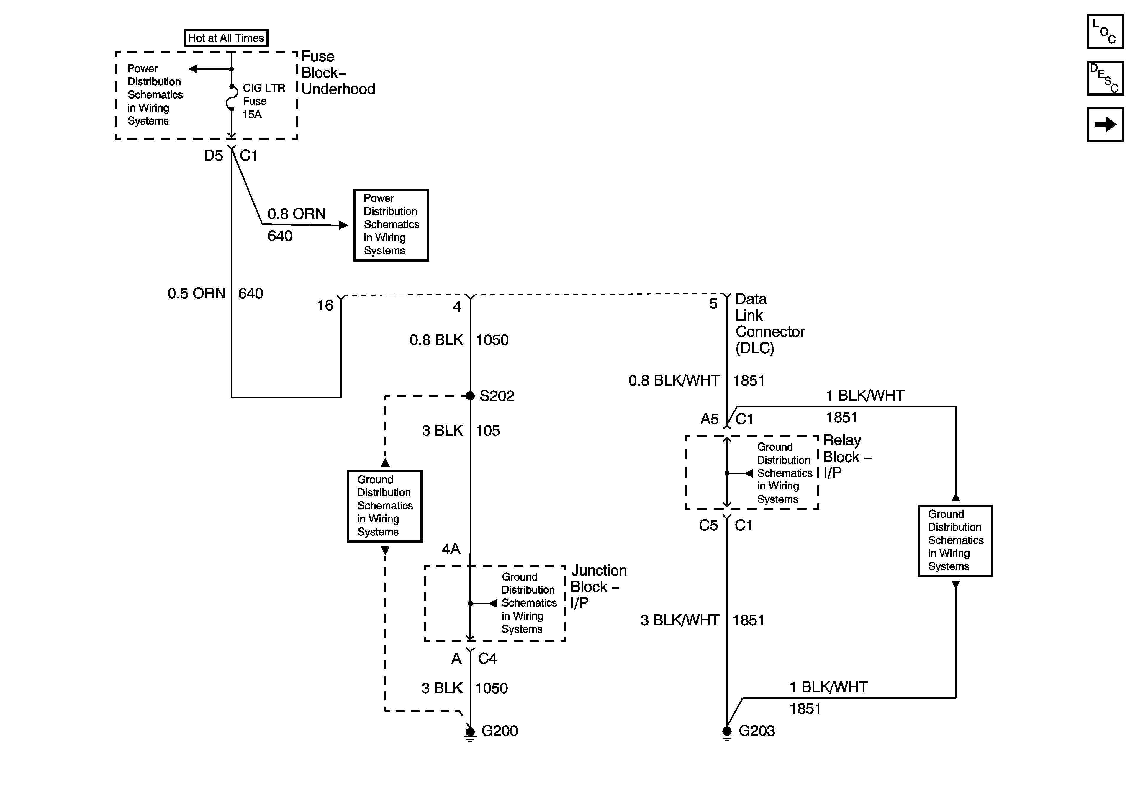
Figure 1:

Power, Ground and Data Link Connector


Object Number: 1226194  Size: FS
Master Electrical Component List
Data Link Communications Description and Operation
SP205 - 1 of 2
B+ Bus - 1 of 2
INFO, CIG LTR Fuses
G200 - 1 of 3
G200 - 1 of 3
G203 - 1 of 3
G203 - 1 of 3
Figure 2:

SP205 - 1 of 2


Object Number: 1226195  Size: FS
Master Electrical Component List
Data Link Communications Description and Operation
SP205 - 2 of 2
Power, Ground and Data Link Connector
SP205 - 2 of 2
Figure 3:

SP205 - 2 of 2


Object Number: 1226197  Size: FS
Master Electrical Component List
Data Link Communications Description and Operation
SP206
SP205 - 1 of 2
SP206
SP205 - 1 of 2
SP207
Figure 4:

SP206


Object Number: 1226199  Size: FS
Master Electrical Component List
Data Link Communications Description and Operation
SP207
SP205 - 2 of 2
SP205 - 2 of 2
SIR Caution for Zoning
Figure 5:

SP207


Object Number: 1226201  Size: FS
Master Electrical Component List
Data Link Communications Description and Operation
SP206
SP205 - 2 of 2