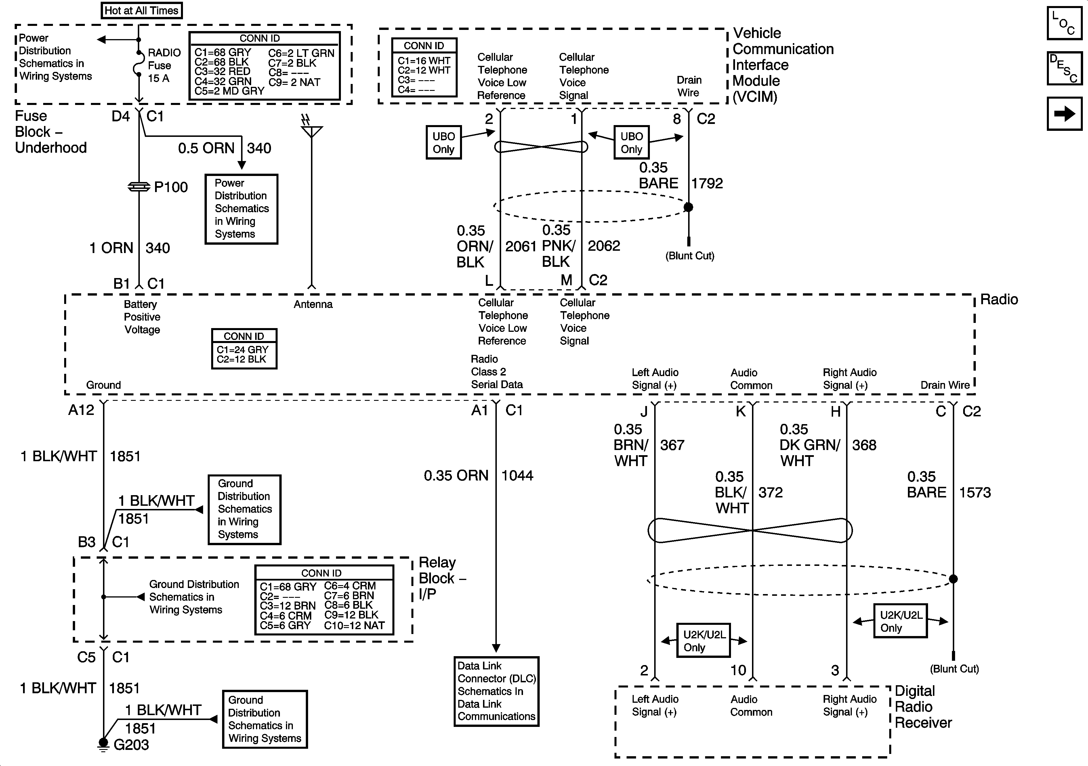
| Figure 1: |
Power, Ground, Audio Signals
|
| Figure 2: |
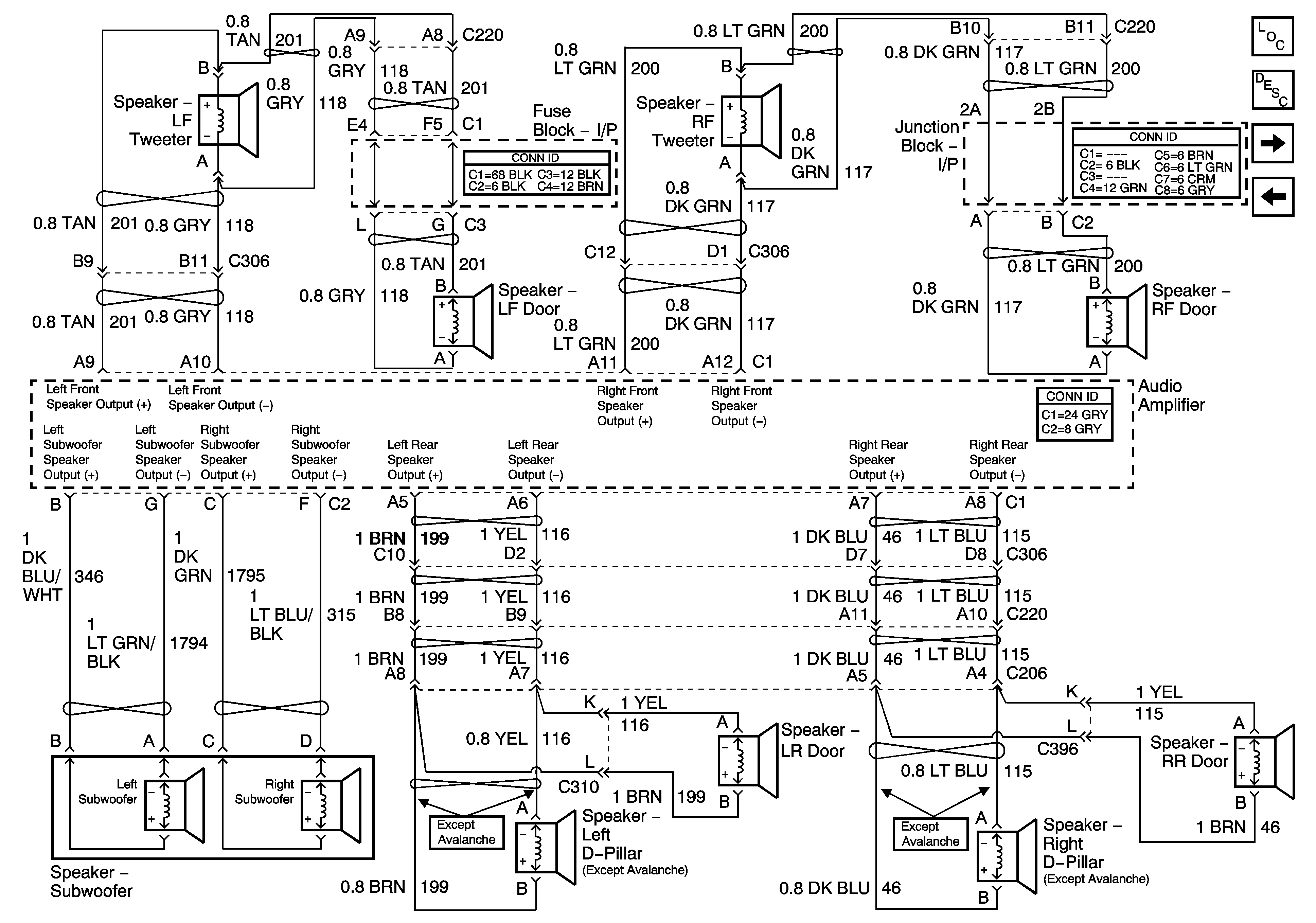
Speakers
|
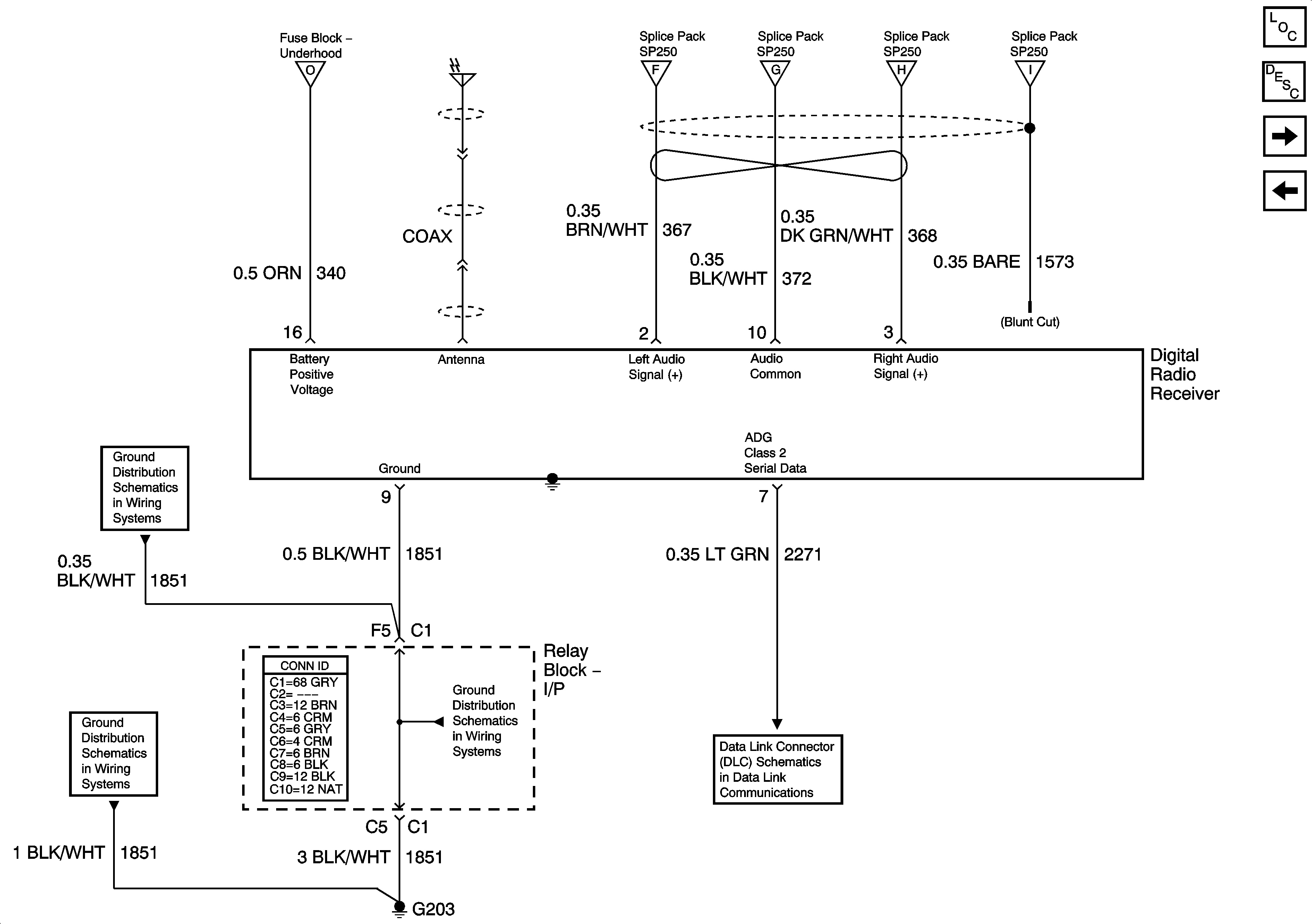
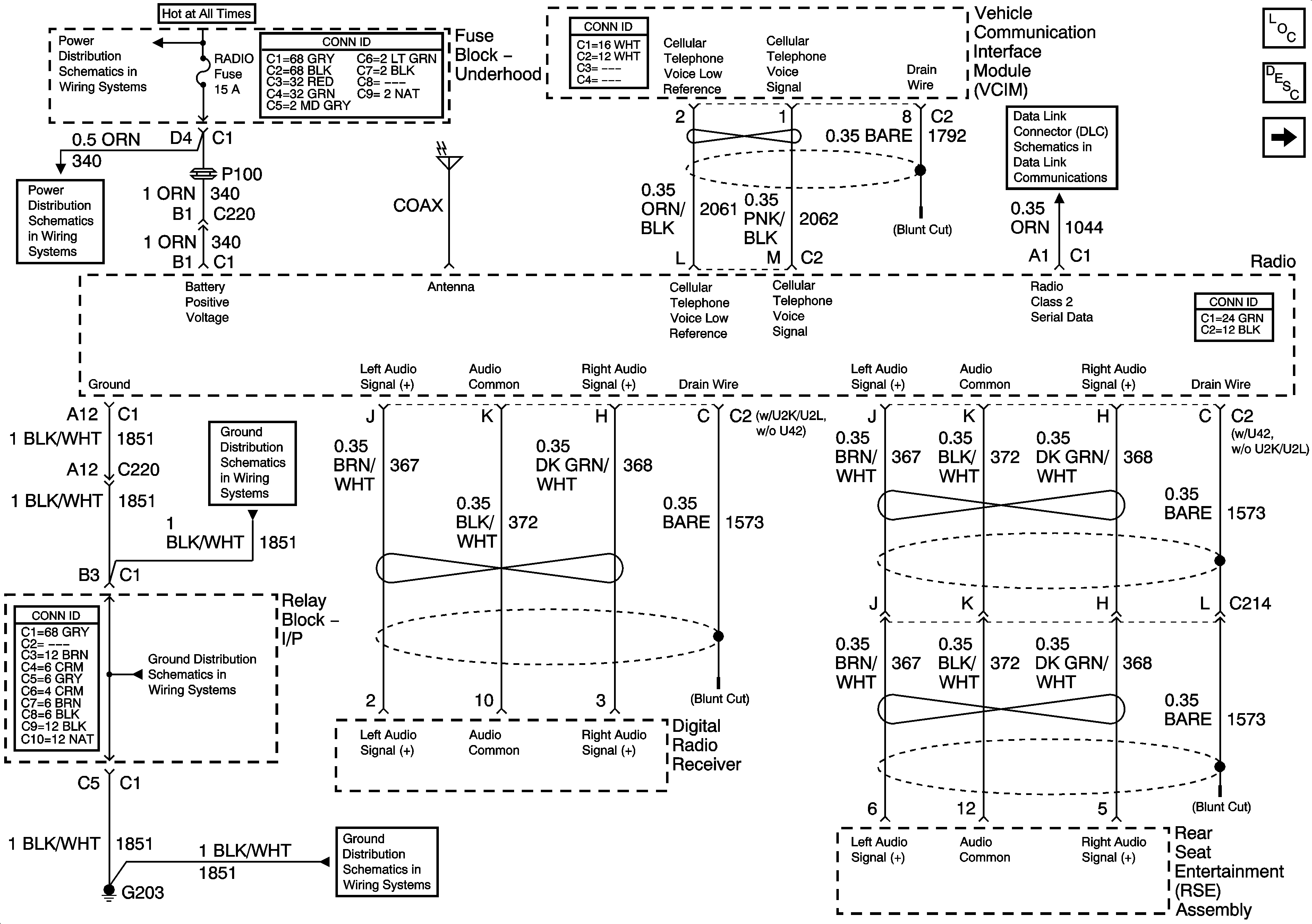
| Figure 3: |
Digital Radio Receiver - w/ U2K/U2L
|
| Figure 1: |
Power, Ground, Audio Signals - 1 of 2
|
| Figure 2: |
Power, Ground, Audio Signals - 2 of 2
|
| Figure 3: |
Amplifier Power, Ground, Inputs - w/o RSA
|
| Figure 4: |
Amplifer, RSA Inputs - w/ RSA
|
| Figure 5: |
Speakers
|
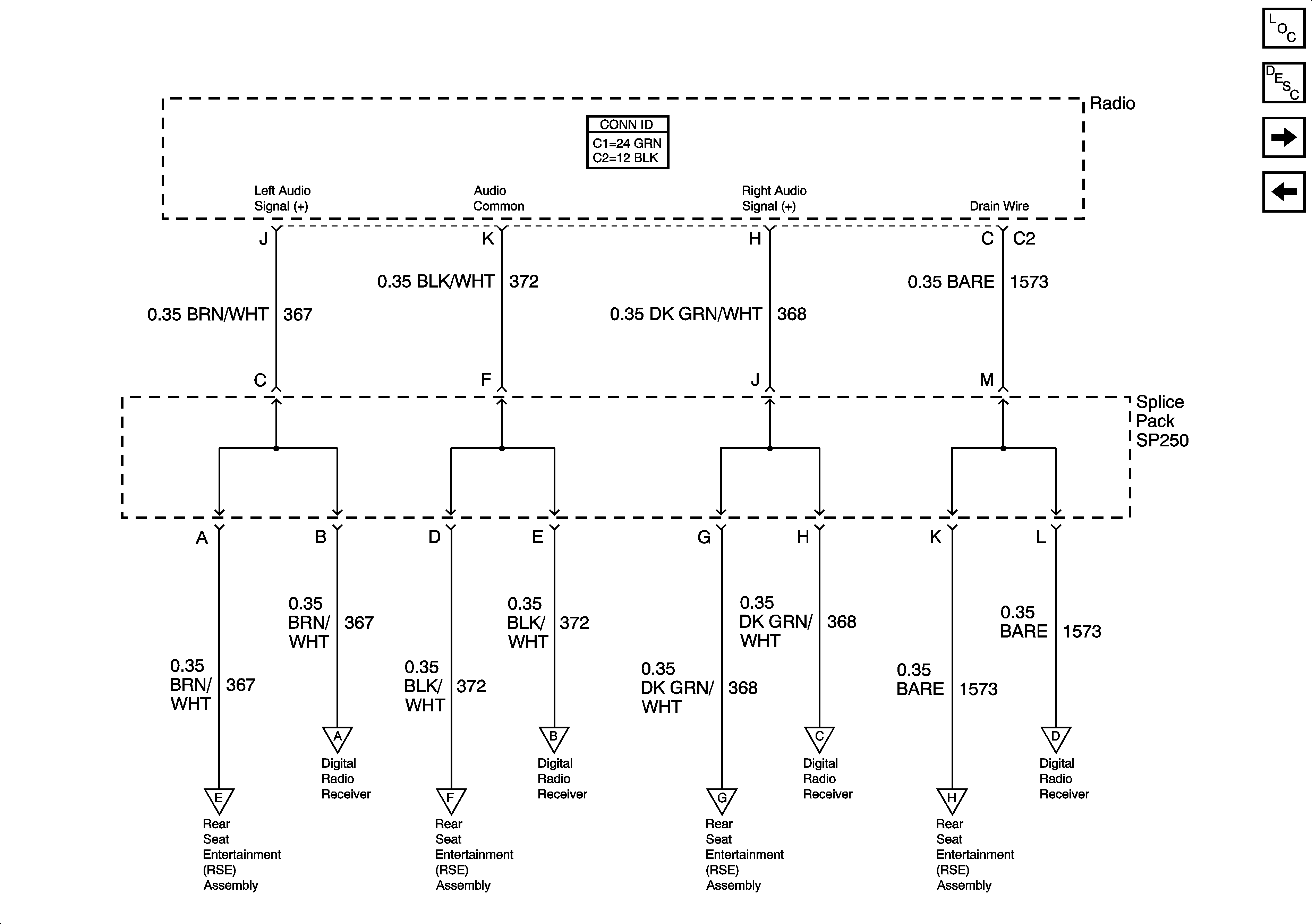
| Figure 6: |
Digital Radio Receiver - w/ U2K/U2L
|
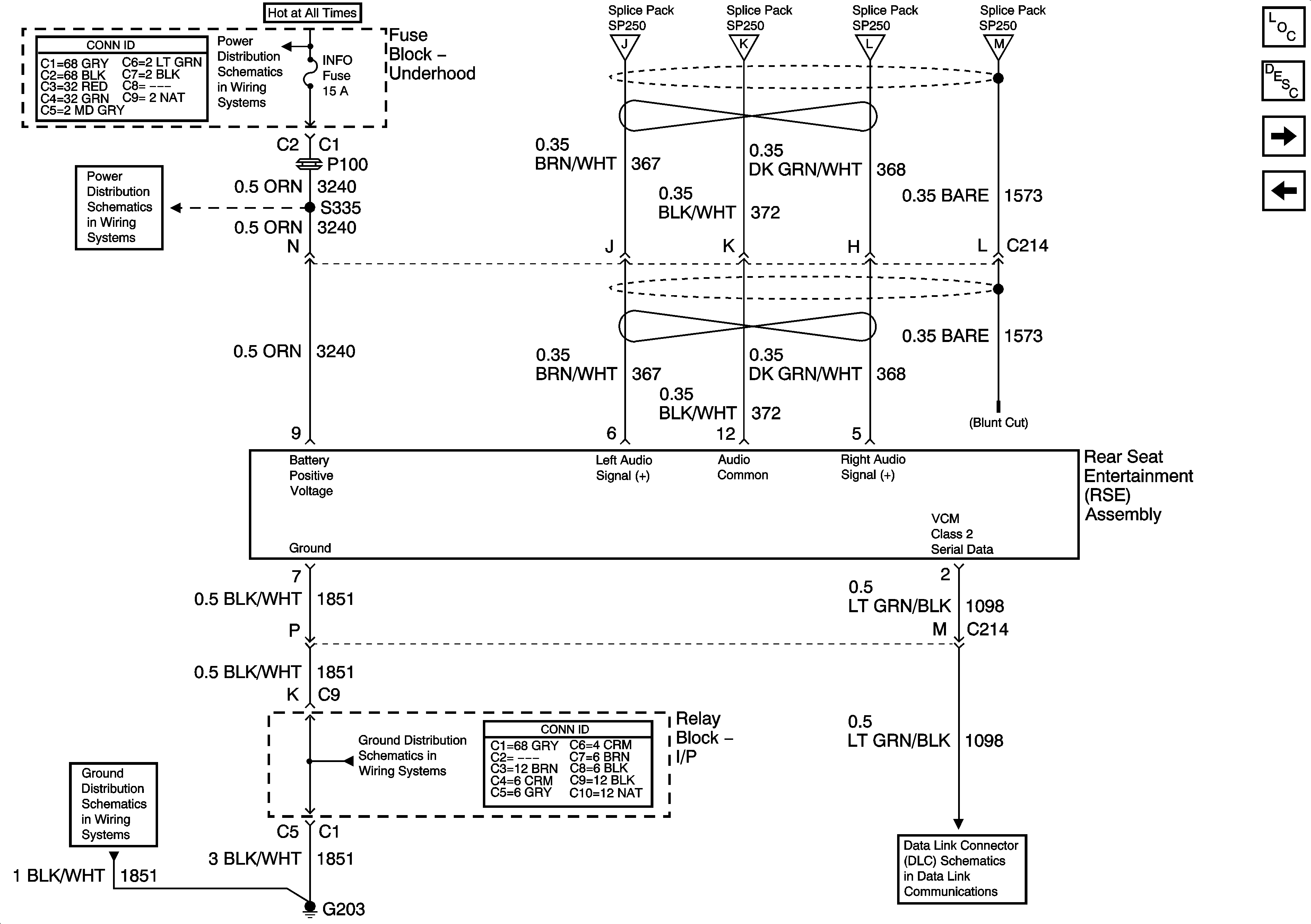
| Figure 7: |
Rear Seat Entertainment - w/ U42
|
| Figure 1: |
Radio Power, Ground, Audio Signals
|
| Figure 2: |
Audio Signals - 1 of 2
|
| Figure 3: |
Audio Signals - 2 of 2
|
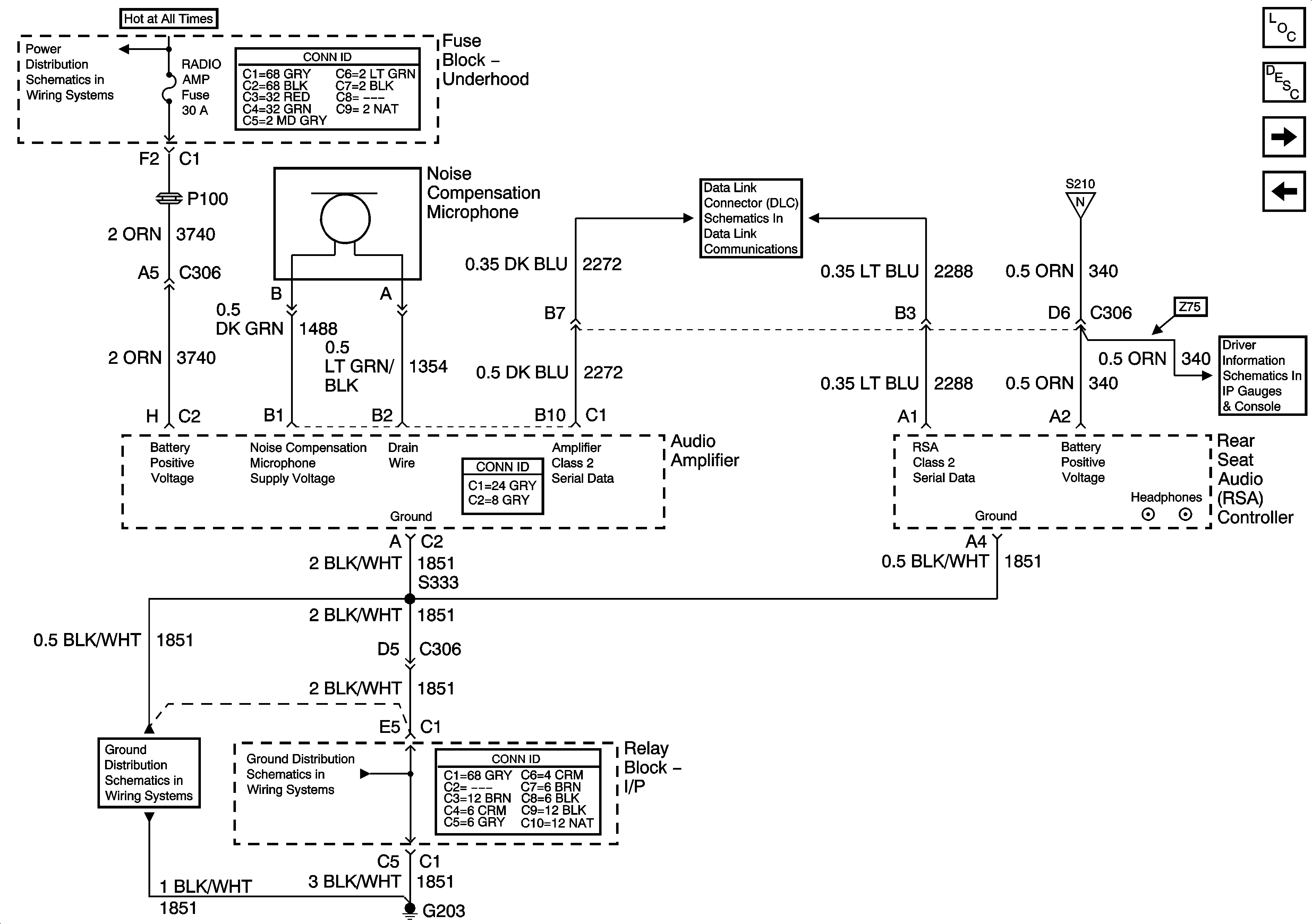
| Figure 4: |
Amplifier, RSA Power, Ground, Subsystems
|
| Figure 5: |
Speakers
|
| Figure 6: |
Remote CD Player - w/ U1S
|
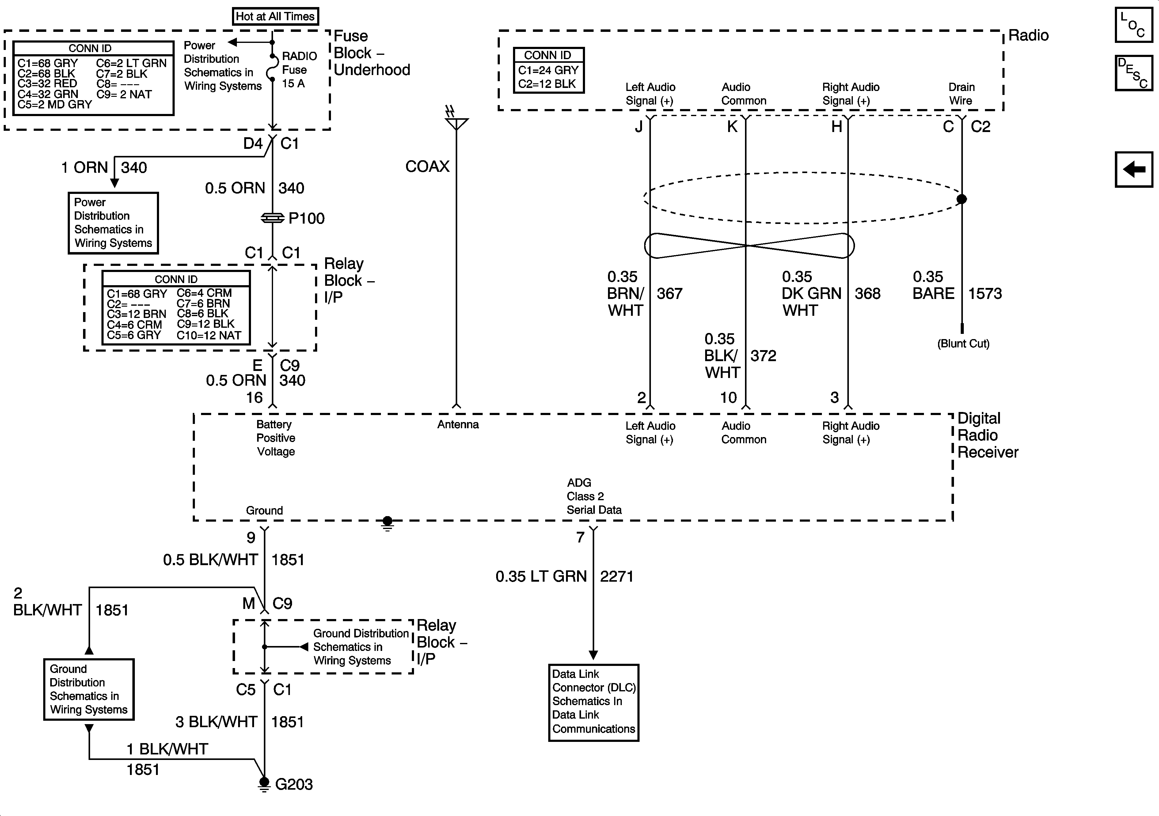
| Figure 7: |
Digital Radio Receiver - w/ U2K/U2L
|
| Figure 8: |
Rear Seat Entertainment - w/ U42
|
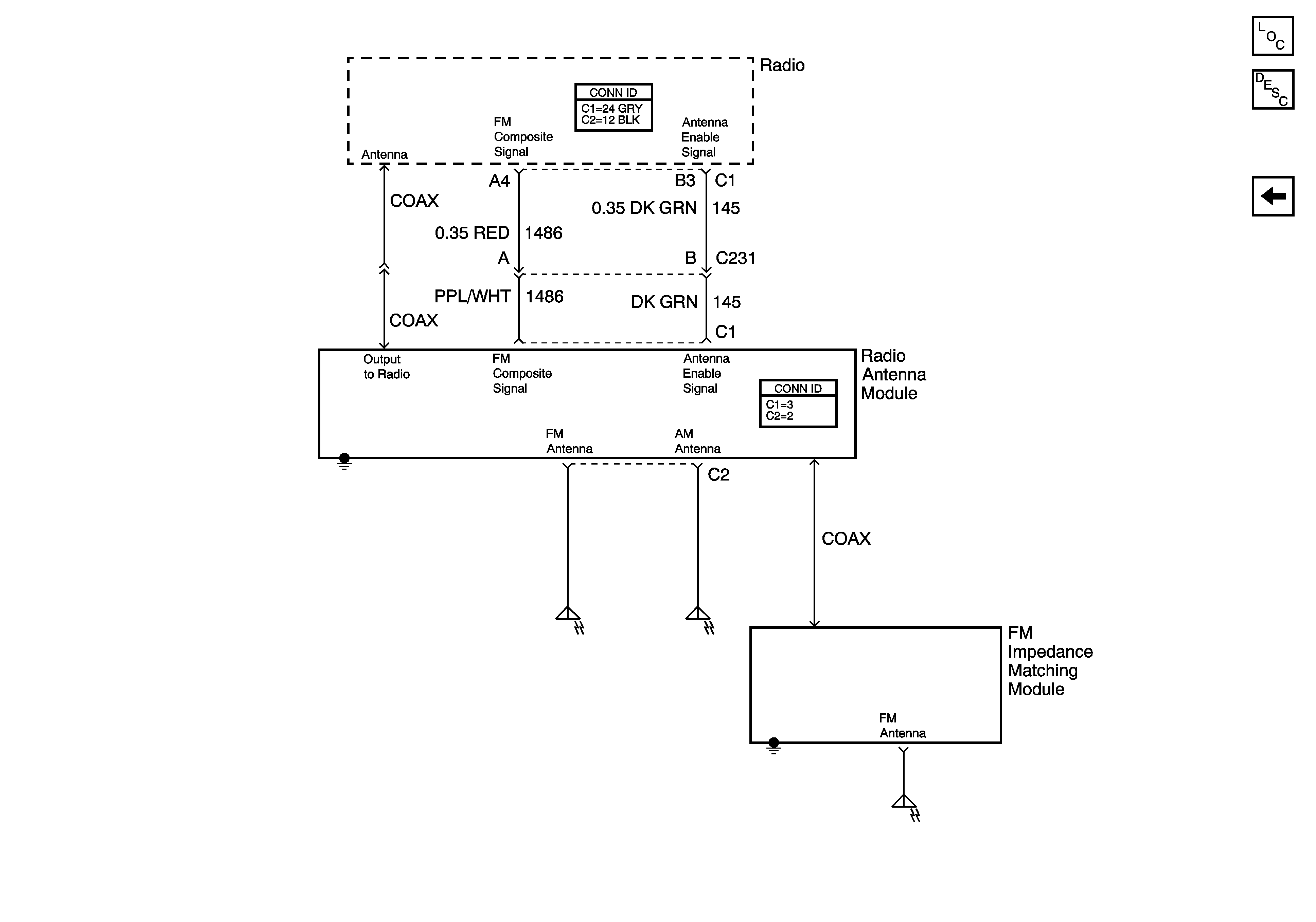
| Figure 9: |
Antenna Module
|