GM Service Manual Online
For 1990-2009 cars only
Makes
🢒
Chevrolet
🢒
2004
🢒
Chevy Suburban - 4WD
🢒
Accessories
🢒
Entertainment
🢒 Instrument Cluster Schematics
Figure
1:
Power, Ground, Serial Data and Driver Information Controls
Master Electrical Component List
Instrument Cluster Description and Operation
Indicators
B+ Bus - 1 of 2
Ignition Switch - ACC/RUN/START, ACC/RUN, and RUN/START Bus Bars
RTD, RR WPR, EAP, SUNROOF Fuses
O2A, O2B, TBC IGN 1, SEO IGN Fuses
G203 - 3 of 3
G203 - 1 of 3
G203 - 1 of 3
SP205 - 1 of 2
Figure
2:
Indicators
Master Electrical Component List
Instrument Cluster Description and Operation
Gages
Power, Ground, Serial Data and Driver Information Control
SP205 - 2 of 2
Pressure Level Switches
G104, G107
G102, G103
G100, G101, G105, G106
Left Turn Signals - Domestic
Left Turn Signals - Export
Right Turn Signals - Domestic
Right Turn Signals - Export
Figure
3:
Gages
Master Electrical Component List
Instrument Cluster Description and Operation
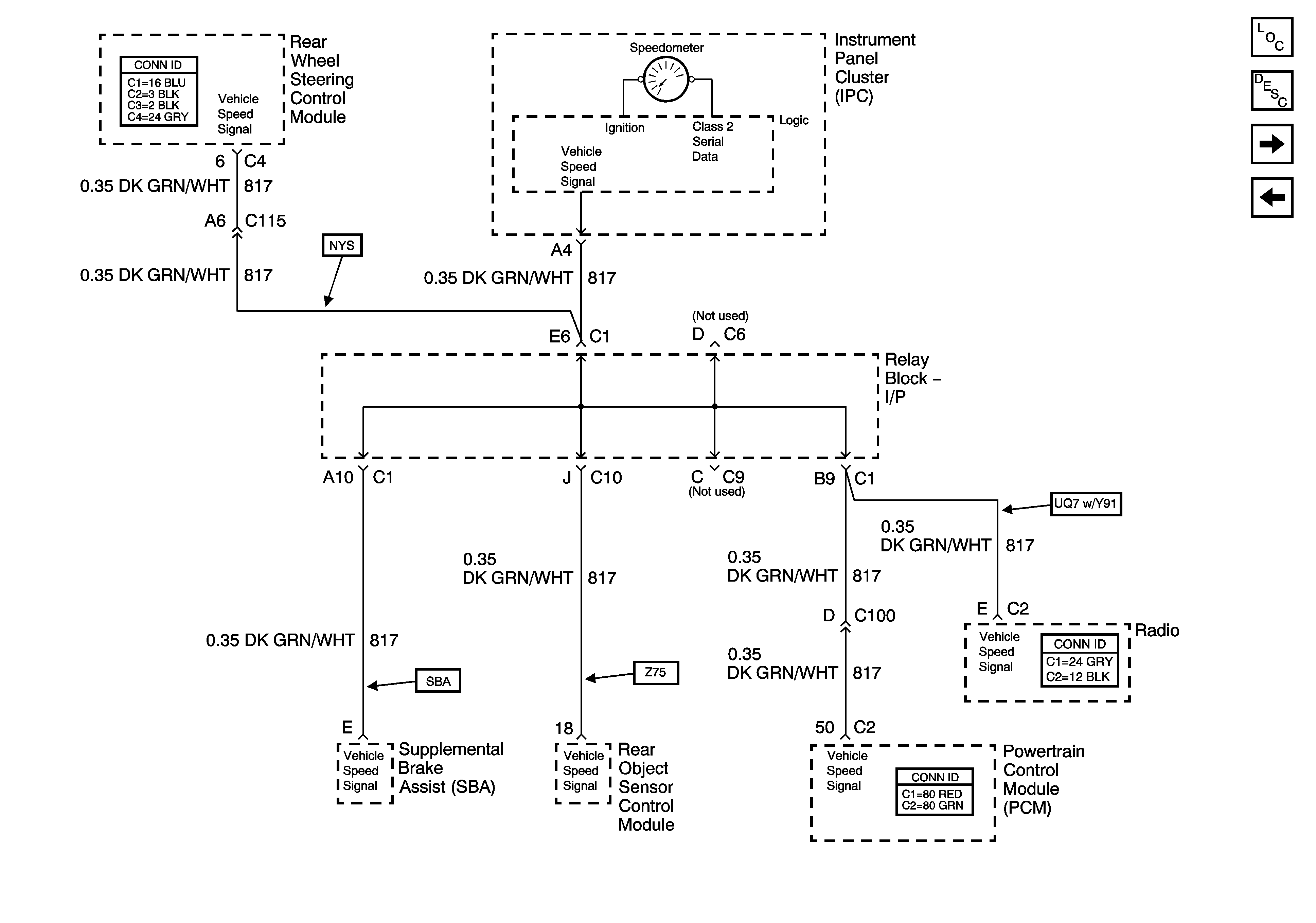
Vehicle Speed and Speedometer
Indicators
SP205 - 2 of 2
Figure
4:
Vehicle Speed and Speedometer
Master Electrical Component List
Instrument Cluster Description and Operation
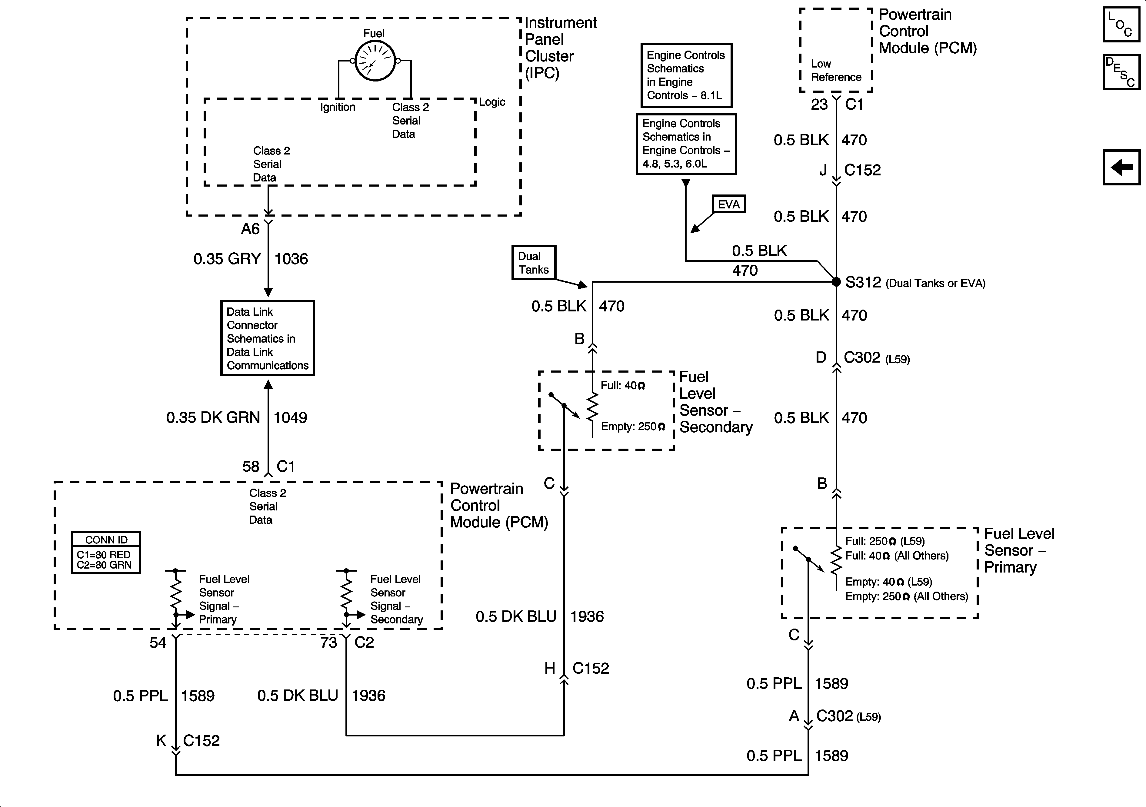
Fuel Gage
Gages
Figure
5:
Fuel Gage
Master Electrical Component List
Instrument Cluster Description and Operation
Vehicle Speed and Speedometer
SP205 - 2 of 2
Fuel Controls - EVAP Controls and Fuel Tank Pressure
Fuel Controls - EVAP Controls,Fuel Tank Pressure and Fuel Composition