GM Service Manual Online
For 1990-2009 cars only
Makes
🢒
Chevrolet
🢒
2004
🢒
Chevy Suburban - 4WD
🢒
Accessories
🢒
Adjustable Pedals
🢒 Adjustable Pedal Schematics
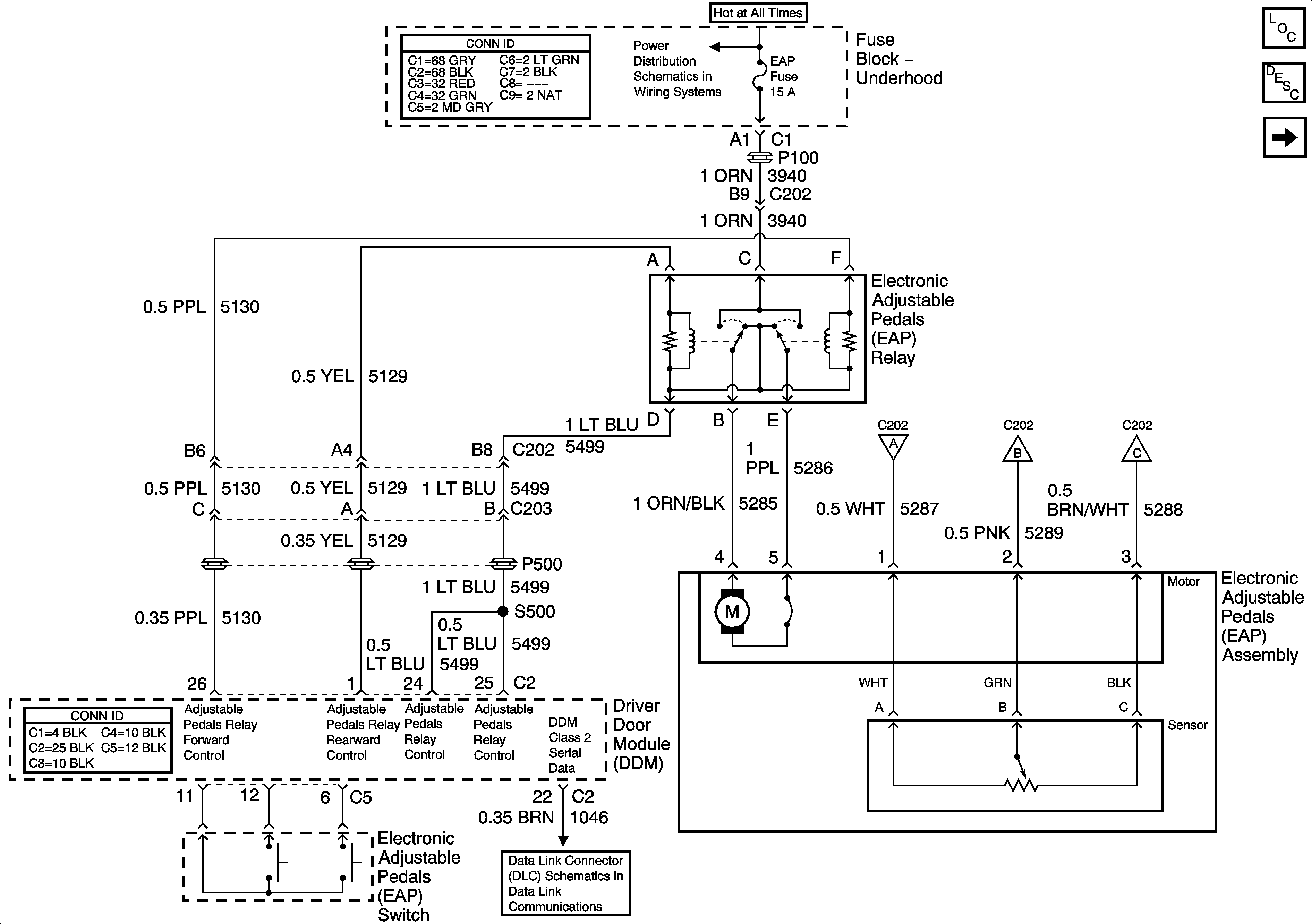
Figure
1:
Power and Pedal Controls
Master Electrical Component List
Adjustable Pedals Description and Operation
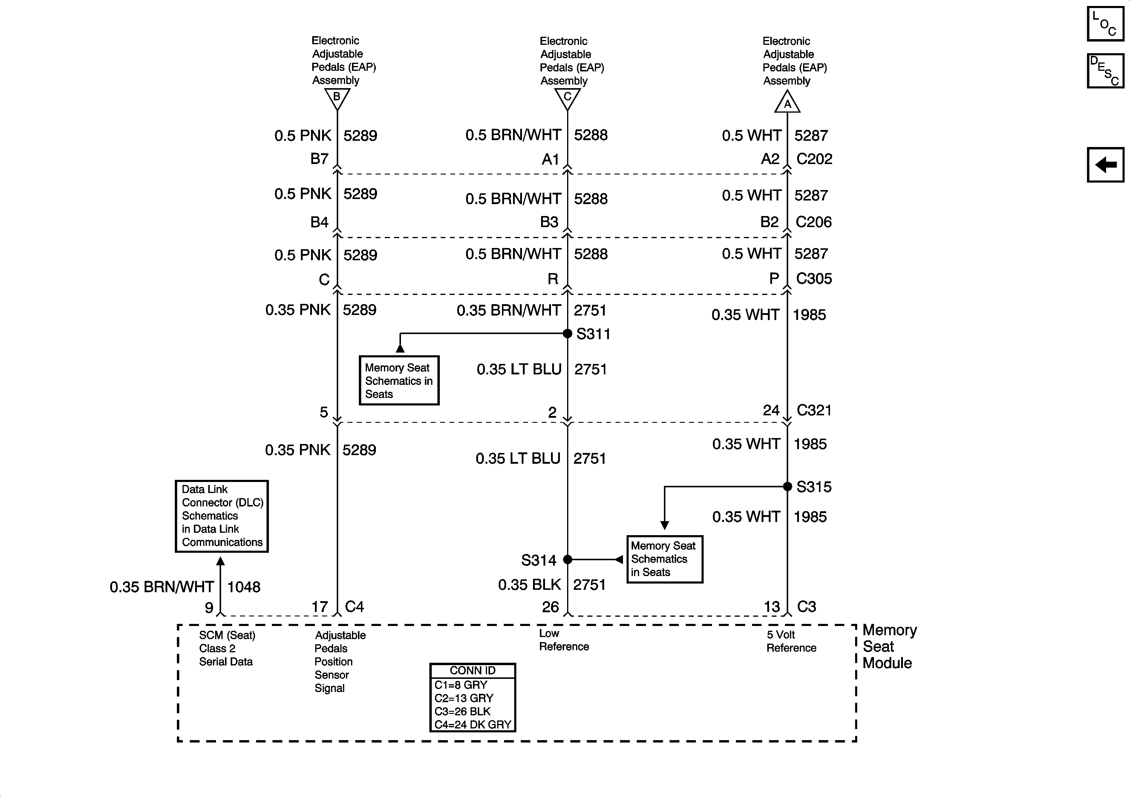
Memory Seat Module, Seat Position Sensor, and Serial Data
B+ Bus - 1 of 2
Memory Seat Module, Seat Position Sensor, and Serial Data
SP205 - 1 of 2
Figure
2:
Memory Seat Module, Seat Position Sensor, and Serial Data
Master Electrical Component List
Adjustable Pedals Description and Operation
Power and Pedals Controls
Power and Pedals Controls
Position Sensors - 2 of 2
Position Sensors - 2 of 2
SP206