GM Service Manual Online
For 1990-2009 cars only
Makes
🢒
Chevrolet
🢒
2004
🢒
Chevy Suburban - 4WD
🢒
Accessories
🢒
Power Outlets
🢒 Cigar Lighter/Power Outlet Schematics
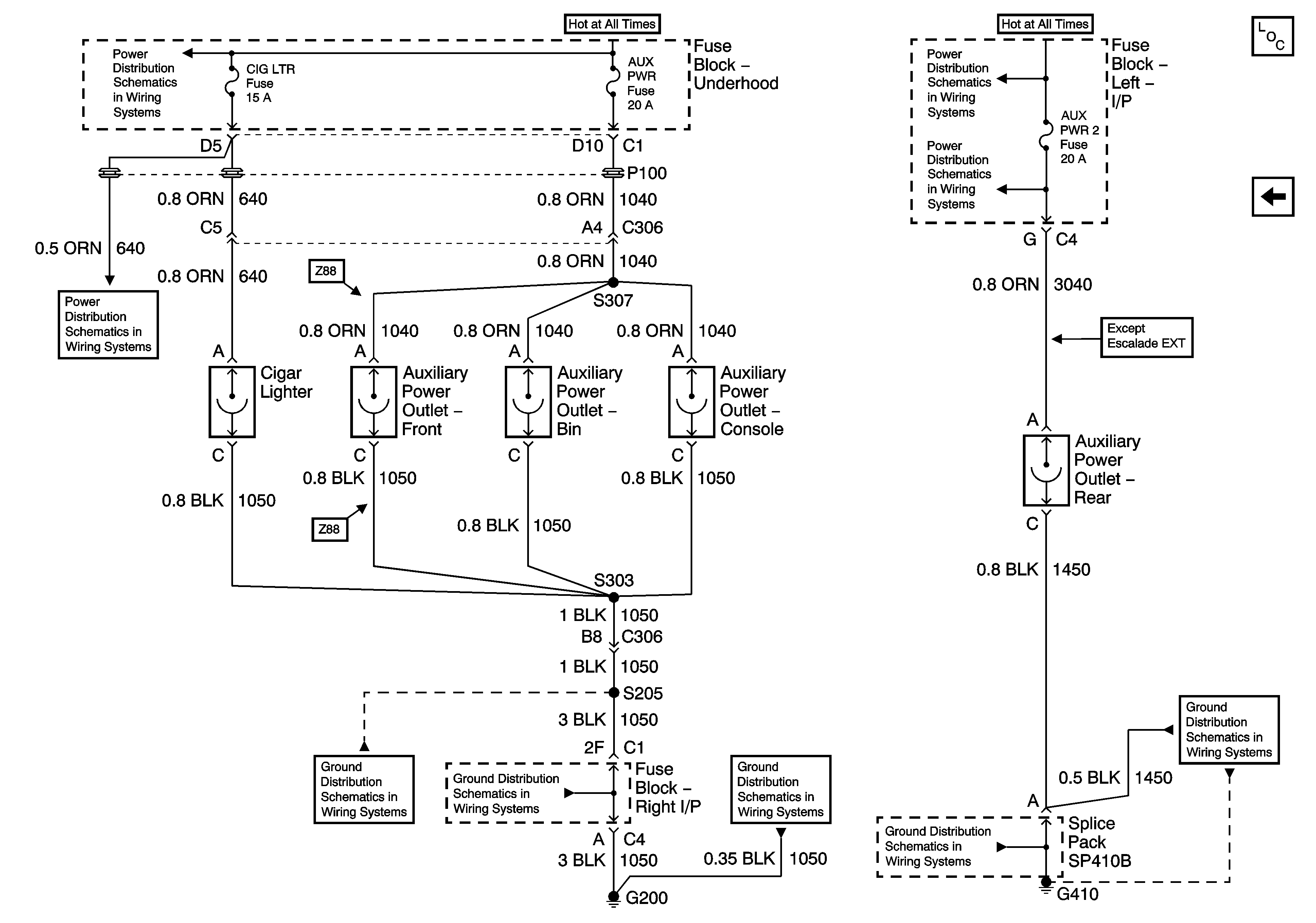
Figure
1:
Except UQ7
Master Electrical Component List
UQ7 Except Y91
B+ Bus - 1 of 2
B+ Bus - 1 of 2
DDM, PDM, ECC, AUX PWR 2, AUX PWR Fuses
INFO, CIG LTR Fuses
G200 - 2 of 3
G200 - 1 of 3
G200 - 1 of 3
G410 - 1 of 3
G410 - 1 of 3
Figure
2:
UQ7 Except Y91
Master Electrical Component List
Y91
Except UQ7
B+ Bus - 1 of 2
B+ Bus - 1 of 2
DDM, PDM, ECC, AUX PWR 2, AUX PWR Fuses
INFO, CIG LTR Fuses
G200 - 1 of 3
G200 - 2 of 3
G200 - 1 of 3
G410 - 1 of 3
G410 - 1 of 3
Figure
3:
Y91
Master Electrical Component List
UQ7 Except Y91
B+ Bus - 1 of 2
B+ Bus - 1 of 2
DDM, PDM, ECC, AUX PWR 2, AUX PWR Fuses
INFO, CIG LTR Fuses
G200 - 2 of 3
G200 - 1 of 3
G200 - 1 of 3
G410 - 1 of 3
G410 - 1 of 3