GM Service Manual Online
For 1990-2009 cars only
Makes
🢒
Chevrolet
🢒
2004
🢒
Chevy Suburban - 4WD
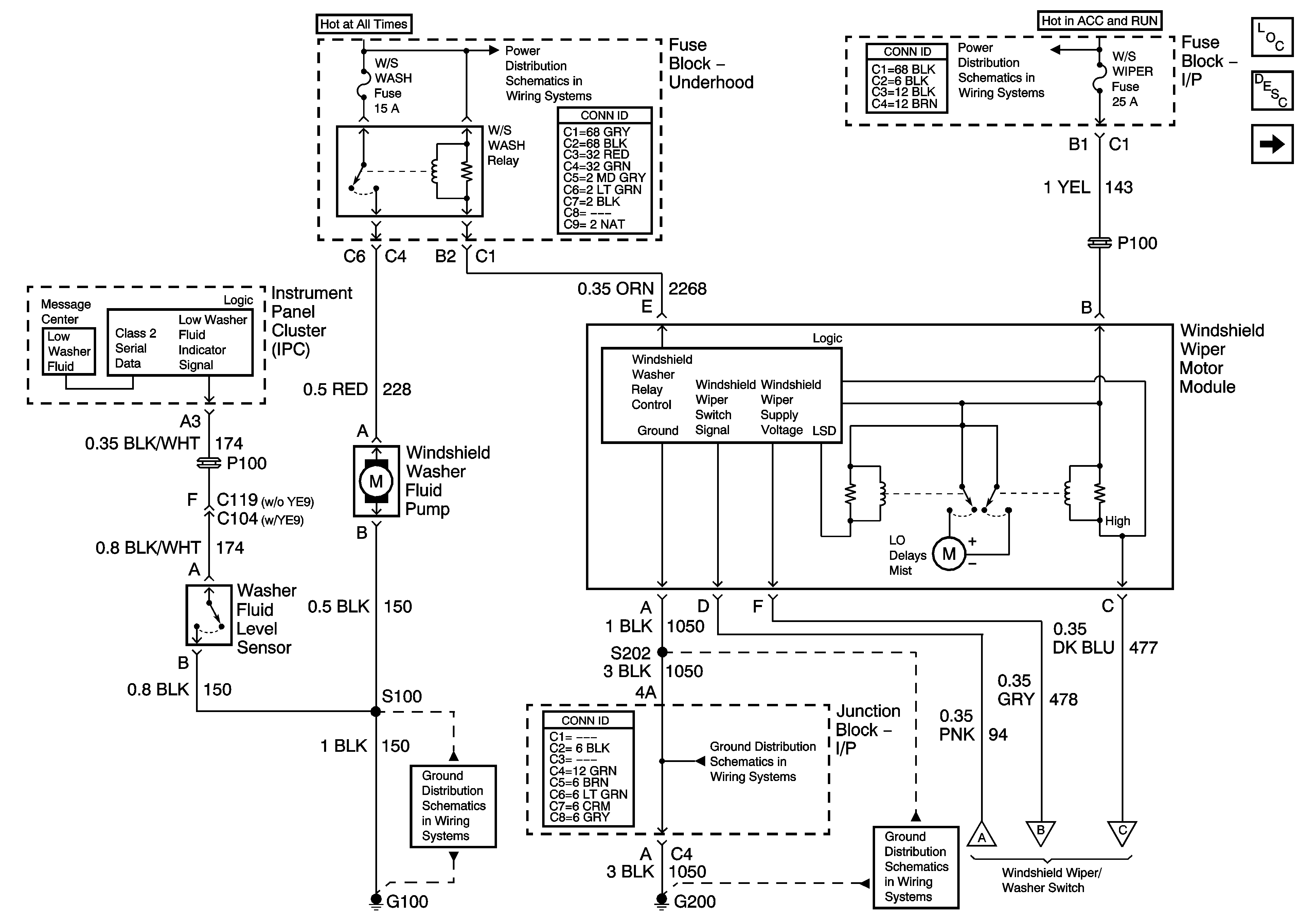
🢒 Front Wiper/Washer Control - 1 of 2
Front Wiper/Washer Control - 1 of 2
Front Wiper/Washer Control - 1 of 2
Master Electrical Component List
Wiper/Washer System Description and Operation
04 Front Wiper/Washer Control - 2 of 2
B+ Bus - 2 of 2
IGN 0, TBC IGN 0, TBC ACCY, SEO ACCY, W/S WPR, RR WPR Fuses
G100, G101, G105, G106
G200 - 1 of 3
G200 - 1 of 3
04 Front Wiper/Washer Control - 2 of 2